|
|
|
產品名稱:
|
神視HL-C1超高速激光變位傳感器
|
|
型 號:
|
HL-C1
|
|
價 格:
|
0.00
|
|
品 牌:
|
神視
|
|
|
|
超高速激光變位傳感器 [CCD型]
HL-C1
特點:100μs,多種測量物體的超高速&穩定檢測
產品特點:
100μ s,此產品級別中最快取樣率
| 使用線性圖像傳感器的變位傳感器已實現了行業內最令人稱奇的超高速取樣,這樣就確保了超高速檢測旋轉,振動和移動的物體。(除HL-C1C-GS) |
高精度檢測變得可能,不受檢測物體表面的影響
| 所有在原先PSD檢測法內的不足現在完全解決了。PSD檢測從與每個光源連接的光點發射出的全部光量重心的位置信息,而線性圖像檢測法檢測光點本身的峰值。此項進步使得高精度檢測成為可能,不管物體的表面是否有金屬發線裂縫或是不反射黑橡膠表面。 |
|
|
 |
 |
解析度1μm,線性±0.1%F.S.
| 現在具備超精確1μm解析檢測能力(HL-C105B-BK,HL-C105FBK,HL-C105B,HL-C105F)和±0.1%F.S.的線性(適用于所有型號)。(HL-C102A±0.05%F.S) |
備有FDA標準認證型
| 備有最適合于在美國使用的FDA標準認證型(級別II)。 |
|
|

 |
用于檢測V型凹槽 由于傳感器檢測光點的峰值不受間接反射光的影響,不會產生錯誤。
 由于傳感器檢測所有光點光量反射光的重心作為位置信息,會回為間接反射光的存在而產生錯誤。
 |
用途
| 定位晶片 |
檢測玻璃底層厚度 |
檢測IC針 |
檢測金屬軸的偏心率 |
 |
 |
 |
 |
| 檢測樹脂層的存在 |
檢測圓盤滑輪的厚度 |
檢查輪胎形狀 |
檢測皮帶的間隔空間 |
 |
 |
 |
 |
備有8種機型適用于不同的測定工件
| 根據不同的測定物體(塑料、橡膠、金屬等擴散反射工件用以及鏡面體、透明體等正反射工件用)及檢測距離,備有六大類、八個標準機型。實現了廣泛的測定范圍,可應對各種類型的工件及安裝條件。 |
實現了超高精度的間隙測定 (檢測頭HL-C102A 控制器HL-C1C-GS)
使用1個檢測頭即可穩定檢測出兩片玻璃間僅45μm的間隙!可測定僅0.15mm的玻璃厚度 本產品具有0.3μ m的分辨率和±0.05%F.S.的線性度,性能大大提高。通過采用線性圖像傳感器和獨創的激光光學系統,僅1個檢測頭就可以檢測出最多4種波形的峰值。 |
 |
可穩定測定表面粗糙的工件 (檢測頭 HL-C108B-MK、HL-C105B-MK控制器HL-C1C)
| 通過本公司獨創的光學系統實現了光點的線性化?梢詫⒔饘俟ぜ募y樣化表面、切削加工面等粗糙表面上的微小凹凸所造成的影響平均化并使之減輕,從而實現比以往檢測頭誤差小且更為穩定的測定。 |
 |
量程長又寬 (檢測頭 HL-C135C-BK10 控制器HL-C1C-WL)
可測定長距離、大范圍的變化 測定量程為350mm±200mm,可測定較大的變化。即使工件位置發生變化,也無須對檢測頭重新設定或改變其位置。 |
量程廣、且可用超小型檢測頭進行高速、高精度測定 W26.6×H82×D87mm超小型規格,但卻擁有高速、高精度的卓越性能,取樣率為 100μ s、分辨率為10μm、線性度為±0.1%F.S.。 |
 |
配備串行輸入輸出 |
備有方便的智能監控器(HL-C1AiM)(選購件) |
可通過RS-232C接口進行串行輸入輸出,可以讀取和寫入設 定以及讀取測定值。 裝備連續輸入/輸出 提供RS-232C接口用于連續輸入和輸出,因此設定可檢索并 保存。也可檢索檢測。 |
備有方便的智能監控器,可以進行各種測定條件的設定、顯示測定值的波形、監控測定值數據及受光量數據。以往只有用示波器才能實現的波形監控以及各種條件設定、功能設定現在可在電腦上簡單實現。 |



 |
可連接2個檢測頭!降低成本,節省空間 控制器裝備了2個單獨的輸入/輸出信道,可連接2個檢測頭。 無需第二個控制器,無論何時使用2個檢測頭,此特征都節約了成本和空間。 |
觸摸盤操作,簡單,小型 可簡單顯示多種設定和檢測數據。(可選) |
防水檢測頭,保護級別達IP67 |
檢測頭具有兼容性,保養簡單 |
HL-C1系列可防止水的滴濺。
 注:如果檢測頭的檢測窗上有水,將不能進行正確檢測。 |
大大提高可維護性。正確數據安裝到檢測頭內后實現兼容性。此新型傳感器系列不再需要此級別中原先的變位傳感器所需的維護次數?墒褂孟嗤目刂破,即使檢測頭被不同型號的代替。同時,在連接2個檢測頭時不需專用連接端口。 |
使用2個傳感器時可進行計算 |
小型控制器和前連接節省安裝空間 |
內置計算功能可檢測間隔和厚度,不需數字盤控制器,這樣 就節約了成本和空間。 |
超小控制器尺寸僅為W40×H120×D74mm,節省了安裝空間。也可進行貼近安裝。而且,電纜可直接連接或連接至一可移動終端接線板并且所有連接都是同一方向,因此可進一步節省空間。 |
 |
 |
加強功能 |
| HL-C1裝備了多種有用功能,包括保持功能,計算功能,濾波功能和磁滯設定功能,使得在多種應用中均能方便的使用。 |
|
|
|
| 例如,如果一金屬物體的表面會產生干擾正確檢測的噪音,使用低通濾波功能會降低噪音的影響,這樣就能進行穩定的變位檢測。 |
檢測過程中,如果由于過量或不足的入射光(警告輸出時)而導致無法檢測,此功能可允許轉換模擬輸出至保留以前檢測到的數據或至輸出一個固定值。如果選擇了固定值,兩種選擇中之一可以選為模擬輸出,警告輸出過程中:最大值的輸出(電壓輸出:+10.9V,電流輸出:29.5mA)或最小值的輸出(電壓輸出:-10.9V,電流輸出:0mA)。 |
 |
 |
| 在檢測旋轉體的接縫和間隔時,如果旋轉體偏心、振動或傾斜等位移變化較大,此功能可減小這些波動帶來的影響,確保接縫和間隔的穩定檢測。 |
HL-C1系列裝備4種控制模式。
NORM (不控制) |
此模式實時輸出從檢測中心距離的變位量。此模式用于普通操作。 |
| P-P |
此模式控制最大和最小檢測值之間不同的輸出。此模式用于振動或偏心率檢測。 |
| PEAK |
此模式在最大檢測值控制輸出。 |
| VALLEY |
此模式在最小檢測值控制輸出。 | |
 |
為了將測定數據導入電腦,可以先暫時將其保存在控制器中,控制器最多可保存48,000份數據。保存在控制器中的所有數據可以過后通過通信或智能監控器HL-C1AiM導入電腦。此功能可用于導入測定數據的確認、測定后所有數據的讀取及保存。 |
訂購指南
檢測頭 |
| 種類 |
形狀 |
檢測中心距離 |
分辨率 (注1)(注2) |
型號 |
組合控制器 |
組合操作盤 |
適用標準 |
擴 散 反 射 型 |
寬量程 |
 |
 350mm (測定范圍±200mm) |
10μm |
HL-C135C-BK10 |
HL-C1C-WL HL-C1C-M-WL |
HL-C1DP-WL HL-C1DP-E-WL |
JIS/IEC /FDA |
| 通用 |
 |
 85mm (測定范圍±20mm) |
2μm |
HL-C108B-BK |
HL-C1C HL-C1C-M |
HL-C1DP HL-C1DP-E |
JIS/IEC |
| HL-C108F-BK |
FDA |
粗糙表面 工件用 |
HL-C108B-MK |
JIS/IEC |
| 高精度 |
 |
 50mm (測定范圍±5mm) |
1μm |
HL-C105B-BK |
JIS/IEC |
| HL-C105F-BK |
FDA |
粗糙表面 工件用 |
HL-C105B-MK |
JIS/IEC |
正 反 射 型 |
通用 |
 |
 50mm (測定范圍±5mm) |
2μm |
HL-C108B |
JIS/IEC |
| HL-C108F |
FDA |
| 高精度 |
 |
 46mm (測定范圍±4mm) |
1μm |
HL-C105B |
JIS/IEC |
| HL-C105F |
FDA |
超高精度 間隙測定 |
 |
 25mm (測定范圍±1mm) |
0.3μm |
HL-C102A |
HL-C1C-GS HL-C1C-M-GS |
HL-C1DP-GS HL-C1DP-E-GS |
JIS/IEC | |
注: 1) 通過將P-P值換算成距離得到這些值。P-P值表明通過檢測中心距離測定值的分布。 2) 采用本公司標準的白陶瓷測定物體(正反射型使用鋁蒸汽噴鍍表面反射鏡)、平均樣品數為256時。 |
控制器 |
小型操作盤 |
| 種類 |
形狀 |
型號 |
判斷輸出 |
| 標準型 |
 |
HL-C1C |
N通道 開漏 |
| HL-C1C-M |
光電繼電器 |
| HL-C102A專用 |
HL-C1C-GS |
N通道開漏 |
| HL-C1C-M-GS |
光電繼電器 |
HL-C135C-BK10 專用 |
 |
HL-C1C-WL |
N通道開漏 |
| HL-C1C-M-WL |
光電繼電器 | |
| 種類 |
形狀 |
型號 |
| 標準型 |
日文版 |
 |
HL-C1DP |
| 英文版 |
HL-C1DP-E |
HL-C1C-GS (HL-C102A)專用 |
日文版 |
HL-C1DP-GS |
| 英文版 |
HL-C1DP-E-GS |
HL-C1C-WL (HL-C135C-BK10) 專用 |
日文版 |
HL-C1DP-WL |
| 英文版 |
HL-C1DP-E-WL | |
檢測頭延長電纜 |
| 形狀 |
型號 |
說明 |
 |
HL-C1CCJ2 |
長2米、本體重約160g |
兩端帶連接器的絕緣橡膠電纜 電纜外徑:φ7mm 連接器最大外徑:φ 14.7mm |
| HL-C1CCJ5 |
長5米、本體重約350g |
| HL-C1CCJ10 |
長10米、本體重約700g |
| HL-C1CCJ20 |
長20米、本體重約1,400g |
| HL-C1CCJ30 |
長30米、本體重約2,000g | |
智能監控器 |
| 形狀 |
型號 |
說明 |
 |
HL-C1AiM |
可以進行各種測定條件的設定、顯示測定 值的波形、監控測定值數據及受光量數據。 帶一根松下電工(株)制COM端口連接電纜 | | 技術信息:
規格
檢測頭
| 種類 |
擴散反射型 |
| 寬量程 |
通用 |
粗糙表面工件用 |
高精度 |
粗糙表面工件用 |
| 項目 |
符合JIS/IEC 標準的機型 |
HL-C135C-BK10 |
HL-C108B-BK |
HL-C108B-MK |
HL-C105B-BK |
HL-C105B-MK |
符合FDA 標準的機型 |
HL-C108F-BK |
------ |
HL-C105F-BK |
------ |
| 檢測中心距離 |
350mm |
85mm |
50mm |
| 測定范圍 |
±200mm |
±20mm |
±5mm |
| 分辨率(注2)(注3) |
10μm |
2μm |
1μm |
| 線性度(注4) |
±0.1% F.S. |
| 溫度特性 |
0.02% F.S./°C |
| 激光投光指示燈 |
綠色LED(激光投光時或激光投光前一刻亮起) |
| 測定范圍指示燈 |
黃色LED(檢測范圍內閃爍,接近檢測中心距離時亮起) |
環 境 性 能 |
保護構造 |
IP67(IEC)、防浸型(JIS)(除連接器部) |
| 周圍溫度 |
0~+45°C(注意不可結露)、保存時:-20~+70°C |
| 周圍濕度 |
35~85%RH、保存時:35~85%RH |
| 周圍照明度 |
白熾燈:受光面照明度3,000Rx以下 |
| 耐電壓 |
AC500V 1分鐘 專用控制器電源輸入部和檢測頭外殼之間 |
| 絕緣阻抗 |
20MΩ以上 基于DC500V的高阻表 專用控制器電源輸入部分和檢測頭外殼之間 |
| 耐振動 |
頻率:10~55Hz(周期:1分鐘),雙振幅:1.5mm X,Y,Z方向各2小時 |
| 耐沖擊 |
加速度:196m/s2(約20G) X,Y,Z方向各3次 |
| 光源 |
紅色半導體激光 級別3B(FDA標準認證型 級別IIIb) (最大輸出:10mW、 峰波長度:658nm) |
紅色半導體激光,級別2(FDA標準認證型 級別II) (JIS/IEC標準認證型:JIS/IEC、FDA標準認證型:JIS/IEC/FDA) (最大輸出:1mW、峰波長度:658nm) |
| 光束直徑(注5) |
約400×200μm |
約100×140μm |
約100×1,200μm |
約70×120μm |
約70×1,000μm |
| 受光二極體 |
線性圖像傳感器 |
| 外殼接地 |
不固定 |
| 材質 |
本體外殼:壓鑄鋁,本體外罩:壓鑄鋁,前蓋:玻璃
|
| 電纜 |
絕緣橡膠電纜,0.5m長,帶連接器 |
| 電纜長度 |
用可選電纜全長可延長至30m |
| 重量 |
本體重量:約300g |
| 附件 |
英文警告標簽:1套(FDA標準認證型附帶JIS(日文)和IEC(英文)標簽各1套) |
注: 1) 當未明確指定測定條件時,使用條件如下:電源電壓24V DC、周圍溫度=+20°C、取樣率100μs、平均樣品數256(HL-C135C-BK為512)、檢測中心距離,由白陶瓷制成的測定物體。線性度取決于測定物體的特征。 2) 通過將P-P值換算成距離得到這些值。P-P值表明通過檢測中心距離測定值的分布。 3) 采用本公司的標準白陶瓷測定物體,平均樣品數為256(HL-C135C-BK為512)時。 4) 此值顯示采用本公司的標準白陶瓷制成的物體進行檢測時,理想線性變位輸出的錯誤范圍。此值會根據測定物體的特征而改變。 5) 使用中心光量的1/e2(約13.5%)定義這些值。如果正常光點直徑外有微小的光泄漏,并且檢測點外圍有高于檢測點本身的強反射,結果可能會被影響。
檢測頭
| 種類 |
擴散反射型 |
| 通用 |
高精度 |
超高精度間隙測定 |
| 項目 |
符合JIS/IEC 標準的機型 |
HL-C108B |
HL-C105B |
HL-C102A |
符合FDA 標準的機型 |
HL-C108F |
HL-C105F |
------ |
| 檢測中心距離 |
81.4mm |
46mm |
25mm |
| 測定范圍 |
±16mm |
±4mm |
±1mm |
| 分辨率(注2)(注3) |
2μm |
1μm |
0.3μm |
| 線性度(注4) |
±0.1% F.S. |
±0.05% F.S.(±1μm) |
| 溫度特性 |
0.02% F.S./°C |
0.04% F.S./°C |
| 激光投光指示燈 |
綠色LED(激光投光時或激光投光前一刻亮起) |
| 測定范圍指示燈 |
黃色LED(檢測范圍內閃爍,接近檢測中心距離時亮起) |
環 境 性 能 |
保護構造 |
IP67(IEC)、防浸型(JIS)(除連接器部) |
| 周圍溫度 |
0~+45°C(注意不可結露)、保存時:-20~+70°C |
| 周圍濕度 |
35~85%RH、保存時:35~85%RH |
| 周圍照明度 |
白熾燈:受光面照明度3,000Rx以下 |
| 耐電壓 |
AC500V 1分鐘 專用控制器電源輸入部和檢測頭外殼之間 |
| 絕緣阻抗 |
20MΩ以上 基于DC500V的高阻表 專用控制器電源輸入部分和檢測頭外殼之間 |
| 耐振動 |
頻率:10~55Hz(周期:1分鐘),雙振幅:1.5mm X,Y,Z方向各2小時 |
| 耐沖擊 |
加速度:196m/s2(約20G) X,Y,Z方向各3次 |
| 光源 |
紅色半導體激光 級別3B(FDA標準認證型 級別IIIb) (最大輸出:10mW、 峰波長度:658nm) |
紅色半導體激光 級別1(JIS/IEC) (最大輸出70μW、峰波長度:685nm) |
| 光束直徑(注5) |
約100×140μm |
約70×120μm |
約30×50μm |
| 受光二極體 |
線性圖像傳感器 |
| 外殼接地 |
不固定 |
| 材質 |
本體外殼:壓鑄鋁,本體外罩:壓鑄鋁,前蓋:玻璃
|
| 電纜 |
絕緣橡膠電纜,0.5m長,帶連接器 |
| 電纜長度 |
用可選電纜全長可延長至30m |
| 重量 |
本體重量:約300g |
| 附件 |
英文警告標簽:1套(FDA標準認證型附帶JIS(日文)和IEC(英文)標簽各1套) |
注: 1) 當未明確指定測定條件時,使用條件如下:電源電壓24V DC、周圍溫度=+20°C、取樣率100μs、平均樣品數256(HL-C135C-BK為512)、檢測中心距離,由白陶瓷制成的測定物體。線性度取決于測定物體的特征。 2) 通過將P-P值換算成距離得到這些值。P-P值表明通過檢測中心距離測定值的分布。 3) 采用本公司的標準白陶瓷測定物體,平均樣品數為256(HL-C135C-BK為512)時。 4) 此值顯示采用本公司的標準白陶瓷制成的物體進行檢測時,理想線性變位輸出的錯誤范圍。此值會根據測定物體的特征而改變。 5) 使用中心光量的1/e2(約13.5%)定義這些值。如果正常光點直徑外有微小的光泄漏,并且檢測點外圍有高于檢測點本身的強反射,結果可能會被影響。
控制器
| 項目 |
種類 |
NPN輸出 |
光電繼電器輸出 |
| 標準型 |
HL-C102A用 |
HL-C135C-BK10用 |
標準型 |
HL-C102A用 |
HL-C135C-BK10用 |
| 型號 |
HL-C1C |
HL-C1C-GS |
HL-C1C-WL |
HL-C1C-M |
HL-C1C-M-GS |
HL-C1C-M-WL |
| 組合檢測頭 |
最多2個檢測頭 |
| 電源電壓 |
24V DC ±10% 包括脈動0.5V(P-P) |
| 電流消耗 |
連接1個檢測頭時:約430mA,連接2個檢測頭時:約550mA |
| 取樣率 |
可從100μs/144μs/200μs/255μs/332μs/498μs/1,000μs中選擇 [HL-C1C(-M)-GS可從200μ s/332μ s/498μ s/1,000μ s(測量峰值時還可設定為100μ s/144μ s,連接2個檢測頭時可設定為332μ s/498 μ s/1,000μ s)中選擇] |
| 溫度特性 |
±0.01%F.S./°C |
| 模擬輸出 |
電壓 |
輸出電壓:±5V/F.S〔. 選擇擴散反射模式時默認設定(注2)〕 輸出范圍:-10.9~+10.9V 輸出電流:最大2mA、輸出阻抗:50Ω |
| 電流(注3) |
輸出電流:4~20mA/F.S〔. 選擇擴散反射模式時默認設定(注4)〕 輸出范圍:0~29.5mA(最大負載阻抗時最大25mA) 負載阻抗:250Ω以下 |
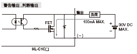
| 警告輸出 |
N 通道開漏 ·最大流入電流:100mA ·外加電壓:30V DC以下 (警告輸出和外部絕緣GND之間) ·ON阻抗:5Ω以下 |
光電繼電器 ·最大負載電流:50mA ·外加電壓:30V DC以下(警告輸出和輸出COM之間) ·ON阻抗:35Ω以下 ·動作時間:最大2ms |
| |
輸出操作 |
光量過多或不足時開路 |
| |
短路保護 |
裝備 |
判斷輸出 (O1、O2) |
N 通道開漏 ·最大流入電流:100mA ·外加電壓:30V DC以下 (判斷輸出和外部絕緣GND之間) ·ON阻抗:5Ω以下 |
光電繼電器 ·最大負載電流:50mA ·外加電壓:30V DC以下(判斷輸出和輸出COM之間) ·ON阻抗:35Ω以下 ·操作時間:最大2ms |
| |
輸出操作 |
達到閾值時開路或閉路。由判斷輸出模式選擇。(閾值根據磁滯設定改變。) |
| |
短路保護 |
裝備 |
| 串行輸入/輸出 |
RS-232C |
同步輸入 (激光投光) |
短路或開路時:由輸入模式選擇決定激光投光停止或繼續 |
------ |
當電壓是輸入(使用輸入電壓:12-24V DC、最大輸入電壓:30V DC)或電路是開路時:由輸入模式選擇決定激光投光停止或繼續 |
------ |
| 遙控互鎖輸入 |
------ |
開路時:激光投光停止 |
------ |
開路時:激光投光停止 |
| 零設 ON輸入 |
短路時零設ON |
零設:當電壓是輸入(使用輸入電壓:12~24V DC、最大輸入電壓:30V DC)時ON |
| 零設 OFF輸入 |
短路時零設OFF |
零設:當電壓是輸入(使用輸入電壓:12~24V DC、最大輸入電壓:30V DC)時OFF |
| 指示燈 |
激光投光 |
綠色LED(從檢測頭1或檢測頭2發出激光投光時亮起,或激光投光前一刻亮起) |
| BRIGHT |
紅色LED(由于檢測頭1或檢測頭2光量過足不能進行檢測時亮起) |
| DARK |
紅色LED(由于檢測頭1或檢測頭2光量不足不能進行檢測時亮起) |
| 設定/數據顯示 |
小型操作盤(可選) |
| 刻度(注5) |
移位 |
±20.0000mm |
±200.0000mm |
±20.0000mm |
±200.0000mm |
| 跨度 |
0.9000~1.1000 |
| 平均樣品數(注5) |
OFF、2~32,768次(16步) |
| 數字濾波器(注5) |
高通:OFF、10~2,000Hz(9步),低通:OFF、10~2,000Hz(9步) |
| 計算功能(注5) |
L±KA、L±KB、L±K(A±B) A:檢測頭1檢測值,B:檢測頭2檢測值,L=±999.9999、K=0.0001~99.9999 |
| 支持功能(注5) |
可從NORMAL/P-P/PEAK/VALLEY中選擇 |
環 境 性 能 |
周圍溫度 |
0~+50°C(注意不可結露),保存時:-20~+70°C |
| 周圍濕度 |
35~85%RH、保存時:35~85%RH |
| 耐電壓 |
AC 500V 1分鐘 電源輸入部分和外殼之間 |
| 絕緣阻抗 |
20MΩ以上 基于DC500V的高阻表 電源輸入部分和外殼之間 |
| 耐振動 |
頻率:10~55Hz(周期:1分鐘),雙振幅:0.75mm,X,Y,Z方向各30分鐘 |
| 耐沖擊 |
加速度:196m/s2(約20G),X,Y,Z方向各3次 |
| 電纜總長度 |
電源線:10m以下,信號線:30m以下 |
| 本體重量 |
本體重量:約300g |
| 附件 |
------ |
鑰匙:2個 |
------ |
鑰匙:2個 |
注: 1) 當未明確指定測定條件時,使用條件如下:電源電壓24V DC、周圍溫度=+20°C、取樣率100μs(HL-C1C(-M)-GS為332μs)、平均樣品數256[HL-C1C(-M)- WL為512]、檢測中心距離。 2) 如果選擇正反射模式,默認設定是±4V/F.S. 3) 最大模擬輸出電流根據負載阻抗改變。 4) 如果選擇正反射模式,默認設定是5.6~18.4mA/F.S.。 5) 使用通過小型操作盤和RS-232C接口的外部設備的命令輸入這些值。
小型操作盤
| 項目 |
種類 |
項目 |
HL-C1C-GS(HL-C102A)專用 |
HL-C1C-WL(HL-C135C-BK10)專用 |
| 日文版 |
英文版 |
日文版 |
英文版 |
日文版 |
英文版 |
| 型號 |
HL-C1DP |
HL-C1DP-E |
HL-C1DP-GS |
HL-C1DP-E-GS |
HL-C1DP-WL |
HL-C1DP-E-WL |
| 電源電壓 |
24V DC±10% 包括脈動0.5V(P-P) |
| 電流消耗 |
200mA以下 |
顯 示 |
顯示元件 |
STN單色LCD |
| 背燈 |
綠色LED |
| LCD壽命 |
平均50,000小時(注2) |
| 顯示范圍 |
-99.9999~99.9999 |
觸 摸 盤 |
操作壓力 |
0.98N以下 |
| 壽命 |
100萬次以上 |
環 境 性 能 |
保護構造 |
IP65(IEC)、防噴流型(JIS)(初始狀態下)(注3) 僅操作盤的前面防塵和防水。(操作盤表面使用防水包裝。) |
| 周圍溫度 |
0~+40°C(注意不可結露),保存時:-20~+60°C |
| 周圍濕度 |
20~85%RH、保存時:10~85%RH |
| 雙重耐噪音 |
1,000V(P-P)以上,電源端子之間脈沖50ns和1μs |
| 靜電耐噪音 |
5,000V以上(操作盤的表面) |
| 耐振動 |
頻率:10~55Hz,雙振幅:0.75mm,X,Y,Z方向各10分鐘 |
| 耐沖擊 |
加速度:98m/s2(約10G),X,Y,Z方向各4次 |
| 重量 |
本體重量:約260g |
| 附件 |
用于連接控制器和操作盤的連接電纜:1根 |
注: 1) 無指定測量條件是指周圍溫度=+20°C時的條件。 2) 此值指正常溫度25°C下元件的平均壽命。 3) 重新安裝操作盤時,更換防水包裝。
I/O電路圖和線路圖
NPN輸出型 控制器
輸入電路
 |
端子排列
 注: 1) HL-C1C-WL為IL1:遙控互鎖輸入(檢測頭1)。 2) HL-C1C-WL為IL2:遙控互鎖輸入(檢測頭2)。 3) 不使用標有“·”的端子。有些連接至內部電路,不能作為布線的延遲端子等使用。 |
輸出電路

 |
注: 1) 請勿短路模擬輸出端子或外加電壓。 2) 模擬輸出使用防護線。 |
|
光電繼電器輸出型
輸入電路

 |
輸出電路 警告輸出、判斷輸出

|
端子排列

|
 |
注: 1) HL-C1C-M-WL為IL1:遙控互鎖輸入(檢測頭1)。 2) HL-C1C-M-WL為IL2:遙控互鎖輸入(檢測頭2)。 3) 不使用標有“·”的端子。有些連接至內部電路,不能作為布線的轉接端子等使用。 |
檢測特性(典型)
HL-C135C-BK10 擴散反射型
HL-C108□-BK HL-C108B-MK
HL-C105□-BK HL-C105B-MK
HL-C108B HL-C108F
HL-C105B HL-C105F
HL-C102A 正反射型
使用指南
| · 本產品目錄是用于選定產品的指南。使用產品前請務必閱讀產品附帶的使用說明書。 |
· 請勿將本產品作為保護人身安全的檢測裝置使用。 · 以保護人體為目的的檢測裝置,請使用符合OSHA、ANSI以及IEC等各國有關人體保護用品法律和標準的產品。
· 若非產品附帶的使用說明書中記載的操作方法,請不要采用。若采用規定以外的方法進行控制或調整,可能會受到危險的放射性激光的照射。 · 本產品貼附著各種內容的標簽。請根據標簽指示進行操作。(還附帶有英文標簽) · 符合FDA標準的型號上貼有基于FDA標準的英文標簽。
 符合FDA標準的機型上貼有基于FDA標準的英文標簽。 (傳感器包裝中附帶英文標簽。) |
HL-C108□ HL-C105□ · 本產品為JIS/IEC標準的2級激光產品。該產品存在一定危險,請勿直視激光或通過透鏡等觀察光學系統進行觀察。 · 本產品粘貼有以下內容的標簽。請依據標簽內容妥善處理。 |
 (傳感器包裝中附帶英文標簽。) |
HL-C102A · 本產品為JIS/IEC標準的1級激光產品。該產品存在一定危險,請勿通過透鏡等觀察光學系統觀察激光。 · 本產品粘貼有以下內容的標簽。請依據標簽內容妥善處理。 |
 產品中還附帶符合FDA標準的英文標簽。 (傳感器包裝中附帶英文標簽。) |
HL-C135C-BK10 · 本產品為JIS/IEC標準的3級激光產品。該產品存在一定危險,請勿觀察或接觸激光的直射光束或反射光束。 · 本產品粘貼有以下內容的標簽。請依據標簽內容妥善處理。 |
應對歐洲EMC指令的符合條件[HL-C1C(-M)-WL] |
檢測頭安裝方向 |
作為應對歐洲EMC指令的符合條件,請如下圖所示那樣,在連接端子座的接線中需裝入鐵氧體磁芯。 推薦鐵氧體磁芯:星和電機(株)制E04RC281613的同等產品竹內工業(株)制TFT-152613的同等產品 |
為了實現高精度檢測,相對于移動物體,檢測頭應如下圖所示的方向安裝。
旋轉物體 |
![應對歐洲EMC指令的符合條件[HL-C1C(-M)-WL]](/Editor/UploadFiles/products02/20081225104319353.gif) |
 臺階、凹槽和顏色差別很大的物體
 |
激光產品的安全標準
由于激光的能量密度很高,可能對眼睛、皮膚等的人體器官有害,因此在JIS及IEC標準中,規定了將激光產品按照安全性進行分級管理等方法。 HL-C108□、HL-C105□:2級激光產品 HL-C102A:1級激光產品 HL-C135C-BK10:3級B激光產品 按照JIS C 6802-2005(IEC 60825-1-2001)標準的分級 |
| 級別 |
說明 |
| 1級 |
該類激光在合理的可預見的運行條件下安全無害。 |
| 1級M |
該類激光在合理的可預見的運行條件下,發出安全的波長為302.5nm~4,000nm范圍內的光束。使用者在此類激光的光束內使用光學儀器則有危險性。 |
| 2級 |
該類激光發出波長為400 nm~700 nm范圍內的可視光,通過眨眼等保護反應(回避)可以保護眼睛。 |
| 2級M |
該類激光發出波長為400 nm~700 nm范圍內的可視光,通過眨眼等保護反應(回避)可以保護眼睛。使用者在此類激光的光束內使用光學儀器則有危險性。 |
| 3級R |
該類激光發出波長為302.5nm~106nm范圍內的光束,若直接在光束內觀察,會有潛在的危險。 |
| 3級B |
該類激光若直接在光束內觀察,始終存在危險。但通過擴散反射進行觀察,則通常是安全的。 |
| 4級 |
該類激光會引起危險的擴散反射。不僅會造成皮膚損傷,還可能引發火災。 | |
激光的安全措施
為了確保激光產品的安全使用,JIS C 6802-2005(IEC60825-1-2001)中規定了“激光產品的安全標準”。使用前請確認其內容。 使用者的預防措施(概要)JIS C 6802-2005(IEC 60825-1-2001) |
| ※激光產品的安全標準 摘自附表D.3 |
| 級別 |
1級 |
1級M |
2級 |
2級M |
3級R |
3級B |
4級 |
| 激光安全管理者 |
雖不需要,但建議在要直接觀 察激光光束的用途時需配備。 |
可視化投射時不需要。 非可視化投 射時需要。 |
需要 |
| 遙控互鎖 |
不要 |
連接于房間電路或門電路上。 |
| 鑰匙控制 |
不要 |
不使用時,請事先拔下鑰匙。 |
| 光束衰減器 |
不要 |
使用時,請避免無意中的照射。 |
| 放射標示裝置 |
不要 |
提示激光以非 可視化波長運行。 |
提示激光正在運行中。 |
| 警報標識 |
不要 |
遵照警告標簽上的預防措施 |
| 光束的光程 |
不要 |
1級M(注1)和3級B相同 |
不要 |
2級M(注2)與3級B相同 |
利用有效長度的端部, 將光束作為終端。 |
| 鏡面反射 |
無所需事項 |
1級M(注1)和3級B相同 |
無所需 事項 |
2級M(注2)與3級R相同 |
避免無目的的反射。 |
| 眼睛保護 |
無所需事項 |
無法執行技術和管理方面 的步驟,且超過MPE時需要。 |
| 防護服裝 |
無所需事項 |
有時需要需要 |
特別指示 |
| 培訓 |
無所需事項 |
1級M(注1)和3級R相同 |
無所需 事項 |
2級M(注2)與3級B相同 |
必須對所有操作人員 和保養人員進行培訓 | |
注: 1) 是無法滿足表10中條件1(參閱標準正文)的1級M激光產品。無法滿足表10中條件2(參閱標準正文)的1級M激光產品則不需要。 2) 是無法滿足表10中條件1(參閱標準正文)的2級M激光產品。無法滿足表10中條件2(參閱標準正文)的2級M激光產品則不需要。 備注: 為了方便,本表所列內容為所需事項的概要。有關完整的所需事項,請參閱標準正文。 |
關于相互干擾
| 當2個以上檢測頭靠近安裝時,如果另一個檢測頭的激光光點不落在下圖所示的陰影區域內,就不會產生相互干擾。安裝時請勿使另一個檢測頭的激光光點進入陰影區域內。2個檢測頭連接在一臺控制器上使用時,可以使用防止相互干擾功能,無需以下的措施。 |
HL-C108□
 |
HL-C105□
 |
HL-C135C-BK10
 |
各部分名稱和功能
檢測頭

|
| |
品名 |
功能 |
| 1 |
激光投光指示燈(綠色LED) |
激光投光時,或即將投光時亮起。 |
| 2 |
檢測范圍指示燈(黃色LED) |
在檢測范圍內閃爍,接近檢測中心時亮起。 |
| 3 |
警告標簽 |
提示激光投光的位置。 | |
控制器 |
| |
品名 |
功能 |
| 1 |
激光投光指示燈 (LASER)(綠色LED) |
檢測頭1或檢測頭2的激光投光時,或即將投 光時亮起。 |
| 2 |
BRIGHT指示燈 (紅色LED) |
由于檢測頭1或檢測頭2的光量過度而不能檢 測時亮起。 |
| 3 |
DARK指示燈 (紅色LED) |
由于檢測頭1或檢測頭2的光量不足而不能檢 測時亮起。 |
| 4 |
------ |
不能使用。此端口用于出廠前的調節。 |
| 5 |
COM.端口 |
用于RS-232C和計算機的通信。 |
| 6 |
小型操作盤 的連接器 |
欲使用小型操作盤顯示檢測值、或進行各種設 定時,用該連接器連接小型操作盤專用連接 電纜。 |
| 7 |
------ |
不能使用。此端口用于出廠前的調節。 |
| 8 |
檢測頭1連接器 |
控制器將連接在此連接器上的檢測頭作為檢 測頭1而動作。 |
| 9 |
檢測頭2連接器 |
控制器將連接在此連接器上的檢測頭作為檢 測頭2而動作。 |
| 10 |
電源端子 |
供給24V DC的電源。電源電壓端子在輸入端子座上。 |
| 11 |
外接輸出端子 |
------ |
| 12 |
外接輸入端子 |
------ |
| 13 |
DIN導軌安裝鉤 |
可快速安裝在35mm寬DIN導軌上。 |
| 14 |
鑰匙開關 |
鑰匙開關為ON時電源接通。不使用時請將鑰匙拔下。 | |
功能一覽表
| 功能 |
描述 |
| 數據緩沖功能 |
· 為了將檢測數據輸入電腦,可以臨時性的將最多48,000條數據暫存在控制器中。所保存的數據以后可以通過通信或智能監控器HL-C1AiM輸入電腦。此功能可用于對導入時檢測數據的確認、檢測后所有數據的讀取及保存等用途。 |
| 保持功能 |
· NORM.(無保持):實時輸出自檢測中心距離的變位量。通常使用此模式。 · P-P:對最大值和最小值的差進行保持輸出,用于振動檢測和偏心檢測。 ·PEAK:對檢測值的最大值進行保持輸出。 ·VALLEY:對檢測值的最小值進行保持輸出。 |
| 零設功能 |
· 將零設時的檢測值和模擬輸出強制置零。使用此功能將參照物體的檢測值設定為零,并檢測自該處的變位量或進行上下限的判斷。 |
計時功能 (除HL-C1C(-M)-WL外) |
· 在計時輸入的狀態,將保持進入此狀態時的判斷輸出(O1和O2)、檢測值以及模擬輸出?蓪す馔豆庠O定為停止或繼續。在檢測或判斷以外的狀態下進行輸入,可避免不必要的輸出變化或激光輻射。 |
遙控互鎖功能 (僅HL-C1C(-M)-WL) |
· 停止激光投光。遙控互鎖輸入ON時,將保持判斷輸出,檢測值或模擬輸出或者保持此前的值,或者輸出固定值。 |
| 顯示保持功能 |
· 只保持顯示在小型操作盤上的檢測值。使用此功能讀取瞬間的檢測值。 |
| 取樣率的轉換功能 |
· 如果檢測低反射率的物體如黑橡膠等,只需延長取樣周期并確保傳感器能接受到足夠的光量就能進行穩定檢測。如果取樣周期很短而且接受的光量不足,傳感器會進入警告狀態,因此必須把取樣周期轉換為更長些。取樣周期可進行7級轉換。(100μs/144μs/200μs/255μs/322μs/498μs/1,000μs) |
| 計算功能 |
· 此功能確保設備進行以下計算: <進行獨立檢測時的計算公式> L1+K1A:正常輸出狀態 L2+K2B:正常輸出狀態 L1-K1A:顛倒檢測值的極性 L2-K2B:顛倒檢測值的極性 <進行計算檢測時的計算公式> L+K(A+B):加式 L-K(A+B):檢測厚度時使用 L+K(A-B):減式,檢測高低差時使用 L-K(A-B):顛倒減式輸出的極性時使用 A:檢測頭1的檢測值 L:檢測值的偏移量 B:檢測頭2的檢測值 K:調節變位率的系數 |
| 檢測模式的轉換功能 |
· 檢測模式可根據由被測對象物所選的檢測頭,在兩 種模式(擴散反射/鏡面反射)中轉換。 擴散反射模式:檢測非鏡面或透明物時使用。 鏡面反射模式:檢測鏡面或透明物時使用。 在鏡面反射模式中,可從以下選擇檢測物體: 在鏡面反射模式中,可從以下選擇檢測物體: 標準:檢測不透明物體如金屬等的鏡面時使用。 前面:檢測透明物體如玻璃等的表面時使用。 后面: 檢測透明物體如玻璃等的后表面時使用。 檢測中心距離移位。 厚度:檢測透明物體如玻璃時使用。
折射率被修正為1.55。 玻璃等的可檢測厚度有限制。 可以檢測的玻璃等厚度有限止, 普通玻璃板的可檢測厚度大致如下: 通用型:厚度1.2mm以上 高精度型:厚度0.5mm以上。 |
 | |
| 低通濾波功能 |
· 例如,如果一金屬物體的加工表面會產生干擾正確檢測的噪音時,使用低通濾波功能可降低噪音的影響,從而就能進行穩定的變位檢測。截止頻率可從OFF或10~2,000Hz分9級進行設定。
 |
| 功能 |
描述 |
| 高通濾波功能 |
· 當檢測因旋轉物體的偏心等引起的振動或傾斜而經受大變位變化的物體內的接縫和槽縫時,此功能將減小這些波動的影響,確保接縫和槽縫的穩定檢測。截止頻率可從OFF或10~2,000Hz分9級進行設定。
 |
| 平均次數的轉換功能 |
如果檢測值發生急劇變化,那么增加平均次數的設定可以使急劇的變化被忽略,確保獲得穩定的檢測結果?梢詮腛FF~32,768次,分16級進行設定。 |
| 判斷輸出選擇功能 |
· 可從下表中選擇4種判斷輸出O1,O2(NC)。
 |
| 功能 |
描述 |
| 磁滯設定功能 |
· 可設定相對于上、下限值的任意磁滯值。 |
模擬輸出設定 功能 |
· 此功能使模擬輸出在+5V(20mA)和-5V(4mA)時的檢測值應對任意值。可用于模擬輸出的定標或使輸出放大或縮小等用途。例如,相對于70~90mm范圍內變化的檢測值,70mm時使之輸出為-5V,90mm時輸出為+5V等?梢允鼓M輸出設定為與檢測值相對應。 |
警告時的模擬 輸出轉換功能 |
· 由于光量過度或不足以及偏離檢測范圍而導致不能進行檢測(帶警告輸出)時,模擬輸出可以在保持即刻前的數據還是輸出固定值之間進行切換。當選擇輸出固定值時,可以選擇警告時輸出模擬輸出的最大值(電壓輸出:+10.9V,電流輸出:29.5mA)還是最小值(電壓輸出:-10.9V,電流輸出:0mA)。 |
| 輸入選擇功能 |
· 端子上的計時輸入信號在初始設定中設定為短路時輸入,如需根據外部輸入設備的動作規格要求,則可以通過此功能將其切換為開路時輸入。 |
| 校準功能 |
· 檢測物體的顏色、材質或表面情況可能會導致檢測值偏差。這些偏差可通過校準來彌補。校準功能允許每個檢測頭設定幅度和移位。有兩種方法設定這些值,一是移動物體進行自動設定,二是直接輸入任意值。 |
| 顯示受光功能 |
· 此功能顯示測試點上受光量的峰值。安裝檢測頭時使用此功能,可使用于檢測的受光量余度保持最適宜的程度。 |
| 保存功能 |
· 此功能可保存除計時輸入狀態和顯示保持狀態以外的所有設定數據。 |
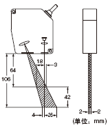
尺寸(單位:mm)
HL-C108□-BK HL-C108B-MK檢測頭 |
HL-C108B HL-C108F檢測頭 |
 |
 |
注: 1) JIS/IEC標準認證機型無光束衰減器。 2) HL-C108B-MK為13.3mm。 |
注: 1) JIS/IEC標準認證機型無光束衰減器。 2) 距離安裝基準面的尺寸。 |
HL-C105□-BK HL-C105B-MK檢測頭 |
HL-C105B HL-C105F檢測頭 |
 |
 |
注: 1) JIS/IEC標準認證機型無光束衰減器。 2) HL-C105B-MK為13.3mm。 |
注: 1) JIS/IEC標準認證機型無光束衰減器。 2) 距離安裝基準面的尺寸。 |
HL-C102A檢測頭 |
HL-C135C-BK10檢測頭 |
 |
 |
| 注: 1) 距離安裝基準面的尺寸。 |
|
HL-C1C(-M) HL-C1C(-M)-GS控制器 |
HL-C1C-WL HL-C1C-M-WL控制器 |
 |
 |
HL-C1DP□ HL-C1DP-E□小型操作盤 |
HL-C1CCJ□延長電纜 |
 |
 ·長度L
| 型號 |
L(mm) |
| HL-C1CCJ2 |
2,000 |
| HL-C1CCJ5 |
5,000 |
| HL-C1CCJ10 |
10,000 |
| HL-C1CCJ20 |
20,000 |
| HL-C1CCJ30 |
30,000 | |
|
|
|