|
|
|
產品名稱:
|
神視SF2-EH系列牢固型光幕傳感器
|
|
型 號:
|
SF2-EH系列
|
|
價 格:
|
0.00
|
|
品 牌:
|
神視
|
|
|
|
牢固型光幕傳感器
SF2-EH系列
特點:符合國際安全標準
產品特點: 全球對應
SF2-EH系列符合IEC 61496-1/2國際標準,適用于全球各個國家。 ·已獲得建立于機械指令和EMC指令基礎上的CE標志。 ·[Type4基于IEC 61496-1/2和EN 61496-1,4類控制基于EN 954-1] ·已獲得在美國和加拿大使用時所需C-UL US Listing(UL 61496-1/2)。 ·該系列設備符合OSHA(1910,212/217),ANSI(B11.1~B11.20)和ANSI/RIA 15.06規定。 |
追求安全性
使用兩個獨立CPU,彼此檢測安全狀況,裝備信息處理與輸出的雙電路,使自動防止故障設計具有高度可靠性。另外,為確保安全,還使用了FMEA※以確保安全工作。 ※FMEA: Failure Mode & Effects Analysis(故障模式和影響分析)。 |
 |
 |
無需專用控制器 |
寬區域:1,580mm×10m |
由于無需專用控制器,因此不需要額外的空間。此外,PNP輸出型可與另售的安 全繼電器組合成一個侵入檢測系統。 |
檢測區域保護高度最高達到1,580mm (80光軸信道),及10m的長檢測距離。過去要使用兩個傳感器才能覆蓋檢測領域現在只需一個傳感器即可。 |
 |
|
傳感器的串聯連接 |
多種選擇 |
使用另售的電纜(SF2-CSL□)進行串聯,最多可串聯4個傳感器,共192個光 軸。例如,若將傳感器安裝在危險部位的正面和側面,需要三套傳感器進行分 別接線,現在接線僅需一套傳感器,節省了麻煩的接線,節約了成本。 |
有13種型號的傳感器,其保護高度從 220mm(12光軸信道)~1580mm(80光軸信道)。傳感器可根據使用裝置的監控范圍進行選擇。而且,還備有PNP輸出型和NPN輸出型。 |
  |
|
無干擾
| · 最多可貼近安裝12套 |
· 開口角±2.5°以下 |
· 備有方便的狹縫透光罩 |
串聯連接或并聯連接,最多可防止4 套間的相互干擾。另外,若串聯與并 聯混合連接,最多貼近可安裝12套 (共192光軸)。 |
由于光軸開口角呈銳角(±2.5°以下), 可以減少由于墻等物體反射造成的影 響以及來自外部光線的干擾。 |
使用另售的狹縫透光罩(OS-SF2-H□), 可以控制投光和受光數量,減少來自其 它傳感器等的外部光線造成的影響。 |
 |
 |
 |
易于維護 |
堅固鋁盒 |
安裝支架便于光軸對齊 |
備有可選的正面防護罩(FC-SF2-H□), 這樣可在惡劣環境中保護傳感器的檢測 面。此外,如果正面防護罩變臟或有刮 傷可以進行更換,而無需更換傳感器。 |
所有型號都使用厚3mm的堅固鋁盒。 比原先的盒更堅固,可更放心地使用傳 感器。 |
由于使用傳感器安裝支架(MS-SF2-1)可 進行角度的調整,光軸的對齊也變得很 容易。 |
 |
 |
 |
用途
| 工作機器人周圍的保護區 |
壓床旁的安全保護 |
特殊用途機器旁的安全保護 |
 |
 |
 |
訂購指南
傳感器 傳感器不附帶匹配電纜,請另行訂購。
| 形 狀 |
檢測距離 (有效距離) |
型 號 |
光軸數 |
保護高度(mm) |
| PNP同等輸出型 |
NPN同等輸出型 |
 |
 |
SF2-EH12 |
SF2-EH12-N |
12 |
220 |
| SF2-EH16 |
SF2-EH16-N |
16 |
300 |
| SF2-EH20 |
SF2-EH20-N |
20 |
380 |
| SF2-EH24 |
SF2-EH24-N |
24 |
460 |
| SF2-EH28 |
SF2-EH28-N |
28 |
540 |
| SF2-EH32 |
SF2-EH32-N |
32 |
620 |
| SF2-EH36 |
SF2-EH36-N |
36 |
700 |
| SF2-EH40 |
SF2-EH40-N |
40 |
780 |
| SF2-EH48 |
SF2-EH48-N |
48 |
940 |
| SF2-EH56 |
SF2-EH56-N |
56 |
1,100 |
| SF2-EH64 |
SF2-EH64-N |
64 |
1,260 |
| SF2-EH72 |
SF2-EH72-N |
72 |
1,420 |
| SF2-EH80 |
SF2-EH80-N |
80 |
1,580 |
匹配電纜 傳感器不附帶匹配電纜,請另行訂購。
| 種 類 |
形 狀 |
型 號 |
說 明 |
一端帶連接 器的電纜 |
 |
SF2-CC3 |
長度:3m 重量: 約410g (雙電纜) |
8芯屏蔽電纜,一端帶連接器,每套2根 · 電纜外徑:φ6mm · 連接器外徑:最大φ 14mm · 電纜顏色: 灰色(適用于投光器)灰色帶黑線(用于受光器) · 連接器顏色: 灰色(用于投光器)黑線(用于受光器) · 最小彎曲半徑:R35mm |
| SF2-CC7 |
長度:7m 重量: 約890g (雙電纜) |
| SF2-CC10 |
長度:10m 重量: 約1.2kg (雙電纜) |
兩端均帶連 接器的電纜 |
 |
SF2-CCJ10 |
長度:10m 重量: 約1.2kg (雙電纜) |
8芯屏蔽電纜,兩端均帶連接器,每套2根 · 電纜外徑:φ6mm · 連接器外徑:最大φ 14mm ·電纜顏色: 灰色(用于投光器)灰色帶黑線(用于受光器) · 連接器顏色: 灰色(用于投光器)黑線(用于受光器) · 最小彎曲半徑:R35mm |
| 串聯電纜 |
 |
SF2-CSL02 |
長度:200mm 重量: 約150g (雙電纜) |
可串聯兩個傳感器。8芯屏蔽電纜,每套2根 · 電纜外徑:φ6mm · 連接器外徑:最大□35mm · 電纜顏色: 灰色(投光器和受光器相同) · 最小彎曲半徑:R35mm |
| SF2-CSL05 |
長度:500mm 重量: 約170g (雙電纜) |
光幕傳感器專用控制單元
| 種 類 |
形 狀 |
型 號 |
說 明 |
| 薄型控制單元 |
 |
SF-C13 |
符合最高4類控制。 |
注:1) SF-C13的詳情請參閱PDF P.88。
備用部件(傳感器附件)
| 品 名 |
型 號 |
說 明 |
傳感器 安裝支架 |
MS-SF2-1 |
1套2個用于投光器和受光器的安裝支架 |
嫁連 支撐支架 |
MS-SF2-2 |
1套2個用于投光器和受光器的安裝支架 |
| 測試桿 |
SF2-EH-TR |
標準檢測以檢測極小物體(φ 30mm) | |
| 傳感器安裝支架 |
嫁連支撐支架 |
| ·MS-SF2-1 |
·MS-SF2-2 |
 |
 |
4個支架1套 附帶8個M4六邊形 插頭螺栓(長10mm) |
每套含2個U形嫁連支撐架和L 形嫁連支撐架附帶M4六邊形 插頭螺栓(長6mm),M4六邊 形插頭螺栓(長10mm),螺母 和平墊圈各2個 | | 配件(另售)
適用 光軸 |
12光軸 |
16光軸 |
20光軸 |
24光軸 |
28光軸 |
32光軸 |
36光軸 |
40光軸 |
48光軸 |
56光軸 |
64光軸 |
72光軸 |
80光軸 |
正面防 護罩 |
型 號 |
FC- SF2- H12 |
FC- SF2- H16 |
FC- SF2- H20 |
FC- SF2- H24 |
FC- SF2- H28 |
FC- SF2- H32 |
FC- SF2- H36 |
FC- SF2- H40 |
FC- SF2- H48 |
FC- SF2- H56 |
FC- SF2- H64 |
FC- SF2- H72 |
FC- SF2- H80 |
狹縫透 光罩 |
型 號 |
OS- SF2- H12 |
OS- SF2- H16 |
OS- SF2- H20 |
OS- SF2- H24 |
OS- SF2- H28 |
OS- SF2- H32 |
OS- SF2- H36 |
OS- SF2- H40 |
OS- SF2- H48 |
OS- SF2- H56 |
OS- SF2- H64 |
OS- SF2- H72 |
OS- SF2- H80 |
正面保 護支架 |
型 號 |
MC- SF2EH- 12 |
MC- SF2EH- 16 |
MC- SF2EH- 20 |
MC- SF2EH- 24 |
MC- SF2EH- 28 |
MC- SF2EH- 32 |
MC- SF2EH- 36 |
MC- SF2EH- 40 |
MC- SF2EH- 48 |
MC- SF2EH- 56 |
MC- SF2EH- 64 |
MC- SF2EH- 72 |
MC- SF2EH- 80 |
注:以上型號僅為單件而非成套部件。
正面防護罩 ·FC-SF2-H□ |
狹縫透光罩 ·OS-SF2-H□ |
正面保護支架 ·MC-SF2EH-□ |
激光光軸對齊器 ·SF-LAT-2E |
| 保護前端透鏡。 |
狹縫透光罩可限制投光或受光量,因而減少附近傳感器的干擾。它同樣適用于穿透檢測物體的光線強度太強的情況,但使用狹縫透光罩后,檢測距離會減少。 |
保護檢測表面免受外物撞擊的破壞。 |
采用可見激光光軸,以方便進 行光軸對齊。 |
 |
 |
 |
 |
檢測距離 · 正面防護罩在投光側:0.3~8.5m · 正面防護罩在受光側:0.3~8.5m · 正面防護罩在兩側:0.3~8m |
檢測距離 · 狹縫透光罩在投光側:0.3~4m · 狹縫透光罩在受光側:0.3~5m · 狹縫透光罩在兩側:0.3~2m | 技術信息: 規格
| 項目 |
光軸數 |
12 |
16 |
20 |
24 |
28 |
32 |
36 |
40 |
48 |
56 |
64 |
72 |
80 |
PNP 同等輸出型 |
SF2- EH12 |
SF2- EH16 |
SF2- EH20 |
SF2- EH24 |
SF2- EH28 |
SF2- EH32 |
SF2- EH36 |
SF2- EH40 |
SF2- EH48 |
SF2- EH56 |
SF2- EH64 |
SF2- EH72 |
SF2- EH80 |
NPN 同等輸出型 |
SF2- EH1 2-N |
SF2- EH1 6-N |
SF2- EH2 0-N |
SF2- EH2 4-N |
SF2- EH2 8-N |
SF2- EH3 2-N |
SF2- EH3 6-N |
SF2- EH4 0-N |
SF2- EH4 8-N |
SF2- EH5 6-N |
SF2 -EH6 4-N |
SF2 -EH7 2-N |
SF2- EH 80-N |
| 保護高度 |
220 mm |
300 mm |
380 mm |
460 mm |
540 mm |
620 mm |
700 mm |
780 mm |
940
mm |
1,100 mm |
1,260
mm |
1,420 mm |
1,580 mm |
檢測距離 (有效距離)SS |
0.3~10m |
| 光軸間距 |
20mm |
| 檢測物體 |
φ 30mm以上的不透明體 |
| 有效開口角 |
±2.5°以下[檢測距離超過3m(符合IEC 6496-2/UL 61496-2)] |
| 電源電壓 |
24V DC±15% |
| 消耗電流 |
200mA以下 |
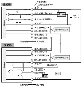
控制輸出 (OSSD 1, OSSD 2) (注1) |
< PNP同等輸出型> 半導 體輸出(PNP同等輸出型)2個輸出 ·最大源電流:300mA ·外加電壓:同電源電壓(輸出和+V間) ·剩余電壓:2.5V以下(源電流為300mA時) |
< NPN同等輸出型> 半導 體輸出(NPN同等輸出型)2個輸出 ·最大流入電流:300mA ·外加電壓:同電源電壓(控制輸出和0V之間) ·剩余電壓:2V以下(流入電流為300mA時) |
| |
輸出工作 |
所有光軸入光時ON/有一個以上光軸遮光時OFF(傳感器或同步信號有故障時OFF) |
| |
短路保護 |
裝 備 |
| 反應時間 |
OFF時:15ms以下,ON時:20ms以下 |
| 指示燈 |
投光器 |
投光指示燈(EMISSION):綠色LED(正常投光時亮起) 投光停止指示燈(HALT):橙色LED(投光停止時亮起) 錯誤指示燈(FAULT):黃色LED(傳感器出錯時亮起或閃爍) |
| 受光器 |
OSSD ON指示燈(ON):綠色LED(控制輸出(OSSD)為ON時亮起) OSSD OFF指示燈(OFF):紅色LED(控制輸出(OSSD)為OFF亮起) 入光指示燈(RECEPTION):綠色/紅色LED[紅色燈亮起的強度與參照信道的(從電纜側起第二個光軸)入光量成比 例,綠色燈亮起表明收到所有光軸] 錯誤指示燈(FAULT):黃色LED(傳感器錯誤時亮起或閃爍) |
| 投光停止功能 |
裝 備 |
| 防干擾功能 |
裝 備 串聯連接時:最多4套,總計最多192光軸 并聯連接時:最多4套,總計最多192光軸 串聯和并聯混合連接:最多12套,總計最多192光軸 |
| 環境性能 |
保護構造 |
IP65(IEC) |
| 周圍溫度 |
-10~+55°C (注意不可結露、結冰),存儲:-25~+70°C |
| 周圍濕度 |
30~85%RH,存儲:30~95%RH |
| 周圍照明度 |
白熾燈:受光面照明度3,500Rx |
| 耐電壓 |
AC1,000V 1分鐘,所有電源連接端子與外殼之間 |
| 絕緣電阻 |
所有電源連接端子與外殼之間,20MΩ以上,基于DC500V的高阻表 |
| 耐振動 |
頻率;10~55Hz,雙振幅:0.75mm,X,Y和Z各方向2小時 |
| 耐沖擊 |
加速度300m/s2(約30G),X,Y和Z各方向3次 |
| 投光二極體 |
紅外線LED(投光波峰波長:870nm) |
| 材質 |
外殼:鋁,帽:ABS |
| 電纜 |
8芯屏蔽電纜(0.3mm2×4芯,0.2mm2×4芯),長0.5m,一端帶連接器 ※ 請與另售匹配電纜配套使用 |
電纜延長 重量(含投 |
用另售匹配電纜全長可延長至27m,用于投光器和受光器 |
重量(含投光器 和受光器) |
約 1.1kg |
約 1.3kg |
約 1.5kg |
約 1.7kg |
約 1.9kg |
約 2.2kg |
約 2.4kg |
約 2.6kg |
約3.1kg |
約 3.5kg |
約 4.0kg |
約 4.4kg |
約 4.9kg |
| 附件 |
MS-SF2-1(傳感器安裝支架):1套用于投光器和受光器,MS-SF2-2(嫁連支撐支架):(注2), SF2-EH-TR(測試桿):1個 |
注: 1) OSSD表示“Output Signal Switching Device”。 2) 有24個以上光軸的傳感器附帶MS-SF2-2(嫁連支撐支架)。根據以下不同的傳感器,隨附的嫁連支撐支架數量不同。 SF2-EH24(-N),SF2-EH28(-N),SF2-EH32(-N),SF2-EH36(-N),SF2-EH40(-N),SF2-EH48(-N),SF2-EH56(-N):1套 SF2-EH64(-N),SF2-EH72(-N),SF2-EH80(-N):2套 3) 在未指定的測量條件下,周圍溫度=+20℃。
I/O電路圖和線路圖
NPN同等輸出型
PNP同等輸出型
使用指南
參照使用本裝置地區的相應規格。另外,確保采取所有必要措施以避免由于接地錯誤而可能引起的危險操作錯誤。
· 請確認在電源關閉狀態下進行接線。 · 請確認電源電壓在額定范圍內變化。 · 如果電源是由商用開關調節器提供,請確保電源機架接地端子(F.G.)接地。 · 如果在該產品附近使用產生噪音的設備(開關調節器、轉換發動機等),請將設備機架接地端子(F.G.)接地。 · 請勿將電線與高壓線或電源線一起或在同一管線內運行線路,這可能會由于感應而引起故障。
· 電源接通后的短時間(0.5秒)內,請勿使用。 · 避免灰塵、污垢和水蒸氣。 · 請勿將傳感器與水、油、油脂或有機溶液,如稀釋劑等直接接觸。 · 請勿將傳感器直接暴露于快速啟動燈或高頻照明設備的熒光燈下,這樣會影響檢測性能。
· 在“PSDI模式”下,本裝置不可以作為起動裝置使用。 · 在美國使用本產品時,請參照OSHA 1910.212和OSHA 1910.217。在歐洲使用時,請參閱EN999。安裝本產品前,請遵守國家及地方要求。
| · 本目錄指導您選擇合適的產品。使用產品前請參閱產品附帶的使用說明書。 | ·正常使用前務必測試運行。 · 該安全系統僅用于通過緊急停止部件或切斷電源立即可停止危險部件工作的機器。切勿使用工作循環中不可停止的機器系統。
· 安裝機器時,確保人體必須完全通過檢測區才能到達機器危險處。如果未檢測到人體會導致重傷甚至死亡。 ·請勿使用任何反射型或回歸反射型設備。
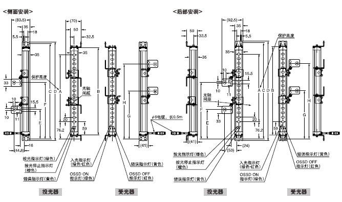
尺寸(單位:mm)
SF2-EH□(-N) 傳感器
| 傳感器安裝支架與嫁連支撐支架的安裝圖。 |
 |
|
|
| 相對于安裝面朝傳感器方向的角度調整范圍為±15。 |
 |
 |
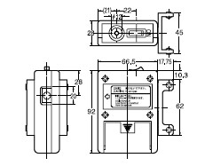
MS-SF2-1 傳感器安裝支架(附件) |
注: 相對于安裝面朝傳感器水平方向的角度調整范圍為±15°。 |
SF-LAT-2E 激光光軸對齊器(另售) |
 |
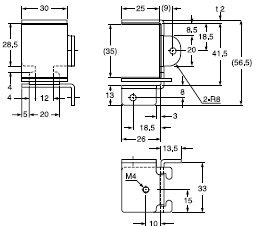
MS-SF2-2 嫁連支撐支架(附件) |
|
|
|
 |
 |
材質: 冷軋碳鋼(SPCC) (單面鍍鉻) [1套U型嫁連支撐支架和2個L型嫁連支撐支架各2個 附帶2個M4六邊形插頭螺栓(長6mm),2個M4六邊形插頭 螺栓(長10mm),2個螺母和2個平墊圈。] |
材質: 冷軋碳鋼(SPCC) (單面鍍鉻) | |
注: 有24個以上光軸的傳感器附帶MS-SF2-2(嫁連支撐支架)。 MS-SF2-2(嫁連支撐支架)附帶于以下傳感器上,數目隨之變化。 SF2-EH24(-N),SF2-EH28(-N),SF2-EH32(-N),SF2-EH36(-N),SF2-EH40(-N),SF2-EH48(-N),SF2-EH56(-N):1套 SF2-EH64(-N),SF2-EH72(-N),SF2-EH80(-N):2套 |
MC-SF2EH-□ 正面保護支架(另售) |
| 型 號 |
A |
J |
MC-SF2EH-12
|
220 |
322 |
MC-SF2EH-16
|
300 |
402 |
MC-SF2EH-20
|
380 |
482 |
MC-SF2EH-24
|
460 |
562 |
MC-SF2EH-28
|
540 |
642 |
MC-SF2EH-32
|
620 |
722 |
MC-SF2EH-36
|
700 |
802 |
MC-SF2EH-40
|
780 |
882 |
MC-SF2EH-48
|
940 |
1,042 |
MC-SF2EH-56
|
1,100 |
1,202 |
MC-SF2EH-64
|
1,260 |
1,362 |
MC-SF2EH-72
|
1,420 |
1,522 |
| MC-SF2EH-80 |
1,580 |
1,682 | 注: 用于保護棒的嫁連支撐支架是40個以上光軸部件的附件。在需要大量棒彎曲時使用。 |
 | |
|
|
|
|