|
|
|
產品名稱:
|
神視SF2B系列光幕傳感器
|
|
型 號:
|
SF2B系列
|
|
價 格:
|
0.00
|
|
品 牌:
|
神視
|
|
|
|
光幕傳感器[Type2]
SF2B系列
特點:卓越的基本性能、合理的價格, 更符合國際標準的安全對策。
產品特點:
通過適當的成本實現國際基準的安全設計… 區域傳感器時代跨入光幕傳感器時代
 |
SUNX提議使用應對風險等級的最佳設備,同時考慮安全設計和成本平衡兩方面。 國際基準的安全設計 適當的成本 |
應對風險等級的安全解決方案——類型2&類型4對于不會產生重傷及死亡事故危險的設備來說,國際基準的安全設計就沒有必要了嗎?另外,對會產生重傷及死亡事故危險的設備和僅僅會產生擦傷危險的設備來說,所需要的安全設計一樣嗎? 國際基準中實施風險評估的基礎上,認定設備的危險源,并執行適應風險大小的安全設計,力求將風險降至最低。 SUNX為了構造應對風險等級的安全設計,提出基于國際安全規格的“類型2”和“類型4”2種光幕傳感器。
全球備齊安全相關法規需要應對風險等級的安全設計。
| 工作環境中的“安全”是指每個人在工作中所需要的環境以及廠商和設備對于這些人員的安全保障。風險評估是安全設計實施的必要部分。風險評估將遵循諸如“人為失誤”,“設備故障”等的國際標準準則。“風險評估”是評定風險和針對風險等級采取相應安全措施的步驟。對于安全設計其起點是需要考慮所有的風險,然后按照風險優先順序,針對這些風險而采取相應的措施。 |
安全設計相關的法規在全世界內正在發展 安全設計思想包括在基于全世界正在使用的ISO/IEC上的業界規格內。

|
根據風險評估作出的風險診斷以光幕傳感器為首的安全控制系統通過基于ISO 13849-1(JIS B9705-1)的風險診斷進行選擇,如下所示。 
小型·長距離死角為“零”。不僅適合國際安全規格,而且實現了優良的基本性能。適合國際安全規格IEC 61496(類型2)從貼近·省空間安裝的小型機械,到長距離·寬區域的大型設備,能對應各種應用軟件,實現使用方便的優良性能。SF2B系列能幫你輕松的實現安全對策,并且幫你在身邊創造安全環境。

死角為“零”<新提案>
本體長度=保護高度,因此可高效安裝。 實現無死角的檢測區域。串聯連接時,光幕傳感器之間的接縫處,不會因死角而產生危險的開口部。可實現更簡單且緊湊的裝置。

根據需要可作不同的調節
備有保護高度168mm~1,912mm的豐富的調節范圍。 根據最小檢測物體的大小不同,備有2種類型,并且通過在光幕傳感器上連接串聯連接專用輔助傳感器(另售),最多可串聯連接3套(合計光軸數最多128根。但是SF2B-A□串聯連接2套時是96光軸,串 聯連接3套時是64光軸)。 |
Arm/Foot型 SF2B-A□ 最小檢測物體φ47mm (光軸間距40mm) |
Hand型 SF2B-H□ 最小檢測物體φ27mm (光軸間距20mm)
|
 |
 | |
光幕傳感器上連接串聯連接專用輔助傳感器時可串聯連接。
· 光幕傳感器和串聯連接專用輔助傳感器(另售)是不同型號。串聯連接時,請務必使用另售的串聯連接專用輔助傳感器和串聯連接用電纜。 · SF2B-H8-□和SF2B-A4-□,不可直接連接。詳情請參閱“使用指南”(PDF P.72~)的使用說明。
 |
Hand型和Arm/Foot型也可混在一起。
 |
外亂光·相互干擾,還有煙霧… 即使在惡劣環境下也能發揮非常可靠的性能。
 |

減少接縫的無縫構造防止油霧及灰塵進入 用筒狀的內盒保護內部組件。盡可能消除了油霧及灰塵等的進入口、組件及透鏡面等的縫隙(接縫)。 [保護構造是IP65(IEC)。] |
保護光幕傳感器并防止故障
保護檢測面的前面保護罩 即使將光幕傳感器設置在油漬及焊接飛濺等惡劣環境中也可保護檢測面。(另售)
 |
國際安全規格的干擾對策 縮小光芒,減少干擾 國際安全規格IEC 61496-2中指出為了提高光幕傳感器的耐干擾性能,如果光的開口角使用類型2,規定角度縮小為±5°(L>3m)以下。
 |
繼承了在以前的光幕傳感器的實際業績上證實了的先進的※ ELCA機能。抑制相互干擾·外亂光的影響。※ Extraneous Light Check & Avoid
沒有防干擾線,減少相互干擾 自動轉換光幕傳感器的掃描同步裝置,減少相互干擾。
 |
減少外亂光引起的誤動作 基于雙掃描方式、重試處理等SUNX獨有的新功能,減少來自周邊設備的瞬間外亂光影響。
 |
從啟動到保護·維護追求便利性。
一眼即可確認入光位置的光軸對齊指示燈 光軸對齊指示燈將光幕傳感器的光軸分成4等份顯示。作為光軸對齊的基準的最下端(或,最上端)的光軸對齊時,LED呈紅色閃爍。然后,光軸對齊的部分依次亮紅燈,如果所有光軸入光則所有LED亮綠燈。而且如果入光量十分充足,再加上亮起的穩定入光指示燈(STB.),可更穩定地進行設置。
 |
在設備接入電源前可調整光軸 光軸調整器SF-LAT-2B(另售)采用易見的激光光點光軸可快速進行光軸調整。因為這是用干電池工作的,所以可以在光幕傳感器接入電源前進行調整。
 |
準備舊光幕傳感器的互換電纜和互換安裝支架從現在使用中的光幕傳感器SF2-A系列,SF2-N系列及區域傳感器NA40系列,SF1-N系列進行調換時,準備了能簡單交換接線的互換電纜及互換安裝支架(注1)。安裝孔及控制電路側的匹配電纜可以繼續使用。由于無需舊產品的維修零件,可將注冊號碼全部統一為SF2B系列。 注:1)關于與其他的光幕傳感器·區域傳感器的調換,記載于另外資料。請與我們聯系。
|
一眼即可確認錯誤內容!裝備數字錯誤指示燈時常檢光幕傳感器的電纜誤接線·斷線·短路及內部電路異常和異常入光等。萬一發生問題時,也能通過數字指示告知錯誤內容。無需像以前那樣費時間去數LED的閃爍次數,一眼即可確認錯誤內容,如果設備啟動時發生問題和進行維護,通過電話等即可順利進行技術支持。 |
<便利性> 根據傳達錯誤號碼 通過電話順利進行技術支持 |
 |
 | |
· 通過人體保護用途從區域傳感器進行調換時,為了使設計符合國際安全規格,必須實施設備的風險評估,結合光幕傳感器的類型制定出控制電路的安全設計。 · 將SF2B系列和區域傳感器調換時,投光器和受光器之間就會與光同步,因此檢測距離縮短到0.2~5m,另外,ELCA功能無效。
國際基準的安全設計SF2B系列是以符合國際安全規格IEC 61496的類型2為準則的安全設計,且被第三方認證機關認證。 ·電路異常時,將光幕傳感器設置成鎖定狀態,關閉OSSD(控制輸出)和警報輸出。 ·進行輸出電路的檢查且輸出晶體管短路時也設置成鎖定狀態。 ·通過測試輸入引起的自我判斷,進行雙重投光、投光量等的詳細部分的檢查。
 |
※區域傳感器和光幕傳感器的安全設計上的區別 類型2光幕傳感器和區域傳感器上,傳感器異常時,是否進行OFF工作的可靠性大不一樣。
 |
滿足國際基準的安全電路設計風險評估時,滿足種類2的系統如下所示。 【種類2的要求事項】● 使用可靠性高的零部件 ●系統在適當的間隔里進行檢查
可以選擇的安全電路光幕傳感器本體上內置外部設備的監控功能(繼電器焊接監視等)。對于未使用安全繼電器組件的光幕傳感器,有助于在其周邊形成安全電路,從而降低部件成本、減小控制盤體積。另外,由于使用連接器連接控制組件,也可選擇簡單構筑、簡單施工安全電路的方法。
將實現安全電路的簡單構造-簡單施工的連接器連接控制組件排在一條直線上將適合國際安全規格的光幕傳感器的周邊電路集中到一臺上。減少構筑電路的時間。 |
SF-C11 |
●單觸連接
 與光幕傳感器的接線是單觸連接。縮短了施工和交換時間。 |
●無需設定扭矩的簡單施工
 進行光幕傳感器以外的接線的端子座采用彈觸式。無需設定端子的緊固扭矩。 |
●采用分離式端子座,減少維護工作量
 采用分離式端子座。維護時無需重新接線。 |
細長設計 實現了厚度22.5mm。即使在盤內僅有的空間里也能安裝。 |
 |
商品構成
訂購指南
| 種類 |
形狀 |
檢測距離(注1) (有效距離) |
型號 |
光軸數 |
保護高度 |
| NPN輸出型 |
PNP輸出型 |
| Hand型 |
最小 檢測 物體 f27A (20A間距) |
 |
0.2~13m 互換光纜 使用SF2B-CB05-B 時:0.2~5m |
SF2B-H8-N(注2) |
SF2B-H8-P(注2) |
8 |
168 |
| SF2B-H12-N |
SF2B-H12-P |
12 |
232 |
| SF2B-H16-N |
SF2B-H16-P |
16 |
312 |
| SF2B-H20-N |
SF2B-H20-P |
20 |
392 |
| SF2B-H24-N |
SF2B-H24-P |
24 |
472 |
| SF2B-H28-N |
SF2B-H28-P |
28 |
552 |
| SF2B-H32-N |
SF2B-H32-P |
32 |
632 |
| SF2B-H36-N |
SF2B-H36-P |
36 |
712 |
| SF2B-H40-N |
SF2B-H40-P |
40 |
792 |
| SF2B-H48-N |
SF2B-H48-P |
48 |
952 |
| SF2B-H56-N |
SF2B-H56-P |
56 |
1,112 |
| SF2B-H64-N |
SF2B-H64-P |
64 |
1,272 |
| SF2B-H72-N |
SF2B-H72-P |
72 |
1,432 |
| SF2B-H80-N |
SF2B-H80-P |
80 |
1,592 |
| SF2B-H88-N |
SF2B-H88-P |
88 |
1,752 |
| SF2B-H96-N |
SF2B-H96-P |
96 |
1,912 |
| Arm/Foot型 |
最小 檢測 物體 φ 47 A( 40 A 間距) |
 |
0.2~13m 互換光纜 使用SF2B-CB05-B 時:0.2~5m |
SF2B-A4-N(注2) |
SF2B-A4-P(注2) |
4 |
168 |
| SF2B-A6-N |
SF2B-A6-P |
6 |
232 |
| SF2B-A8-N |
SF2B-A8-P |
8 |
312 |
| SF2B-A10-N |
SF2B-A10-P |
10 |
392 |
| SF2B-A12-N |
SF2B-A12-P |
12 |
472 |
| SF2B-A14-N |
SF2B-A14-P |
14 |
552 |
| SF2B-A16-N |
SF2B-A16-P |
16 |
632 |
| SF2B-A18-N |
SF2B-A18-P |
18 |
712 |
| SF2B-A20-N |
SF2B-A20-P |
20 |
792 |
| SF2B-A24-N |
SF2B-A24-P |
24 |
952 |
| SF2B-A28-N |
SF2B-A28-P |
28 |
1,112 |
| SF2B-A32-N |
SF2B-A32-P |
32 |
1,272 |
| SF2B-A36-N |
SF2B-A36-P |
36 |
1,432 |
| SF2B-A40-N |
SF2B-A40-P |
40 |
1,592 |
| SF2B-A44-N |
SF2B-A44-P |
44 |
1,752 |
| SF2B-A48-N |
SF2B-A48-P |
48 |
1,912 | 注:1) 檢測距離是指投光器和受光器的可設定范圍。檢測的物體的檢測值也可為0.2m以下。
| 品名 |
形狀 |
型號 |
說明 |
| 標準安裝支架 |
 |
MS-SF2B-1 |
用于光幕傳感器背面及側面安裝 用的安裝支架。 (4個投光器和受光器用1套) |
| 無死角安裝支架 |
 |
MS-SF2B-3 |
安裝支架不必溢出保護高度(光幕 傳感器長度),可安裝光幕傳感器。 (4個投光器和受光器用1套) |
| 互換安裝支架 |
SF2-A/ SF2-N用 |
背面、側面安裝用 |
 |
MS-SF2B-5 |
SF2-A/SF2-N系列的調換時使用。 (4個投光器和受光器用1套) |
SF1-N/ NA40用 |
背面安裝用 |
 |
MS-SF2B-4 |
使用傳感器安裝支架 MS-SF1-1/MS-NA40-1的SF1-N/ NA40系列的調換時使用。 (4個投光器和受光器用1套) |
| NA40用 |
側面安裝用 |
 |
MS-SF2B-6 |
側面安裝(直接安裝)的NA40系列 的調換時使用。 (4個投光器和受光器用1套) |
| SF1-N用 |
側面安裝用 |
 |
MS-SF2B-7 |
側面安裝(直接安裝)的SF1-N系列 的調換時使用。 (4個投光器和受光器用1套) |
| MS-SF2B-1 |
MS-SF2B-3 |
MS-SF2B-5 |
 |
 |
 |
| MS-SF2B-6 |
MS-SF2B-7 |
MS-SF2B-4 |
 |
 |
 |
| 種類 |
形狀 |
型號 |
說明 |
8 芯 電 纜 |
3 底帽 電纜 |
散 裝 線 |
 |
SF2B-CCB3 |
電纜長3m 主體重量約370g(2根) |
連接到光幕傳感器主體,接線或連接到控制組件SF-C13時使用。2根投光器和受光器用1套,電纜外徑:f6mm 電纜顏色:投光器用是灰色, 受光器用是灰色(帶黑線) 最小彎曲半徑:R6mm |
| SF2B-CCB7 |
電纜長7m 主體重量約820g(2根) |
| SF2B-CCB10 |
電纜長10m 主體重量約1,160g(2根) |
| SF2B-CCB15 |
電纜長15m 主體重量約1,720g(2根) |
連 接 器 |
 |
SF2B-CB05 |
電纜長0.5m 主體重量約95g(2根) |
連接到光幕傳感器主體,連接到延長用電纜或控制組件SF-C11時使用。 2根投光器和受光器用1套,電纜外徑:f6mm 連接器最大外徑:f14mm 電纜顏色:投光器用灰色,受光器用灰色(帶黑線) 連接器顏色:投光器用灰色,受光器用黑色 最小彎曲半徑:R6mm |
| SF2B-CB5 |
電纜長5m 主體重量約620g(2根) |
| SF2B-CB10 |
電纜長10m 主體重量約1,200g(2根) |
4 延長 用電纜 |
散 裝 線 |
 |
SFB-CC3 |
電纜長3m 主體重量約380g(2根) |
電纜延長或連接到控制組件SF-C13時使用。 2根投光器和受光器用1套,電纜外徑:f6mm 連接器最大外徑:f14mm 電纜顏色:投光器用灰色,受光器用灰色(帶黑線) 最小彎曲半徑:R6mm |
| SFB-CC10 |
電纜長10m 主體重量約1,200g(2根) |
兩 端 均 帶 連 接 器 |
投 光 器 用 |
 |
SFB-CCJ10E |
電纜長10m 主體重量580g(1根) |
電纜延長或連接到控制組件SF-C11時使用。 投光器和受光器用各1根,電纜外徑:f6mm 連接器最大外徑:f14mm 電纜顏色:投光器用灰色,受光器用灰色(帶黑線) 連接器顏色:投光器用灰色,受光器用黑色 最小彎曲半徑:R6mm |
受 光 器 用 |
SFB-CCJ10D |
電纜長10m 主體重量600g(1根) |
3 互換 電纜 (底帽電纜) |
SF2-A/ SF2-N用 |
 ※關于互換電纜的接線,請與我們聯系。 |
SF2B-CB05-A |
電纜長0.5m 主體重量95g(2根) |
SF2-A/SF2-N系列調換時使用。可直接連接到帶連接器的電纜SF2N-CC□,順利調換到SF2B系列。 2根投光器和受光器用1套,電纜外徑:f6mm 連接器最大外徑:f14mm 電纜顏色:投光器用灰色,受光器用灰色(帶黑線) 連接器顏色:投光器用灰色,受光器用黑色 最小彎曲半徑:R6mm |
4 芯 電 纜 |
SF1-N/ NA40用 |
SF2B-CB05-B |
電纜長0.5m 主體重量95g(2根) |
SF1-N/NA40系列調換時使用。可直接連接到SF1-CC□/NA40-CC□,順利調換到SF2B系列。2根投光器和受光器用1套,電纜外徑:f6mm 連接器最大外徑:f14mm 電纜顏色:投光器用灰色, 受光器用灰色(帶黑線) 連接器顏色:投光器用灰色,受光器用黑色 最小彎曲半徑:R6mm |
| 5串聯連接用電纜 |
 ※和串聯連接專用輔助傳感器一起使用 |
SF2B-CSL01 |
電纜長0.1m 主體重量70g(2根) |
串聯連接光幕傳感器和串聯連接專用輔助傳感器時使用。2根投光器和受光器用1套(投光器和受光器用相同) 電纜外徑:f6mm 電纜顏色:灰色(投光器和受光器用相同) 最小彎曲半徑:R6mm |
| SF2B-CSL05 |
電纜長0.5m 主體重量120g(2根) |
將其他光幕傳感器或區域傳感器調換成SF2B系列的功能。調換對象機種不同,所使用的底帽電纜和安裝支架也不同。實際的接線和安裝等, 請參閱使用說明書。
| 調換機種 |
互換電纜 |
互換支架 |
變更說明和注意點 |
SF2-A/SF2-N 系列 |
SF2B-CB05-A |
MS-SF2B-5 |
• NPN輸出型:將屏蔽電線連接到+V。PNP輸出型:將屏蔽連接到0V。 • 已經存在的匹配電纜SF2N-CC□(另售)可繼續使用。 • 不能使用防干擾功能(并聯連接)。 |
| SF1-N系列 |
SF2B-CB05-B |
使用MS-SF1-1時:MS-SF2B-4, 直接安裝時:MS-SF2B-7 |
• 投光器:同步電線變更為防干擾線。受光器:同步電線變更為控制輸出(OSSD1)。 • 已經存在的匹配電纜SF1-CC□A(另售)可繼續使用。 • 不能使用投光器的光軸對齊指示燈。 |
| NA40系列 |
SF2B-CB05-B |
使用MS-NA40-1時:MS-SF2B-4, 直接安裝時:MS-SF2B-6 |
• 備有控制輸出(OSSD2),而不是自我診斷輸出。 • 不能使用投光停止功能。 • 已經存在的匹配電纜NA40-CC□(另售)可繼續使用。 • NA40-CC□(另售)的周圍溫度是-10~+50°C。 |
| 種類 |
形狀 |
檢測距離(注1) (有效距離) |
型號 |
光軸數 |
保護高度 (mm)(注4) |
消耗電流 (注5) |
H a n d 型 |
最 小 檢 測 物 體 φ 27 A (間 距 為 20 A) |
 |
0.2~13m (光幕傳感器側互換電纜使用SF2B-CB05-B時:0.2~5m) |
SF2B-H8SL(注2) |
8 |
168 |
投光器:20mA以下 受光器:25mA以下 |
| SF2B-H12SL |
12 |
232 |
| SF2B-H16SL |
16 |
312 |
投光器:20mA以下 受光器:35mA以下 |
| SF2B-H20SL |
20 |
392 |
| SF2B-H24SL |
24 |
472 |
投光器:30mA以下 受光器:45mA以下 |
| SF2B-H28SL |
28 |
552 |
| SF2B-H32SL |
32 |
632 |
投光器:30mA以下 受光器:55mA以下 |
| SF2B-H36SL |
36 |
712 |
| SF2B-H40SL |
40 |
792 |
投光器:40mA以下 受光器:65mA以下 |
| SF2B-H48SL |
48 |
952 |
| SF2B-H56SL |
56 |
1,112 |
投光器:45mA以下 受光器:85mA以下 |
| SF2B-H64SL |
64 |
1,272 |
| SF2B-H72SL |
72
|
1,432 |
投光器:50mA以下 受光器:105mA以下 |
| SF2B-H80SL |
80 |
1,592 |
| SF2B-H88SL |
88 |
1,752 |
投光器:60mA以下 受光器:125mA以下 |
| SF2B-H96SL |
96 |
1,912 |
A r m / F o o t型 |
最 小 檢 測 物 體 φ 47 A (間 距 40 A) |
 |
0.2~13m (光幕傳感器側互換電纜使用SF2B-CB05-B時:0.2~5m) |
SF2B-A4SL(注2)
|
4 |
168 |
投光器:15mA以下 受光器:20mA以下 |
| SF2B-A6SL |
6 |
232 |
| SF2B-A8SL |
8 |
312 |
投光器:15mA以下 受光器:25mA以下 |
| SF2B-A10SL |
10 |
392 |
| SF2B-A12SL |
12 |
472 |
投光器:20mA以下 受光器:30mA以下 |
| SF2B-A14SL |
14 |
552 |
| SF2B-A16SL |
16 |
632 |
投光器:20mA以下 受光器:35mA以下 |
| SF2B-A18SL |
18 |
712 |
| SF2B-A20SL |
20 |
792 |
投光器:25mA以下 受光器:40mA以下 |
| SF2B-A24SL |
24 |
952 |
| SF2B-A28SL |
28 |
1,112 |
投光器:25mA以下 受光器:50mA以下 |
| SF2B-A32SL |
32 |
1,272 |
| SF2B-A36SL |
36 |
1,432 |
投光器:30mA以下 受光器:60mA以下 |
| SF2B-A40SL |
40 |
1,592 |
| SF2B-A44SL |
44 |
1,752 |
投光器:35mA以下 受光器:70mA以下 |
| SF2B-A48SL |
48 |
1,912 | 注: 1) 檢測距離是指投光器和受光器的可設定范圍。檢測物體的檢測值也可為0.2m以下。 2) SF2B-H8SL和SF2B-A4SL沒有備有串聯連接用連接器。3套串聯連接時,中間的位置不能使用。關于詳情,請參閱使用指南(PDF P.72)。 3) 串聯連接專用輔助傳感器的規格,消耗電流除外,與光幕傳感器相同。但是沒有備有輸出。
配件(另售)
| 品名 |
形狀 |
型號 |
說明 |
嫁連支撐支架 |
嫁連支撐支架 (注1) |
 |
MS-SF2B-2 |
使光幕傳感器固定在中間位置的安裝支架。可安裝在光幕傳感器的背面及側面。 |
MS-SF2B-2 <背面安裝時>
 <側面安裝時>
 |
| 測試桿φ 27 |
 |
SF2B-TR27 |
日常檢查用最小檢測物體(φ 27mm), Hand型(最小檢測物體φ 27mm用) | 注: 1)根據產品的不同,需要的套數也不一樣。詳情請參閱PDF P.78外形尺寸圖。
| 品名 |
形狀 |
型號 |
適用電纜 |
說明 |
連接器連接 控制組件 |
 |
SF-C11 |
SF2B-CB□ SFB-CCJ10□ |
用帶8芯連接器的電纜與光幕傳感器連接。 可對應到控制種類4(與SF2B系列的配套是控制種類2)。 |
薄型 控制組件 |
 |
SF-C13 |
SF2B-CB□ SFB-CCJ10□ |
用帶8芯連接器的電纜與光幕傳感器連接。 可對應到控制種類4(與SF2B系列的配套是控制種類2)。 |
| 適用光軸數 |
前面保護罩 |
隅角鏡 |
| Hand |
Arm/Foot |
型號 |
有效反射面 |
| 8 |
4 |
FC-SF2BH-8 |
RF-SFBH-8 |
173×72mm |
| 12 |
6 |
FC-SF2BH-12 |
RF-SFBH-12 |
236×72mm |
| 16 |
8 |
FC-SF2BH-16 |
RF-SFBH-16 |
316×72mm |
| 20 |
10 |
FC-SF2BH-20 |
RF-SFBH-20 |
396×72mm |
| 24 |
12 |
FC-SF2BH-24 |
RF-SFBH-24 |
476×72mm |
| 28 |
14 |
FC-SF2BH-28 |
RF-SFBH-28 |
556×72mm |
| 32 |
16 |
FC-SF2BH-32 |
RF-SFBH-32 |
636×72mm |
| 36 |
18 |
FC-SF2BH-36 |
RF-SFBH-36 |
716×72mm |
| 40 |
20 |
FC-SF2BH-40 |
RF-SFBH-40 |
796×72mm |
| 48 |
24 |
FC-SF2BH-48 |
RF-SFBH-48 |
956×72mm |
| 56 |
28 |
FC-SF2BH-56 |
RF-SFBH-56 |
1,116×72mm |
| 64 |
32 |
FC-SF2BH-64 |
RF-SFBH-64 |
1,276×72mm |
| 72 |
36 |
FC-SF2BH-72 |
RF-SFBH-72 |
1,436×72mm |
| 80 |
40 |
FC-SF2BH-80 |
RF-SFBH-80 |
1,596×72mm |
| 88 |
44 |
FC-SF2BH-88 |
RF-SFBH-88 |
1,756×72mm |
| 96 |
48 |
FC-SF2BH-96 |
RF-SFBH-96 |
1,916×72mm | |
·FC-SF2BH-□ 保護光幕傳感器的檢測面不受飛濺物和油、水等飛散物的損傷。 使用前面保護罩會使檢測距離縮短。關于詳情,請與我們聯系。

檢測距離
| — |
檢測距離(有效距離) |
| — |
使用SF2B-CB05-B時 |
| 僅安裝投光器 |
0.2~11.5m |
0.2~4.5m |
| 僅安裝受光器 |
0.2~11.5m |
0.2~4.5m |
| 兩側均安裝投光器和受光器 |
0.2~10.0m |
0.2~4.0m | 注:1)檢測距離是指投光器和受光器的可設定范圍,物體在0.2m以下可以被檢測。 |
| 品名 |
形狀 |
型號 |
說明 |
激光光軸對齊器 SF-LAT-2B

光幕傳感器大顯示器
 安裝在光幕傳感器的上端。 擰緊光幕傳感器主體的安裝支架和SF-IND-2的安裝支架。
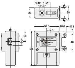
安全繼電器推薦產品指南 松下電工(株)生產 型號:SF系列
 迷你接觸器推薦產品指南 松下電工(株)生產 型號:PC-5系列

|
| 測試桿φ 47 |
 |
SF2B-TR47 |
日常檢查用最小檢測物體(φ 47mm),Arm/Foot型 (最小檢測物體φ 47mm)用 |
| 激光光軸對齊器 |
 |
SF-LAT-2B |
由于激光軸易見,光軸調整可簡單進行。 主要規格 • 電池:1.5V(單3干電池)×2節(可交換) • 電池壽命:連續用約10小時 • 光源:紅色半導體激光2級(IEC/JIS) 最大輸出:1mW、 投光波峰波長:650nm • 周圍溫度:0~+40°C (注意不可結露) • 材質:ABS(主體殼) 鋁(安裝部分) • 主體重量:約200g(含干電池) • 附件:單3干電池2節 |
| 光幕傳感器大顯示器 |
 |
SF-IND-2 |
由于連接到光幕傳感器的輔助輸出,可從各角度確認檢測狀態。 主要規格 • 電源電壓:24V DC±15% • 消耗電流:12mA以下 • 指示燈:橙色LED(使用8個) [外部接點ON時亮燈] • 周圍溫度:-10~+55°C (注意不可結露、結冰) • 材質:POM(外殼) 聚碳酸脂(罩) 冷扎碳鋼(SPCC)(支架) • 電纜:0.3mm2芯橡皮絕緣軟電纜,長3m • 重量:約70g(包括支架) I/O電路圖 <與NPN輸出型連接時>
 | 技術信息:
規格
個別規格
| 種類 |
最小檢測物體f27mm(20mm間距)型 |
| 項目 |
NPN輸出 |
SF2B-H8-N |
SF2B-H12-N |
SF2B-H16-N |
SF2B-H20-N |
SF2B-H24-N |
SF2B-H28-N |
| PNP輸出 |
SF2B-H8-P |
SF2B-H12-P |
SF2B-H16-P |
SF2B-H20-P |
SF2B-H24-P |
SF2B-H28-P |
| 光軸數 |
8 |
12 |
16 |
20 |
24 |
28 |
| 光軸間距 |
20mm |
| 保護高度 |
168mm |
232mm |
312mm |
392mm |
472mm |
552mm |
| 消耗電流 |
投光器:40mA以下 受光器:50mA以下
|
投光器:40mA以下 受光器:60mA以下 |
投光器:50mA以下 受光器:70mA以下 |
| 重量(含投光器和受光器) |
主體重量:約170g |
主體重量:約280g |
主體重量:約400g
|
主體重量:約510g |
主體重量:約610g |
主體重量:約720g |
| 種類 |
最小檢測物體f27mm(20mm間距)型 |
| 項目 |
NPN輸出 |
SF2B-H32-N |
SF2B-H36-N |
SF2B-H40-N |
SF2B-H48-N |
SF2B-H56-N |
SF2B-H64-N |
| PNP輸出 |
SF2B-H32-P |
SF2B-H36-P |
SF2B-H40-P |
SF2B-H48-P |
SF2B-H56-P |
SF2B-H64-P |
| 光軸數 |
32 |
36 |
40
|
48 |
56 |
64 |
| 光軸間距 |
20mm |
| 保護高度 |
632mm |
712mm |
792mm
|
952mm |
1,112mm |
1,272mm |
| 消耗電流 |
投光器:50mA以下 受光器:80mA以下 |
投光器:60mA以下 受光器:90mA以下 |
投光器:65mA以下 受光器:110mA以下 |
| 重量(含投光器和受光器) |
主體重量:約830g |
主體重量:約930g |
主體重量:約1,000g |
主體重量:約1,300g
|
主體重量:約1,500g |
主體重量:約1,700g |
| 種類 |
最小檢測物體f27mm(20mm間距)型 |
| 項目 |
NPN輸出 |
SF2B-H72-N |
SF2B-H80-N |
SF2B-H88-N |
SF2B-H96-N |
| PNP輸出 |
SF2B-H72-P |
SF2B-H80-P |
SF2B-H88-P |
SF2B-H96-P |
| 光軸數 |
72 |
80
|
88 |
96 |
| 光軸間距 |
20mm |
| 保護高度 |
1,432mm |
1,592mm
|
1,752mm |
1,912mm |
| 消耗電流 |
投光器:70mA以下 受光器:130mA以下 |
投光器:80mA以下 受光器:150mA以下 |
| 重量(含投光器和受光器) |
主體重量:約1,900g |
主體重量:約2,100g
|
主體重量:約2,300g |
主體重量:約2,500g |
| 種類 |
最小檢測物體f47mm(40mm間距)型 |
| 項目 |
NPN輸出 |
SF2B-A4-N |
SF2B-A6-N |
SF2B-A8-N |
SF2B-A10-N |
SF2B-A12-N |
SF2B-A14-N |
| PNP輸出 |
SF2B-A4-P |
SF2B-A6-P |
SF2B-A8-P
|
SF2B-A10-P |
SF2B-A12-P |
SF2B-A14-P |
| 光軸數 |
4 |
6 |
8 |
10 |
12 |
14 |
| 光軸間距 |
40mm
|
| 保護高度 |
168mm |
232mm |
312mm |
392mm |
472mm |
552mm |
| 消耗電流 |
投光器:35mA以下 受光器:45mA以下 |
投光器:35mA以下 受光器:50mA以下 |
投光器:40mA以下 受光器:55mA以下 |
| 重量(含投光器和受光器) |
主體重量:約170g |
主體重量:約280g |
主體重量:約400g |
主體重量:約510g |
主體重量:約610g |
主體重量:約720g |
| 種類 |
最小檢測物體f47mm(40mm間距)型 |
| 項目 |
NPN輸出 |
SF2B-A16-N |
SF2B-A18-N |
SF2B-A20-N |
SF2B-A24-N |
SF2B-A28-N |
SF2B-A32-N |
| PNP輸出 |
SF2B-A16-P |
SF2B-A18-P |
SF2B-A20-P
|
SF2B-A24-P |
SF2B-A28-P |
SF2B-A32-P |
| 光軸數 |
16 |
18 |
20 |
24 |
28 |
32 |
| 光軸間距 |
40mm |
| 保護高度 |
632mm |
712mm |
792mm |
952mm |
1,112mm |
1,272mm |
| 消耗電流 |
投光器:40mA以下 受光器:60mA以下 |
投光器:45mA以下 受光器:65mA以下
|
投光器:50mA以下 受光器:75mA以下 |
| 重量(含投光器和受光器) |
主體重量:約830g |
主體重量:約930g |
主體重量:約1,000g |
主體重量:約1,300g |
主體重量:約1,500g |
主體重量:約1,700g |
| 種類 |
最小檢測物體f27mm(20mm間距)型 |
| 項目 |
NPN輸出 |
SF2B-A36-N |
SF2B-A40-N |
SF2B-A44-N |
SF2B-A48-N |
| PNP輸出 |
SF2B-A36-P |
SF2B-A40-P |
SF2B-A44-P |
SF2B-A48-P |
| 光軸數 |
36 |
40 |
44 |
48 |
| 光軸間距 |
40mm |
| 保護高度 |
1,432mm |
1,592mm
|
1,752mm |
1,912mm |
| 消耗電流 |
投光器:55mA以下 受光器:85mA以下 |
投光器:60mA以下 受光器:95mA以下 |
| 重量(含投光器和受光器) |
主體重量:約1,900g |
主體重量:約2,100g
|
主體重量:約2,300g |
主體重量:約2,500g | 注:1) 在未指定的測定條件下,周圍溫度=+20°C。
一般規格
| 種類 |
最小檢測物體f27mm(20mm間距)型 |
最小檢測物體f47mm(40mm間距)型 |
| 項目 |
NPN輸出 |
NPN輸出 |
PNP輸出 |
NPN輸出 |
PNP輸出 |
| PNP輸出 |
SF2B-H□-N |
SF2B-H□-P
|
SF2B-A□-N |
SF2B-A□-P |
| 適用規格 |
EN 954-1(種類2),EN 61496-1(類型2),IEC 61496-1/2(類型2),UL 61496-1/2(類型2), UL 1998,JIS B 9704-1/2(類型2),JIS B 9705-1/ISO 13849-1(種類2) |
| 檢測距離(有效距離) |
0.2~13m(使用互換電纜SF2B-CB05-B時0.2~5m) |
| 最小檢測物體 |
f27mm的不透明體 |
f47mm的不透明體 |
| 有效開口角 |
檢測距離超過3m時±5°以下(符合IEC 61496-2/UL 61496-2) |
| 電源電壓 |
24V DC±15% 脈動P-P10%以下 |
控制輸出 (OSSD1、OSSD2) |
<NPN輸出型> NPN開路集電極晶體管 ·最大流入電流:200mA ·外加電壓:與電源電壓相同 [控制輸出(OSSD1、OSSD2)和0V之間] ·剩余電壓:2.0V以下(流入電流為200mA時) (電纜長30.5m時) |
<PNP輸出型> PNP開路集電極晶體管 ·最大流出電流:200mA ·外加電壓:與電源電壓相同 [控制輸出(OSSD1、OSSD2)和+V之間] ·剩余電壓:2.5V以下(流出電流為200mA時) (電纜長30.5m時) | |
工作模式 (輸出工作) |
所有光軸入光時ON、1個以上光軸遮光時OFF (光幕傳感器內部異常時,及同步信號異常時都是OFF狀態。) |
保護電路 (短路保護) |
裝備 |
| 反應時間 |
OFF反應時間:15ms以下,ON反應時間40~60ms |
| 輔助輸出(AUX)(注2) |
<NPN輸出型> NPN開路集電極晶體管 ·最大流入電流:60mA ·外加電壓:與電源電壓相同 [輔助輸出和0V間] ·剩余電壓:2.0V以下(流入電流為60mA時) (電纜長30.5m時) |
<PNP輸出型> PNP開路集電極晶體管 ·最大流出電流:60mA ·外加電壓:與電源電壓相同 [輔助輸出和+V間] ·剩余電壓:2.5V以下(流出電流為60mA時) (電纜長30.5m時) | |
工作模式 (輸出工作) |
使用SF2B-CCB□,SF2B-CB□時:OSSD ON時OFF,OSSD OFF時ON 使用SF2B-CB05-A時:正常工作時ON,投光器異常工作時或投光停止時OFF |
保護電路 (短路保護) |
裝備 |
| 同步方式 |
線同步(使用SF2B-CB05-B時光同步) |
| 防干擾功能 |
裝備 ·串聯連接:最多3套(合計光軸數最多128根)(但是,SF2B-A□連接2套時最多96根光軸,連接3套時最多64根光軸)(注3) SF2B-H□和SF2B-A□可以混在一起使用(注4) {使用SF2B-CB05-B時(光同步) ·串聯連接:最多3套(合計光軸數最多128根)(但是,SF2B-A□連接2套時最多96根光軸,連接3套時最多64根光軸)(注3) ·并聯連接:最多2套 ·串聯、并聯混合連接:可以串聯3套和并聯2套同時使用 SF2B-H□和SF2B-A□可以混在一起使用(注4)} |
| 投光停止功能 |
裝備 |
外部設備監控功能
|
裝備 |
| 耐環境性 |
保護構造 |
IP65(IEC) |
周圍溫度/ 周圍濕度 |
-10~+55°C(注意不可結露、結冰),存儲:-25~+70°C/30~85%RH, 存儲:30~95%RH |
| 周圍照明度 |
白熾燈:受光面照明度3,500Rx |
| 耐電壓/絕緣電阻 |
AC1,000V 1分鐘 所有電源連接端子與外殼之間/DC500V兆時20MΩ以上 所有電源連接端子與外殼之間 |
| 耐振動/耐沖擊 |
頻率10~55Hz 雙振幅0.75mm XYZ各方向2小時/頻率300m/s²(約30G) XYZ各方向3次 |
| 投光二極體 |
紅外線LED(投光波峰波長:870nm) |
| 電纜延長 |
用另售的匹配電纜可將投光器和受光器分別最大延長至30.5m |
| 連接方式 |
連接器連接 |
| 材質 |
主體外殼:鋁,上下端部分:壓鑄鋅,內盒:聚碳酸脂·聚酯樹脂,帽:PBT
|
| 附件 |
MS-SF2B-2(嫁連支撐支架):(注5) SF2B-TR27(測試桿):1根 |
MS-SF2B-2(嫁連支撐支架):(注5) | 注: 1) 在未指定的測定條件下,周圍溫度=+20°C。 2) 使用輔助輸出(AUX)時,不能使用互換電纜SF2B-CB05-B(另售)。 3) SF2B-H8-□和SF2B-A4-□不能串聯連接。關于詳情,請參閱使用指南(PDF P.72~)。 4) SF2B-H□和SF2B-A□一起串聯連接的情況下,請把SF2B-A□的光軸數乘以2計算,合計光軸數量在128根以下。 例)SF2B-H36和SF2B-A44串聯連接的時候,合計光軸數量就是124根。 SF2B-H36的光軸數+(SF2B-A44的光軸數×2)=合計光軸數 36根光軸+(44根光軸×2)=124根光軸 5) 嫁連支撐支架MS-SF2B-2附帶于下述產品中。產品不同,附帶的個數也不同,如下所示。 1套:SF2B-H□…40~56光軸的光幕傳感器,SF2B-A□…20~28光軸的光幕傳感器 2套:SF2B-H□…64~80光軸的光幕傳感器,SF2B-A□…32~40光軸的光幕傳感器 3套:SF2B-H□…88~96光軸的光幕傳感器,SF2B-A□…44~48光軸的光幕傳感器
專用控制組件
| 型號 |
SF-C11 |
SF-C13 |
| 可連接的光幕傳感器 |
SF4B/SF2B系列 |
SUNX制光幕傳感器 |
| 適用規格 |
IEC 61496-1,UL 61496-1,JIS B 9704-1 |
| 控制種類 |
可對應至符合ISO 13849-1(EN954-1,JIS B 9705-1)的種類4 |
| 電源電壓 |
24V DC±10% 脈動P-P10%以下 |
| 消耗電流 |
100mA以下(光幕傳感器的消耗電流除外) |
| 額定保險絲 |
內置電子保險絲,遮斷電流0.5A以上,電源遮斷時復歸 |
| 安全輸出 |
NO接點×3(13-14、23-24、33-34) |
NO接點×3(13-14、23-24、33-34) |
| 使用種類 |
AC-15,DC-13(IEC 60947-5-1) |
額定工作電壓(Ue)/ 額定工作電流(le) |
30V DC/6A、230V AC/6A、電阻負荷(接點保護時為誘導負荷),微電流:10mA以上(24V DC時)(注2) |
30V DC/4A、230V AC/4A、電阻負荷(接點保護時為誘導負荷),微電流:10mA以上(24V DC時)(注2) |
| 接點材質/接點 |
銀氧化錫(AgSnO),自我清洗,強制工作 |
銀氧化錫(AgSnO),自我清洗,強制工作 |
| 接點接觸電阻 |
100mΩ以下(初始值) |
| 接點保護額定保險絲 |
6A(延時保險絲) |
4A(延時保險絲) |
| 機械壽命 |
1,000萬次以上(開關頻率180次/分)(注3) |
| 電氣壽命 |
10萬次以上(開關頻率20次/分,230V AC/3A 電阻負荷)(注3) |
| 工作時間(自動復歸/手動復歸) |
80ms以下/90ms以下 |
| 反應時間(復歸時間) |
10ms以下 |
| 輔助輸出 |
安全繼電器接點(NC接點)×1(41-42)(隨安全輸出而動) |
| 額定工作電壓/電流 |
24V DC/2A,微電流:10mA以上(24V DC時) |
接點保護額定保險絲
|
2A(延時保險絲) |
半導體輔助輸出 (AUX) |
<負極接地(PNP時設定)> ·最大流出電流:60mA ·外加電壓:與電源電壓相同 (半導體輔助輸出和+V間) ·剩余電壓:2.3V以下 (流出電流為60mA時) ·漏出電流:2mA以下 |
<正極接地(NPN時設定)> ·最大流入電流:60mA ·外加電壓:與電源電壓相同 (半導體輔助輸出和0V間) ·剩余電壓:1.5V以下 (流入電流為60mA時) ·漏出電流:2mA以下 | |
PNP開路集電極晶體管 ·最大流出電流:60mA ·外加電壓:與電源電壓相同(半導體輔助輸出和+V間) ·剩余電壓:2.3V以下(流出電流為60mA時) ·漏出電流:2mA以下 |
| 輸出工作 |
隨光幕傳感器的輔助輸出而動 |
光幕傳感器遮光時ON |
| 過量電壓種類 |
Ⅲ |
指 示 燈 |
電 源(Ui) |
綠色LED(通電時亮燈) |
| 安全輸出[OUT] |
綠色LED(安全輸出“關閉”時亮燈) |
| 聯鎖(INTER_LOCK) |
黃色LED(安全輸出“打開”時亮燈) |
| 異 常(FAULT) |
黃色LED(發生異常時閃爍) |
| 外部繼電器監控功能 |
裝 備 |
| 關閉轉換功能 |
裝 備 |
| 極性轉換功能(注4) |
裝備(可用滑動開關轉換正極/負極接地) 負極接地:對應PNP輸出光幕傳感器 正極接地:對應NPN輸出光幕傳感器 |
裝備(可用接線處理轉換正極/負極接地) 負極接地:對應PNP輸出光幕傳感器 正極接地:對應NPN輸出光幕傳感器 |
| 污染度 |
2 |
| 耐環境性 |
保護構造 |
外殼:IP40,端子部分:IP20 |
| 周圍溫度 |
-10~+55°C(注意不可結露、結冰),存儲:-25~+70°C |
周圍濕度
|
30~85%RH,存儲:30~95%RH |
| 耐振動 |
頻率/誤動作10~55Hz 雙振幅0.35mm XYZ各方向20次 |
| 連接端子 |
彈觸分離式標準端子 |
彈觸端子 |
| 外殼材質 |
ABS |
| 重量 |
主體重量:約320g |
主體重量:約200g |
注: 1) 在未指定的測定條件下,周圍溫度=+20°C。 2) 多個SF-C11或者SF-C13并排使用時,請將裝置的間隔控制在5mm以上。貼近安裝時,周圍溫度與安全輸出的額定電流的關系請參閱右圖。 3) 繼電器壽命因負荷的種類·開關頻率·周圍環境而異。 4) 正極接地時將滑動開關轉換至PNP側,負極接地時將滑動開關轉換至NPN側。 |
<SF-C11貼近安裝時的定額降低>
 |
<SF-C13貼近安裝時的定額降低>
 |
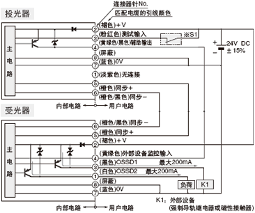
I/O電路圖和連接圖
NPN輸出型
 注:1) 為不與其他電線接觸,請對未使用的電線進行絕緣處理。 請注意 聯鎖(復歸輸入)電路,請另外構造。
※S1 開關S1 ·測試輸入 開路:投光停止 0~+1.5V(流出電流為5mA以下):投光 <外部設備監控無效時> ·為了使外部設備監控功能無效,請連接輔助輸出和外部設備監控器輸入。此時,請不要在輔助輸出上連接負荷。

注:1) 為不與其他電線接觸,請對未使用的電線進行絕緣處理。 請注意 聯鎖(復歸輸入)電路,請另外構造。
※S1 開關S1 ·測試輸入 開路:投光停止 0~+1.5V(流出電流為5mA以下):投光
|
 注:1) 為不與其他電線接觸,請對未使用的電線進行絕緣處理。
<外部設備監控無效時>
 注:1) 為不與其他電線接觸,請對未使用的電線進行絕緣處理。 |
PNP輸出型 使用底帽電纜SF2B-CCB□、SF2B-CB□時
 請注意 聯鎖(復歸輸入)電路,請另外構造。 ※S1 開關S1 ·測試輸入 開路:投光停止 Vs~Vs-2.5V(流入電流為5mA以下):投光(注2) 注: 1) 為不與其他電線接觸,請對未使用的電線進行絕緣處理。 2) Vs為使用中的電源電壓。
<外部設備監控無效時> ·為了使外部設備監控功能無效,請連接輔助輸出和外部設備監控輸入。此時,請不要在輔助輸出上連接負荷。
 請注意 聯鎖(復歸輸入)電路,請另外構造。 ※S1 開關S1 ·測試輸入 開路:投光停止 Vs~Vs-2.5V(流入電流為5mA以下):投光(注2) 注:1) 為不與其他電線接觸,請對未使用的電線進行絕緣處理。 2) Vs為使用中的電源電壓。 |
 注:1) 為不與其他電線接觸,請對未使用的電線進行絕緣處理。
<外部設備監控無效時>
 注:1) 為不與其他電線接觸,請對未使用的電線進行絕緣處理。 |
SF-C11
NPN輸出型 ·將光幕傳感器輸入極性選擇開關設定于NPN側,并將正極接地。
 |
注: 1) 上圖為手動復歸時的情況。使用自動復歸時,請將連接到X2的線路重新連接到X3上。此時,無需復歸(RESET)按鈕。 2) 請將暫時性的開關用作復歸(RESET)按鈕。 3) 測試(TEST)按鈕開路時投光停止、短路時投光。如果不使用,請將T1-T2之間短路。但是通過測試桿等遮光,請另外進行自我診斷。 |
PNP輸出型
·將光幕傳感器輸入極性選擇開關設定于PNP側,并將0V接地。

|
注: 1) 上圖為手動復歸時的情況。使用自動復歸時,請將連接到X2的線路重新連接到X3上。此時,無需復歸(RESET)按鈕。 2) 請將暫時性的開關用作復歸(RESET)按鈕。 3) 測試(TEST)按鈕開路時投光停止、短路時投光。如果不使用,請將T1-T2之間短路。但是通過測試桿等遮光,請另外進行自我診斷。 | 連接SF-C11和SF2B系列時,務必使用以下匹配電纜。 SF2B-CB05(電纜長0.5m)、SF2B-CB5(電纜長5m) SF2B-CB10(電纜長10m) SFB-CCJ10E(用于投光器·電纜長10m) SFB-CCJ10D(用于受光器·電纜長10m)
|
|
|

|
| 端子名 |
說明 |
| A1 |
+24V DC |
| A2 |
0V |
13-14、 23-24、33-34 |
安全輸出(NO接點×3) |
| 41-42 |
輔助輸出(NC接點×1) |
| X1 |
復歸輸出端子 |
| X2 |
復歸輸入端子(手動) |
| X3 |
復歸輸入端子(自動) |
| A |
不使用 |
| B |
| T1 |
測試輸出端子 |
| T2 |
測試輸入端子 |
| AUX |
半導體輔助輸出 | |
 |
| 連接器針No. |
投光器側連接器 |
受光器側連接器 |
| 1 |
未使用 |
OSSD2 |
| 2 |
+24V DC |
+24V DC |
| 3 |
投光停止 |
OSSD1 |
| 4 |
輔助輸出 |
EDM (外部繼電器監控) |
| 5 |
同步電線+ |
同步電線+ |
| 6 |
同步電線- |
同步電線- |
| 7 |
0V |
0V |
| 8 |
屏蔽電線 |
屏蔽電線 | |
SF-C13
NPN輸出型 ·將光幕傳感器控制輸出OSSD1和OSSD2分別連接到S4、S2,接地正極側。
 注: 1) 上圖為手動復歸時的情況。使用自動復歸時,請將連接到X2的線路重新連接到X3上。此時,無需復歸(RESET)按鈕。 2) 請將暫時性的開關用作復歸(RESET)按鈕。
PNP輸出型 ·將光幕傳感器控制輸出OSSD1和OSSD2分別連接到S1、S2。
 注: 1)上圖為手動復歸時的情況。使用自動復歸時,請將連接到X2的線路重新連接到X3上。此時,無需復歸(RESET)按鈕。 2) 請將暫時性的開關用作復歸(RESET)按鈕。
 |
| 端子名 |
說明 |
| A1 |
+24V DC |
| A2 |
0V |
| S1~S4 |
光幕傳感器控制輸出 (OSSD)輸入端子 |
| AUX |
半導體輔助輸出 |
| X1 |
復歸輸出端子 |
| X2 |
復歸輸入端子(手動) |
| X3 |
復歸輸入端子(自動) |
| 13-14、23-24、33-34 |
安全輸出(NO接點×3) |
| 41-42 |
輔助輸出(NC接點×1) | 若將光幕傳感器側接線,請另外準備端子座。
|
使用指南
·本裝置是類型2電氣感應式保護裝置,歐洲規格EN 954-1規定的控制種類(控制系統的安全關連部分種類)中,預想在需要種類2、種類1及種類B的系統中使用。在需要壓床機械等的種類4及種類3的系統中,絕對不可使用。 ·在海外安裝本裝置時,適合用OSHA 1910.212和OSHA 1910.217(美國)、EN 999(EU)等。安裝條件請確認各國的規格和法律等。 ·本目錄是選擇合適產品的向導。使用產品前請務必參閱產品附帶的使用說明書。 ·由于出廠時投光器和受光器均經過調整,因此請將投光器和受光器按照相同的序列No.組合使用。序列No.標在投光器及受光器的標牌上。(型號下側) ·正常使用前務必檢查運行。 ·該安全系統僅用于通過緊急停止部件或關閉電源即可停止危險部件工作的機器。切勿使用工作循環中不可停止的機器系統。
自我診斷功能·本裝置備有自我診斷功能。 發現異常時,馬上進入鎖定狀態,控制輸出(OSSD1、OSSD2)固定在OFF狀態。請參閱故障解決(P.75),及使用說明書,排除異常的原因。
·為了確保安全,請每天至少檢查一次本裝置的遮光狀態。 如果不進行自我診斷,就不能及早發現意外故障,危險加大。可能導致本裝置誤動作引起重傷甚至死亡。 ·為了確認控制輸出(OSSD1、OSSD2)和輔助輸出的所有異常,必須檢查本裝置的遮光狀態。將本裝置設置成遮光狀態進行檢查時,請實施以下任意一種措施。 ·通過測試輸入(停止投光功能),使投光停止。 ·通過測試桿等,遮住光軸。(但是,使用互換電纜SF2B-CB05-A時除外)。
投光停止功能(測試輸入)
·投光器停止投光工作的功能。在測試輸入(粉紅色)的狀態下,可以選擇投光/投光停止。
|
測試輸入
|
投光狀態 |
| |
使用SF2-CB05-B時 |
| 開路 |
投光停止 |
投光 |
| 連接到0V或+V |
投光
|
投光停止 | ·投光停止時,控制輸出(OSSD1,OSSD2)呈OFF狀態。 ·使用本功能時,因外來的噪音導致錯誤操作和控制輸出(OSSD1,OSSD2)及輔助輸出的異常,在裝置旁也能確認。 <時間表>
請不要將停止投光功能(測試輸入)用作停止裝置,這有可能造成死亡或者重傷。
輔助輸出·輔助輸出安裝在投光器上,根據使用的底帽電纜(另售)的不同,輔助輸出的工作也不一樣。
| 底帽電纜 |
通常工作 |
鎖定 |
|
投光停止時
|
控制輸出 (OSSD1、OSSD2)狀態 |
| 入光 |
遮光 |
| 使用SF2B-CCB□/ SF2B-CB□時 |
ON |
OFF |
ON |
ON |
| 使用SF2B-CB05-A時 |
OFF |
ON
|
ON |
OFF |
| SF2B-CB05-B |
不能使用 | 使用底帽電纜SF2B-CCB□/SF2B-CB□(另售)時 ·輔助輸出安裝在投光器上,控制輸出(OSSD1,OSSD2)ON時OFF,控制輸出(OSSD1,OSSD2)OFF時ON。 ·輔助輸出可作為本裝置的工作監控器使用。 ·在不使用外部設備監控功能時,為了使外部設備監控功能無效,請連接輔助輸出線和外部設備監控器輸入線。此時,輔助輸出上請勿連接負荷。關于詳情,請參閱外部設備監控功能(PDF P.72)及I/O電路圖和連接圖(PDF P.67)。 ·外部設備監控功能無效使用時,請勿將輔助輸出作為本裝置的工作監控器直接使用。外部設備監控無效且將輔助輸出作為本裝置的工作監控器使用時,請將輔助輸出和外部設備監控輸入連接到外部繼電器(請另外準備)上,且將外部繼電器的接點作為本裝置的工作監控器使用。
 使用底帽電纜SF2B-CB05-A(另售)時
使用底帽電纜SF2B-CB05-A(另售)時,請務必使用輔助輸出。即使采用控制輸出(OSSD1)或輔助輸出,仍輸出OFF時,請采取措施,確保控制機械能夠停止。如不使用輔助輸出,則即使在控制輸出(OSSD1)故障期間發生意外錯誤,機械也無法停止。可能導致重傷甚至死亡。 · 輔助輸出安裝在投光器上,輔助輸出正常工作時輸出ON。在以下的情況下輸出OFF。 · 發生異常投光停止狀態。[控制輸出(OSSD1)發生短路,發生異常等情況] · 在測試輸入期間。 · 控制機械方面不能傳達異常情況,所以由輔助輸出發出警告信號。

使用底蓋電纜SF2B-CB05-B(另售)時 ·不能通過底蓋電纜SF2B-CB05-B(另售),使用輔助輸出。
外部設備監控功能· 使用底帽電纜SF2B-CCB□/SF2B-CB□(另售)時,可以使用本功能。該功能表現為,連接到控制輸出(OSSD1、OSSD2)的外部安 全繼電器,對是否按照控制輸出(OSSD1、OSSD2)正常動作進行檢測。 監視外部安全繼電器的b接點,檢查接點焊接等的工作不良引起的異常時,將傳感器置于鎖定狀態,控制輸出(OSSD1、OSSD2)OFF。 使外部設備監控功能有效時 · 請將外部設備監控輸入(黃綠色)連接到連接在控制輸出(OSSD1,OSSD2)上的外部安全繼電器的b接點上。接線圖請參閱PDF P.67~。 不使用外部設備監控功能時 · 請將外部設備監控輸入(黃綠色)和輔助輸出(黃綠色/黑色)連接。
串聯連接最多可以連接3套(合計光軸數最多128根)(注1)(注2) · 多套投光器和受光器串聯面對面的連接方法。在到達危險部位需要經過2個以上方向時使用。控制輸出(OSSD1,OSSD2)不管哪個進 入遮光狀態便OFF。詳情請參閱使用說明書。 注:1) SF2B-H8-□和SF2B-A4-□上沒有裝備串聯連接器,所以不能串聯連接。SF2B-H8SL和SF2B-A4SL未配備串聯用連接器,因此,在3套串聯連接時,只能用于第3套。 2) SF2B-A□的合計光軸數,連接2套時最多96根,連接3套時最多64根。SF2B-H□和SF2B-A□一起串聯連接時,請僅限于將SF2B-A□的光軸數乘以2計算,合計光軸數在128根以下。 例) SF2B-H36和SF2B-A44串聯連接時的合計光軸數就是124根。SF2B-H36的光軸數+(SF2B-A44的光軸數×2)=合計光軸數 36根光軸+(44根光軸×2)=124根光軸
串聯連接時,請將光幕傳感器和串聯連接專用輔助傳感器(另售)的投光器和投光器,以及受光器和受光器通過專用的串聯連接用電纜SF2B-CSL□(另售)連接。如果錯誤連接,會發生無法檢測的領域,有可能造成死亡或重傷。
并聯連接· 只使用互換電纜SF2B-CB05-B(另售)時,最多可以并聯連接2套。詳情請參閱使用說明書。
 |
串聯、并聯混合連接· 只使用互換電纜SF2B-CB05-B(另售)時,最多可以串聯、并聯混合連接3套(合計光軸數最多為128根。但SF2B-A□連接2套時最多96根,連接3套時最多64根)。詳情請參閱使用說明書。
 |
部件名稱和功能 |
| 名稱 |
功能 |
光軸對齊 指示燈 (紅色/綠色) [RECEPTION] |
A |
傳感器上部所有光軸入光時:紅色燈亮起 傳感器最上端光軸入光時:紅色燈閃爍 控制輸出(OSSD1、OSSD2)ON時:綠色燈亮起 (使用SF2B-CB05-B時,時常熄滅) |
| B |
傳感器中上部所有光軸入光時:紅色燈亮起 控制輸出(OSSD1、OSSD2)ON時:綠色燈亮起 (使用SF2B-CB05-B時,時常熄滅) |
| C |
傳感器中下部所有光軸入光時:紅色燈亮起 控制輸出(OSSD1、OSSD2)ON時:綠色燈亮起 (使用SF2B-CB05-B時,時常熄滅) |
| D |
傳感器下部所有光軸入光時:紅色燈亮起 傳感器最下端光軸入光時:紅色燈閃爍 控制輸出(OSSD1、OSSD2)ON時:綠色燈亮起 (使用SF2B-CB05-B時,時常熄滅) |
工作指示燈 (紅色/綠色) [OPERATION] |
控制輸出(OSSD1、OSSD)OFF時:紅色燈亮起 控制輸出(OSSD1、OSSD)ON時:綠色燈亮起 (使用SF2B-CB05-B時 投光器異常時:紅色燈亮起 投光器正常時:綠色燈亮起) |
投光停止指示燈 (橙色) [HALT] |
投光停止時:亮燈,投光時:熄滅 |
異常指示燈 (黃色) [FAULT] |
傳感器異常時亮燈或者閃爍 |
設定指示燈 (紅色) [SETTING] |
時常熄滅 (使用SF2B-CB05-B時 頻率設定成1時,亮1個燈 頻率設定成2時,亮2個燈) |
| 頻率轉換開關 |
使用SF2B-CB05-B時, 在主/副側轉換 時使用。在主側設定成“1”,在副側設定 成“2”。 | |
| 名稱 |
功能 |
光軸對齊 指示燈 (紅色/綠色) [RECEPTION] |
A |
傳感器上部所有光軸入光時:紅色燈亮起 傳感器最上端光軸入光時:紅色燈閃爍 控制輸出(OSSD1、OSSD2)ON時:綠色燈亮起 |
| B |
傳感器中上部所有光軸入光時:紅色燈亮起 控制輸出(OSSD1、OSSD2)ON時:綠色燈亮起 |
| C |
傳感器中下部所有光軸入光時:紅色燈亮起 控制輸出(OSSD1、OSSD2)ON時:綠色燈亮起 |
| D |
傳感器下部所有光軸入光時:紅色燈亮起 傳感器最下端光軸入光時:紅色燈閃爍 控制輸出(OSSD1、OSSD2)ON時:綠色燈亮起 |
OSSD指示燈 (紅色/綠色)[OSSD] |
控制輸出(OSSD1、OSSD2)OFF時:紅色燈亮起 控制輸出(OSSD1、OSSD2)ON時:綠色燈亮起 |
入光量指示燈 (橙色/綠色) [STB] |
入光充分時(入光量130%以上)(注1):綠色燈亮起 入光穩定時(入光量115~130%)(注1):熄滅 不穩定入光時(入光量100~115%)(注1):橙色燈亮起 遮光時:熄滅(注2) |
異常指示燈 (黃色) [FAULT] |
傳感器異常時亮燈或閃爍 |
數字錯誤 指示燈 (紅色)(注3) |
鎖定時亮燈顯示異常內容 (使用SF2B-CB05-B時 鎖定時亮燈顯示異常內容 頻率設定為1時,正中間亮燈 頻率設定為2時,正中間及下段亮燈) |
| 頻率轉換開關 |
使用SF2B-CB05-B時,在主/副側轉換時使用。在主側設定成“1”,在副側設定成“2” | 注: 1) 控制輸出(OSSD1、OSSD2)由OFF變為ON的基準值為入光量100%。 2) 遮光是指在檢測領域有遮光物體的存在。 3) 詳情請參閱故障解決(PDF P.75)及產品附帶的使用說明書。 4) 在主體上,[ ]內標有零件名稱。 |
接線
請參照使用本裝置地區的相應規格。另外,確保采取所有必要措施以避免由于接地錯誤而可能引起的危險操作錯誤。 · 請確認在電源關閉狀態下進行接線。 ·請確認電源電壓的變化不超出額定范圍。 · 如果電源是由通用開關調節器提供,請確保電源機架接地端子(F.G.)接地。 · 如果在該產品附近使用產生噪音的設備(開關調節器、轉換發動機等),請務必將設備機架接地端子(F.G.)接地。 · 請勿將電線與高壓線或電源線并行接線或在同一管線內運行線路,這可能會由于感應而引起誤動作。
其他·電源接通后的短時間(2s)內,請勿使用。 ·請勿在有過度水蒸氣、灰塵等的場所使用本產品。 · 請勿將傳感器與水、油、油脂或有機溶液,如稀釋劑等直接接觸。 · 某些快速啟動式或高頻照明式熒光燈的光線可能對檢測帶來影響,請注意不要使其直接受光。
· 安裝機器時,請確保必須完全通過檢測領域才能到達機械危險處。此外,在機器危險處進行作業時,請確保人體的一部分或全部必須留在檢測領域內。如果未檢測到人體,有可能造成重傷甚至死亡。 · 請勿使用任何反射型或回歸反射型設備。 · 請將相對的投光器和受光器按相同類型(光軸間距、光軸數相同)從上下方向對齊連接。如果將不同類型的組合連接,則會因傳感器檢測不到,從而有可能造成重傷甚至死亡。 · 如果相對一個投光器(受光器)連接多個受光器(投光器),則會因傳感器檢測不到或相互干擾,從而有可能造成重傷甚至死亡。
正確的安裝方法
 |
錯誤的安裝方法
 |
安全距離
· 正確計算安全距離,檢測領域及機器危險部分應始終保持安全距離或大于安全距離。(關于方程式,請根據最新的規格確認。)若錯誤計算安全距離或沒有保持安全距離,會因在到達機器危險部分前不能緊急停止,從而有可能造成重傷甚至死亡。 · 設計系統時,請參閱安裝使用設備的相關地區標準。
 |
· 當人垂直進入(正常進入)傳感器檢測領域時,安全距離的計算依據如下方程式。若進入方向不垂直,請務必參照相關規格(地域、設備規格等)。 |
適用于歐洲(EU)(根據EN999)(也適用于ISO13855) 垂直進入檢測領域 ·公式1 S=K×T+C S:安全距離(mm) 檢測領域的線上(面上)和機械的危險部分,到檢測領域最近 的地方,所需要的最低限度的距離。 K:人體或物體的進入速度(mm/s) 通常以SF2B-H□2,000(mm/s),SF2B-A□1,600(mm/s)計算。 T:所有裝置系統的反應時間(s) T=Tm+TSF2B Tm:機械的最長停止時間(s) TSF2B:本裝置的反應時間0.015(s) C:從傳感器的最小檢測物體算出來的追加距離(mm) 但是,C值不可小于0。 C=8×(d-14) d:最小檢測物體的直徑(mm) SF2B-H□:d=27(mm),C=104(mm) SF2B-A□時C=850(mm)(固定)。
·計算安全距離S時,分為如下5種情況。 首先,上述公式以K=2,000(mm/s)計算。此時計算結果分為3種,1)S<100, 2)100≤S≤500, 3)S>500。計算結果3)S>500時,請按上述公式以K=1,600(mm/s)再次計算。此時計算結果分為2種,4)S≤500,5)S>500。關于詳情,請參閱產品附帶的使用說明書。 |
適用于美國(根據ANSI B11.19) ·公式 S=K×(Ts+Tc+TSF2B+Tbm)+Dpf S:安全距離(mm) 檢測領域的線上(面上)和機械的危險部分,到檢測領域最近的地方,所需要的最低限度的距離。 K:進入速度(OSHA推薦值為63(inch/s)≈1,600(mm/s)。 在ANSI B11.19中未定義進入速度。決定適用的K值時請考慮包括操作人員體力在內的諸多要素。 Ts:控制要素(空氣閥等)測定機械的停止時間(s) Tc:停止所需機械控制電路的最大反應時間(s) TSF2B:本裝置的反應時間0.015(s) Tbm:暫停監控器允許的追加停止時間(s) Tbm=Ta-(Ts+Tc) Ta:暫停監控器設定時間(s) 機械沒有裝備暫停監控器,建議將(Ts+Tc)的20%以上作為追加停止時間。 Dpf:由傳感器的最小檢測物體計算出的追加距離(mm) SF2B-H□ Dpf=2.676(inch)≈68(mm) SF2B-A□ Dpf=5.355(inch)≈136(mm) Dpf=3.4×(d-0.276)(inch) Dpf=3.4×(d-7)(mm) d:最小檢測物體的直徑1.063(inch)≈27(mm) SF2B-H□ 最小檢測物體的直徑1.851(inch)≈47(mm) SF2B-A□ |
反射表面的影響
安裝本裝置時,應考慮來自周圍反射性表面的影響,并采取涂飾反射面、遮蔽、加粗反射面,變更反射面的材質等適當措施。否則若光幕傳感器檢測不到,有可能造成重傷甚至死亡。 • 請從光反射率高的表面到如下所示的最小間隔以上進行設置。
 |
注: 1) 使用SF2B-CB05-B時,檢測距離L為0.3~5m。 2) 本裝置的有效開口角按IEC 61496-2/UL 61496-2的需求是±5º(L>3m時)以下,但考慮安裝時的光軸偏移等因素,請設想有效開口角為±6º,遠離光澤表面再設置。 |
故障解決
| 癥狀 |
原因 |
處理 |
| 所有的指示燈熄滅 |
電源沒有供給。 |
請確認電源容量是否充足。請正確連接電源。 |
| 電源電壓不在規格值內。 |
請供給規格值內的電源電壓。 |
| 連接器沒有連接好。 |
請連接好連接器。 |
異常指示燈(黃色) 亮燈或閃爍
 |
【1次閃爍】總光幕傳感器數/總光軸數異常。 |
請正確連接端帽。 請正確連接串聯連接用電纜。 請確認串聯連接專用輔助傳感器的機種(投光器、受光器)。請將串聯連接光幕傳感器總光軸數設定在規格值內。 |
| 【2次閃爍】輔助輸出異常。 |
請將輔助輸出線正確接線。 |
| 【以上情況除外】噪音、電源等的影響或內部電路的故障。 |
請確認本裝置的周圍噪音環境。 請確認接線、電源電壓、電源容量。如果還不能正常工作,請與本公司聯系。 |
投光停止指示燈 (橙色)亮燈[HALT]
 |
現在是投光停止狀態。 |
請將測試輸入(投光停止)線正確接線。使用電纜不同,邏輯也不同。 |
| 同步電線接線異常。 |
請將同步電線正確接線。 |
| 受光器側沒有工作。 |
請進行受光器側檢查。 |
| 防干擾線接線異常。(使用SF2B-CB05-B時:設定在副側) |
請將防干擾線正確接線。 |
| 主/副側設定異常。( 使用SF2B-CB05-B時:設定在主側) |
請設定在主側。 |
| 主側沒有工作。 |
請進行主側檢查。 |
工作指示燈一直亮紅燈 (沒有入光)[OPERATION]
 |
投光器、受光器之間的光軸沒對齊。 |
請調整光軸。 |
| 癥狀 |
原因 |
處理 |
| 所有的指示燈熄滅 |
電源沒有供給。 |
請確認電源容量是否充足。請正確連接電源。 |
| 電源電壓不在規格值內。 |
請供給規格值內的電源電壓。 |
| 連接器沒有連接好。 |
請連接好連接器。 |
異常指示燈 (黃色)亮燈或 閃爍
 |
【數字錯誤指示燈: 】總光幕傳感器數/光軸數異常。 |
請正確連接端帽。 請正確連接串聯連接用電纜。 請確認串聯連接專用輔助傳感器的機種(投光器、受光器)。 請將串聯連接光幕傳感器總光軸數設定在規格值內。 |
| 【數字錯誤指示燈: 】控制輸出(OSSD1、OSSD2)異常。 |
請將控制輸出(OSSD1、OSSD2)線正確接線。 |
【數字錯誤指示燈: 】外亂光異常。 |
請勿將外亂光入光至受光器。 |
| 【數字錯誤指示燈: 】外部設備監控器異常。 |
請將外部設備監控輸入線正確接線。請更換繼電器。請更換至合適的反應時間的繼電器。 |
| 【數字錯誤指示燈: 】底部連接器異常。 |
請確認底部連接器的種類。受光器側電纜顏色:灰色(有不同顏 色電線) |
| 【上述情況除外】噪音、電源等的影響或內部電路的故障。 |
請確認本裝置的周圍噪音環境。請確認接線、電源電壓、電源容量。如果還不能正常工作,請與本公司聯系。 |
穩定入光指示 燈(橙色)亮燈
 |
投光器和受光器之間的光軸沒對齊。 |
請調整光軸。 |
OSSD指示燈 一直亮紅燈 (沒有入光)
 |
投光器、受光器之間的光軸沒對齊。 |
請調整光軸。 |
| 投光器、受光器之間的光軸數不同。 |
請調整至相同的光軸數。 |
| 主/副設定不同。(SF2B-CB05-B上使用時) |
請調整至相同的設定。 | |
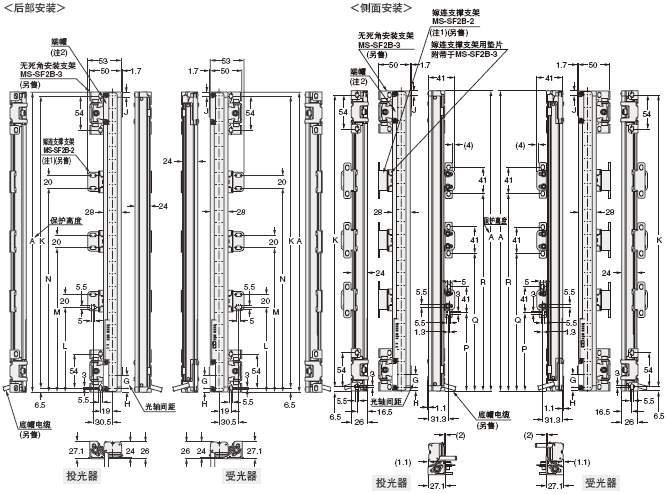
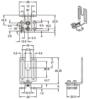
外形尺寸圖(單位:mm)
SF2B-□ SF2B-□SL 光幕傳感器、串聯連接專用輔助傳感器
下圖是標準安裝支架MS-SF2B-1(另售)和嫁連支撐支架MS-SF2B-2的安裝圖。
 注: 1) 嫁連支撐支架MS-SF2B-2附帶于產品上。產品不同,附帶的個數也不同。 2) SF2B-H8(SL)-□和SF2B-A4(SL)-□及SF2B-H8SL和SF2B-A4SL上沒有裝備端帽。
| 型號 |
A |
B |
C |
D |
E |
F |
| SF2B-H8(SL)(-□) |
SF2B-A4(SL)(-□) |
168 |
207 |
223 |
- |
- |
- |
| SF2B-H12(SL)(-□) |
SF2B-A6(SL)(-□) |
232 |
270 |
286 |
- |
- |
- |
| SF2B-H16(SL)(-□) |
SF2B-A8(SL)(-□) |
312 |
350 |
366 |
- |
- |
- |
| SF2B-H20(SL)(-□) |
SF2B-A10(SL)(-□) |
392 |
430 |
446 |
- |
- |
- |
| SF2B-H24(SL)(-□) |
SF2B-A12(SL)(-□) |
472 |
510 |
526 |
- |
- |
- |
| SF2B-H28(SL)(-□) |
SF2B-A14(SL)(-□) |
552 |
590 |
606 |
- |
- |
- |
| SF2B-H32(SL)(-□) |
SF2B-A16(SL)(-□) |
632 |
670 |
686 |
- |
- |
- |
| SF2B-H36(SL)(-□) |
SF2B-A18(SL)(-□) |
712 |
750 |
766 |
- |
- |
- |
| SF2B-H40(SL)(-□) |
SF2B-A20(SL)(-□) |
792 |
830 |
846 |
390 |
- |
- |
| SF2B-H48(SL)(-□) |
SF2B-A24(SL)(-□) |
952 |
990 |
1,006 |
470 |
- |
- |
| SF2B-H56(SL)(-□) |
SF2B-A28(SL)(-□) |
1,112 |
1,150 |
1,166 |
550 |
- |
- |
| SF2B-H64(SL)(-□) |
SF2B-A32(SL)(-□) |
1,272 |
1,310 |
1,326 |
418 |
842 |
- |
| SF2B-H72(SL)(-□) |
SF2B-A36(SL)(-□) |
1,432 |
1,470 |
1,486 |
472 |
948 |
- |
| SF2B-H80(SL)(-□) |
SF2B-A40(SL)(-□) |
1,592 |
1,630 |
1,646 |
525 |
1,055 |
- |
| SF2B-H88(SL)(-□) |
SF2B-A44(SL)(-□) |
1,752 |
1,790 |
1,806 |
433 |
870 |
1,308 |
| SF2B-H96(SL)(-□) |
SF2B-A48(SL)(-□) |
1,912 |
1,950 |
1,966 |
473 |
950 |
1,428 | |
| 型號 |
G |
H |
L |
| SF2B-H□ |
20 |
6 |
6(注1) |
| SF2B-A□ |
40 |
26 |
6(注1) | 注:1) SF2B-H8(SL)(-□)和SF2B-A4-(SL)(-□)為22mm。 |
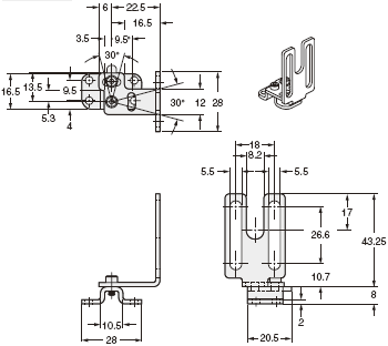
SF2B-□ SF2B-□SL 光幕傳感器、串聯連接專用輔助傳感器
下圖是標準安裝支架MS-SF2B-1(另售)和嫁連支撐支架MS-SF2B-2的安裝圖。 注: 1) 嫁連支撐支架MS-SF2B-2附帶于產品上。產品不同,附帶的個數也不同。 2) SF2B-H8(SL)-□和SF2B-A4(SL)-□及SF2B-H8SL和SF2B-A4SL上沒有裝備端帽。
| 型號 |
A |
K |
L |
M |
N |
P |
Q |
R |
| SF2B-H8(SL)(-□) |
SF2B-A4(SL)(-□) |
168 |
155 |
- |
- |
- |
- |
- |
- |
| SF2B-H12(SL)(-□) |
SF2B-A6(SL)(-□) |
232 |
219 |
- |
- |
- |
- |
- |
- |
| SF2B-H16(SL)(-□) |
SF2B-A8(SL)(-□) |
312 |
299 |
- |
- |
- |
- |
- |
- |
| SF2B-H20(SL)(-□) |
SF2B-A10(SL)(-□) |
392 |
379 |
- |
- |
- |
- |
- |
- |
| SF2B-H24(SL)(-□) |
SF2B-A12(SL)(-□) |
472 |
459 |
- |
- |
- |
- |
- |
- |
| SF2B-H28(SL)(-□) |
SF2B-A14(SL)(-□) |
552 |
539 |
- |
- |
- |
- |
- |
- |
| SF2B-H32(SL)(-□) |
SF2B-A16(SL)(-□) |
632 |
619 |
- |
- |
- |
- |
- |
- |
| SF2B-H36(SL)(-□) |
SF2B-A18(SL)(-□) |
712 |
699 |
- |
- |
- |
- |
- |
- |
| SF2B-H40(SL)(-□) |
SF2B-A20(SL)(-□) |
792 |
779 |
390 |
- |
- |
379.5 |
- |
- |
| SF2B-H48(SL)(-□) |
SF2B-A24(SL)(-□) |
952 |
939 |
470 |
- |
- |
459.5 |
- |
|
| SF2B-H56(SL)(-□) |
SF2B-A28(SL)(-□) |
1,112 |
1,099 |
550 |
- |
- |
539.5 |
- |
- |
| SF2B-H64(SL)(-□) |
SF2B-A32(SL)(-□) |
1,272 |
1,259 |
418 |
842 |
- |
407.5 |
831.5 |
- |
| SF2B-H72(SL)(-□) |
SF2B-A36(SL)(-□) |
1,432 |
1,419 |
472 |
948 |
- |
461.5 |
937.5 |
- |
| SF2B-H80(SL)(-□) |
SF2B-A40(SL)(-□) |
1,592 |
1,579 |
525 |
1,055 |
- |
514.5 |
1,044.5 |
- |
| SF2B-H88(SL)(-□) |
SF2B-A44(SL)(-□) |
1,752 |
1,739 |
433 |
870 |
1,308
|
422.5 |
859.5 |
1,297.5 |
| SF2B-H96(SL)(-□) |
SF2B-A48(SL)(-□) |
1,912 |
1,899 |
473 |
950 |
1,428 |
462.5 |
939.5 |
1,417.5 | |
| 型號 |
G |
H |
L |
| SF2B-H□ |
20 |
6 |
6(注1) |
| SF2B-A□ |
40 |
26 |
6(注1) | 注:1) SF2B-H8(SL)(-□)和SF2B-A4(SL)(-□)為22mm。 |
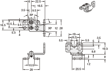
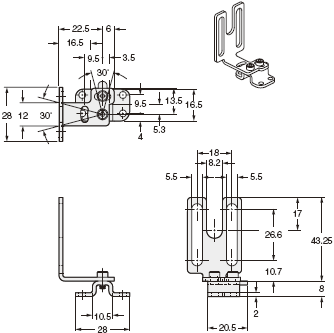
MS-SF2B-1 標準安裝支架(另售)
后部安裝時
 |
側面安裝時
 |
后部安裝時
 材質:不銹鋼(SUS304) 4個支架(R型、L型各2個)1套 {附帶M3六邊形插頭螺栓(長5mm) (光幕傳感器安裝用8個,光軸調整用8個)}
|
側面安裝時
 |
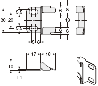
MS-SF2B-2 嫁連支撐支架(附帶于光幕傳感器)
用于后部安裝
 |
用于側面安裝
 |
用于主體安裝
 材質:不銹鋼(SUS304) 后部安裝用、側面安裝用、主體安裝用各2個1套(注1) | 注: 1) 嫁連支撐支架MS-SF2B-2附帶于下述產品中。產品不同,附帶的個數也不同,如下所示。 1套:SF2B-H□…40~56光軸的光幕傳感器,SF2B-A□…20~28光軸的光幕傳感器 2套:SF2B-H□…64~80光軸的光幕傳感器,SF2B-A□…32~40光軸的光幕傳感器 3套:SF2B-H□…88~96光軸的光幕傳感器,SF2B-A□…44~48光軸的光幕傳感器
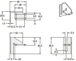
MS-SF2B-3 無死角安裝支架(另售)
主體
 材質:不銹鋼(SUS304)、壓鑄鋅 4個支架1套
L字形安裝
 |
嫁連支撐支架用墊片(附帶) 使用無死角安裝支架側面安裝光幕傳感器時,將其作為嫁連支撐支架MS-SF2B-2的墊片使用。
 材質:不銹鋼(SUS304) 6個支架1套 [附帶12個M5六邊形插頭螺栓(長8mm)]
安裝調整范圍 光幕傳感器的最大角度調整范圍為±10°。
 |
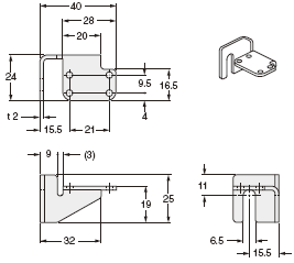
MS-SF2B-4 SF1-N/NA40用互換安裝支架(另售) 材質:不銹鋼(SUS304) 4個支架1套 [附帶8個M3六邊形插頭螺栓(長5mm)]
MS-SF2B-5 SF2-A/SF2-N用互換安裝支架(另售)
后部安裝時
 |
側面安裝時
 |
后部安裝時
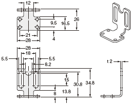
 材質:不銹鋼(SUS304) 4個支架(R型、L型各2個)1套 {附帶M3六邊形插頭螺栓(長5mm)(光幕傳感器安裝用8個、光軸調整用8個)} |
側面安裝時
 |
MS-SF2B-6 NA40用互換安裝支架(另售)
 材質:不銹鋼(SUS304) 4個支架(R型、L型各2個)1套 [附帶M3六邊形插頭螺栓(長5mm)(光幕傳感器安裝用8個、光軸調整用8個)] |
 |
MS-SF2B-7 SF1-N用互換安裝支架(另售)
右側面上部安裝用
 |
左側面上部安裝用
 |
右側面下部安裝用
 材質:不銹鋼(SUS304) 4種一個支架各1套 [附帶8個M3六邊形插頭螺栓(長5mm)] |
左側面下部安裝用
 |
SF2B-CCB□ 底帽電纜(另售) |
SF2B-CB□ 底帽電纜(另售) |
SFB-CC3 SFB-CC10 延長用電纜(另售) |
SFB-CCJ10E SFB-CCJ10D 延長用電纜(另售) |
SF2B-CSL01 SF2B-CSL05 串聯連接用電纜(另售) |
SF-C11 控制單元(另售) |
SF-C13 控制單元(另售) |
SF-LAT-2B 激光光軸對齊器![SF-LAT-2B 激光光軸對齊器]](/Editor/UploadFiles/products02/20081224141432703.gif) |
| |
SF-IND-2 光幕傳感器大顯示器(另售) |
|
|
|