|
|
|
產品名稱:
|
神視SF4B系列光幕傳感器
|
|
型 號:
|
SF4B系列
|
|
價 格:
|
|
|
品 牌:
|
|
|
|
|
光幕傳感器
SF4B系列 特點:兼顧安全性和生產性的新設想
產品特點:
由不斷追求安全性和生產性而產生的新設想。
保留了強抗外部光線干擾這一廣泛應用于工廠中的“SF4-A系列”的基本功能,同時再加上由于安全距離的減少而實現的裝置小型化,在光幕傳感器中內置的屏蔽控制電路,以及即使生產線在屏蔽控制中停止后也能重新起動的過載功能的裝備,使該光幕傳感器兼具了生產性和安全性。
有助于裝置小型化
最小檢測物體φ14mm Finger型登場,安全距離大幅縮短,生產性得到提高。
安全距離大幅縮短,生產性得到提高!
由于Finger型的投入使用,使設備實現了小型化,從而提高了工作效率,并削減了最低成本。 由于Finger型的最小檢測物體尺寸僅為φ14mm,因此與舊型號相比,其由國際ISO 13855標準規定的安全距離最大縮短了122mm。由此帶來的裝置小型化可為生產性和空間效率的提高做出貢獻。

最多可串聯連接3套
| 備有保護高度從230mm到1,910mm (Finger型為 1,270mm)的各種規格。如果使用另售的串聯連接電纜,則最多可串聯連接3套(最大192光軸)。由于節省了配線從而使低成本和防干擾得以實現。 |
 |
有助于裝置小型化
由于主體長度=保護高度,因此當進行連接時,光幕傳感器之間不存在死角。從而消除了因死角產生的危險的開口部,可放心使用。
|
|
備有便于進行零死角安裝的專用支架。 操作性能優良,可從光幕傳感器正面安裝以及調整光軸。 |
 |
防止因工件引起的生產線停止
光幕傳感器內置屏蔽功能靈活應用屏蔽控制功能從而確保生產性
是否安裝了使光幕傳感器在工件通過時不起反應的電路?
|
裝備有屏蔽控制功能,僅在人體通過時生產線停止,而工件通過時則可照常運行。可將屏蔽傳感器和屏蔽指示燈直接與光幕傳感器連接,無需屏蔽專用的控制器。低成本,且兼顧安全性和生產性。 |
 -可防止因工件通過引起的生產線停止 4個屏幕傳感器中同時有2個以上被遮光時,工件的檢測無效,光幕傳感器內置屏蔽功能。可有效防止工件通過時生產線停止,從而確保生產性。當人體進入時,由于無法使兩個以上同時被遮光,因此屏蔽功能不工作。
即使由于工件導致光幕傳感器處于被遮光狀態從而使電源關閉時,或在進入屏蔽前(屏蔽傳感器只有一個被遮光的狀態)生產線停止時,裝置也可重新起動。對于原有專用設備,基于工件,不能在遮光狀態中進行屏蔽控制。為此,必須要將工件清除后才能重新起動。但是,由于裝備了過載功能,也可在不清除遮光工件的情況下順利且安全的重新起動。
 |
|
使用手動控制器SFB-HC※(另售,參閱PDF P.12),可僅對特定光軸進行屏蔽控制。由于可指定光軸,因此無需另外設置防止進入用的阻擋裝置。 ※ 使用SF4B-□-01(參閱PDF P.15)時,不能使用手動控制器。
| 屏蔽控制中(生產線工作) |
生產線停止 |
 |
 | 例如,與工件高度一致,當屏蔽控制功能設定為從底端開始到第10根光軸為止時,如果第11根光軸以上的光軸被遮光時,則被判斷為人體,從而機器停車。 |
防止因工件引起的生產線停止
光幕傳感器主體內置有外部設備的監控功能(繼電器熔接監視等),以及聯鎖功能。構筑無需安全繼電器組的安全電路,另外由于控制盤也可小型化,從而有助于削減成本。
抑制生產線工作效率的低下
保留了先進的ELCA功能 減少了因相互干擾和外來光線引起的錯誤動作。
保留了先進的ELCA功能,該功能在SF4-A系列得到了市場的廣泛認可
● 無需防干擾線即可減少相互干擾已裝備了經過現場實際驗證的ELCA(Extraneous Light Check & Avoid)強抗干擾功能。由于光幕傳感器的掃描定時器可自動轉換,從而可免受干擾的影響,因此無需在裝置間配置防干擾線,光幕傳感器也可靈活設置。
● 減少了因外來光線引起的錯誤動作基于雙掃描方式,重試處理等SUNX所獨有的新功能,通過現場驗證證實了該傳感器可有效避免來至外部設備的瞬間外來光線干擾。由于減少了因外來光線引起的錯誤動作,從而使頻繁停止情況大大減少,抑制了生產線工作效率的低下。 |
 |
可幫助解決裝置安裝時產生的電氣系統故障
用于持續檢查光幕傳感器的電纜誤接線,斷線,短路,以及內部電路異常和異常入光等。當發生故障時,也能保持與檢測時相同的輸出(OFF信號),從而在確保安全的基礎上,通過數字顯示告知錯誤內容。 由于無需像原先那樣計算LED的閃爍次數,一眼即可確認錯誤內容,因此進行安裝或維護時,通過電話等即可順利進行技術支持。
保護光幕傳感器并防止引發故障 |
|
|
檢測面保護用正面防護罩 |
可有效防止檢測面因與工件碰撞而導致破損情況的發生。(另售) |
即使將光幕傳感器設置在充滿焊接飛濺物的惡劣環境中也可有效保護檢測面。(另售)
 |
可用工具調整光軸,簡單方便。施工時間大幅縮短。
| 光軸對齊指示燈將光幕傳感器的光軸分成4等分顯示。作為光軸對齊的基準,當底端(或頂端)的光軸對齊時,LED呈紅色閃爍。此后,光軸對齊的部分依次亮為紅色,如果所有光軸都入光則所有的LED均亮為綠燈。再加上穩定指示燈(STB),可更穩定的進行設置。 |
 |
| 由于安裝支架的光軸對齊用六角孔螺栓可從前面擰入,因此可在確認六邊形插頭螺栓位置的同時進行作業。光軸對齊時的光幕傳感器的角度調整更加易于進行,從而使施工性大大提高。 |
 |
如果運用SF-LAT-2N(另售)激光光軸對齊器,采用易見的光軸對齊視點,即使是遠距離安裝,也可簡單快速完成。此外,SF-LAT-2N激光光軸對齊器是電池帶動的,所以光軸對齊可在光幕傳感器實際通電前完成。
保養效率提高!可對應PNP/NPN兩種極性1個品種即可應對全球各種需求,且保養效率提高。
世界通用的全球化設計 對應PNP/NPN兩種極性 《業界第一》※基于2005年6月SUNX進行的研究。 |
均使用統一的維修零件《新提案》 備有舊型號光幕傳感器用互換電纜和安裝支架 |
● 1個機種即可應對全球的各種需求。 SF4B系列的1個品種對應于PNP集電極晶體管輸出和NPN集電極晶體管輸出。PNP的海外設備,NPN傳感器的調換,正極接地的工廠,設備的海外轉移等等,1個品種即適用于全球各種控制電路。
 ● 極性可通過接線切換 輸出極性設定線(屏蔽)連接到0V則為PNP輸出,連接到24V則切換為NPN輸出 。
 |
從現在使用中的光幕傳感器SF4-A系列和SF2-EH系列進行調換時,備有很簡單即可交換接線的互換電纜及間距變換支架(注1)。無需更換安裝孔及控制電路側的連接電纜即可順利與SF4B系列進行調換作業。由于無需舊產品的維修零件,可將注冊號碼全部統一為SF4B系列。
 |
手動控制器可根據應用進行各種設定 安全電路的構筑·施工簡單
可針對特定光軸的屏蔽控制功能使用手動控制器SFB-HC※(另售),可僅對特定光軸進行屏蔽控制。由于可指定光軸,因此無需另外設置防止進入用的阻擋裝置。詳情請參閱PDF P.7。
裝備有即使特定光軸被遮光也不會導致控制輸出(OSSD)OFF的固定消隱功能。在進行某些應用時非常方便,例如障礙物長時間將特定光軸遮住等時。而且當障礙物脫出檢測區域時,控制輸出(OSSD)會強制OFF,因此該功能十分安全。
可改變輔助輸出的輸出模式。
| 模式No. |
說明 |
| 0 |
控制輸出(OSSD1,OSSD2)的否定邏輯(出廠時設定) |
| 1 |
控制輸出(OSSD1,OSSD2)的肯定邏輯 |
| 2 |
投光時:輸出ON ,非投光時輸出OFF |
| 3 |
投光時:輸出OFF ,非投光時輸出ON |
| 4 |
不穩定入光時:OFF(注1) |
| 5 |
不穩定入光時:ON(注1) |
| 6 |
屏蔽時:ON |
| 7 |
屏蔽時:OFF |
| 8 |
入光時:ON,遮光時:OFF(注2) |
| 9 |
入光時:OFF,遮光時:ON(注2) | 注: 1)當使用固定消隱功能,不固定消隱功能以及屏蔽功能時該模式不可選。 2)與固定消隱功能,不固定消隱功能以及屏蔽功能無關,輸出檢測區域的入光/遮光狀態。
可使非特定的1,2或3個光軸失效。當被遮光光軸數在設定光軸數以下時,不會導致控制輸出(OSSD)OFF。 當重新排序時,例如在檢測區域內移動障礙物以及向光幕傳感器的檢測區域內放置材料等時, 此功能非常方便。  注:1) 如使用浮動消隱功能,則最小檢測物體會有改變。詳情請參閱“使用指南”(PDF P.36)。
| ●投光量控制功能 |
該功能用于減少投光量。可在正常模式和短路模式這兩個階段變更設定。出廠時設定為正常模式。 |
| ●設定內容監控功能 |
該功能可確認光幕傳感器的各種設定。 |
| ●保護功能 |
該功能確保只有輸入密碼時才可變更光幕傳感器的設定。出廠時設定為保護功能無效。 |
| ●設定復制功能 |
可將設定內容復制到其他的光幕傳感器中。在重復進行相同設定時,該功能可節約設定時間。 |
| ●屏蔽燈診斷的設定 |
如果使屏蔽燈診斷失效,那么即使將指示燈關閉,屏蔽功能也可繼續運行。 |
安全電路的施工時間減少備有專用的控制器 安全電路的構筑·施工簡單
可對應PNP/NPN兩種極性!由于使用1個機種即可進行PNP/NPN的輸入切換,從而有助于減少注冊號。 ※基于2005年6月SUNX進行的研究 
產品構成
訂購指南
| 種類 |
形狀 |
檢測距離(注1)(有效距離) |
型號 |
光軸數 |
保護高度 |
| Finger型 |
最小物體Φ14 (10mm光軸間距) |
 |
0.3~7m |
SF4B-F23 |
23 |
230mm |
| SF4B-F31 |
31 |
310mm |
| SF4B-F39 |
39 |
390mm |
| SF4B-F47 |
47 |
470mm |
| SF4B-F55 |
55 |
550mm |
| SF4B-F63 |
63 |
630mm |
| SF4B-F71 |
71 |
710mm |
| SF4B-F79 |
79 |
790mm |
| SF4B-F95 |
95 |
950mm |
| SF4B-F111 |
111 |
1,110mm |
| SF4B-F127 |
127 |
1,270mm |
| Hand型 |
最小物體Φ25 (20mm光軸間距) |
 |
0.3~9m |
SF4B-H12 |
12 |
230mm |
| SF4B-H16 |
16 |
310mm |
| SF4B-H20 |
20 |
390mm |
| SF4B-H24 |
24 |
470mm |
| SF4B-H28 |
28 |
550mm |
| SF4B-H32 |
32 |
630mm |
| SF4B-H36 |
36 |
710mm |
| SF4B-H40 |
40 |
790mm |
| SF4B-H48 |
48 |
950mm |
| SF4B-H56 |
56 |
1,110mm |
| SF4B-H64 |
64 |
1,270mm |
| 0.3~7m |
SF4B-H72 |
72 |
1,430mm |
| SF4B-H80 |
80 |
1,590mm |
| SF4B-H88 |
88 |
1,750mm |
| SF4B-H96 |
96 |
1,910mm |
| Arm/Foot型 |
最小物體Φ45 (40mm光軸間距) |
 |
0.3~9m |
SF4B-A6 |
6 |
230mm |
| SF4B-A8 |
8 |
310mm |
| SF4B-A10 |
10 |
390mm |
| SF4B-A12 |
12 |
470mm |
| SF4B-A14 |
14 |
550mm |
| SF4B-A16 |
16 |
630mm |
| SF4B-A18 |
18 |
710mm |
| SF4B-A20 |
20 |
790mm |
| SF4B-A24 |
24 |
950mm |
| SF4B-A28 |
28 |
1,110mm |
| SF4B-A32 |
32 |
1,270mm |
| 0.3~7m |
SF4B-A36 |
36 |
1,430mm |
| SF4B-A40 |
40 |
1,590mm |
| SF4B-A44 |
44 |
1,750mm |
| SF4B-A48 |
48 |
1,910mm | 注:1)檢測距離是投光器和受光器之間的可設定范圍。傳感器可檢測0.3mm以內的物體。  手動控制器未對應型備有不能使用手動控制器SFB-HC(另售)的型號。訂購時請在型號末尾加上“-01”。 例:SF4B-F23的手動控制器未對應型就是SF4B-F23-01
| 品名 |
型號 |
說明 |
| 標準安裝支架 |
MS-SFB-1 |
用于光幕傳感器后部和側面安裝 (1套4個支架用于投光器和受光器) |
| 間距變換支架 |
MS-SFB-4 |
用于將保護高度為200~750mm的舊型光幕 傳感器更換成SF4B系列。 同時也用于安裝2個M5六邊形插頭螺栓。 (1套4個支架用于投光器和受光器) |
| M8安裝支架 |
MS-SFB-1-T |
僅用1個M6六邊形插頭螺栓即可進行光幕傳感器后部和側面安裝。 (1套4個支架用于投光器和受光器) |
| M8間距變換支架 |
MS-SFB-4-T |
用于將保護高度為200~750mm的舊型光幕傳感器更換成SF4B系列。 同時也用于安裝1個M8六邊形插頭螺栓。 (1套4個支架用于投光器和受光器) |
| 無死角安裝支架 |
MS-SFB-3 |
可在不超出保護高度的情況下進行無死角安裝(1套4個支架用于投光器和受光器) |
| 標準安裝支架 |
間距變換支架 |
M8安裝支架 |
| MS-SFB-1 |
MS-SFB-4 |
MS-SFB-1-T |
 |
 |
 |
| M8間距變換支架 |
無死角安裝支架 |
—— |
| MS-SFB-4-T |
MS-SFB-3 |
—— |
 |
 注:根據標準在檢測頭上安裝1個接頭。 |
—— |
| 種類 |
形狀 |
型號 |
說明 |
| 基本構成(8芯電纜) |
3底帽電纜 |
散裝線 |
 |
SFB-CCB3 |
長度:3m
主體重量:約370g(2根) |
連接在光幕傳感器主體上,用于接線或連接控制器組SF-C13。
用于投光器和受光器每套2根,電纜外徑:φ6mm
電纜顏色:灰色用于投光器,灰色用于受光器(帶黑線)
最小彎曲半徑:R6mm |
| SFB-CCB7 |
長度:7m
主體重量:約820g(2根) |
| SFB-CCB10 |
長度:10m
主體重量:約1,160g(2根) |
| SFB-CCB15 |
長度:15m
主體重量:約1,710g(2根) |
| 連接器 |
 |
SFB-CB05 |
長度:0.5m
主體重量:約95g(2根) |
連接在光幕傳感器主體上,用于連接延長電纜或控制器組SF-C11。
用于投光器和受光器每套2根,電纜外徑:φ6mm
連接器最大外徑:φ14mm
電纜顏色:灰色用于投光器,灰色用于受光器(帶黑線)
最小彎曲半徑:R6mm |
| SFB-CB5 |
長度:5m
主體重量:約620g(2根) |
| SFB-CB10 |
長度:3m
主體重量:約1,200g(2根) |
| 4延長電纜 |
一端帶連接器 |
 |
SFB-CC3 |
長度:3m
主體重量:約380g(2根) |
用于連接延長電纜或控制器組SF-C13。
用于投光器和受光器每套2根,電纜外徑:φ6mm
連接器最大外徑:φ14mm
電纜顏色:灰色用于投光器,灰色用于受光器(帶黑線)
最小彎曲半徑:R6mm |
| SFB-CC10 |
長度:10m
主體重量:約1,200g(2根) |
| 兩端均帶連接器 |
投光器用 |
 |
SFB-CCJ10E |
長度:10m
主體重量:約580g(1根) |
用于連接延長電纜或控制器組SF-C11,SF-C14EX。
用于投光器和受光器各1根,電纜外徑:φ6mm
連接器最大外徑:φ14mm
電纜顏色:灰色用于投光器,灰色用于受光器(帶黑線)
連接器顏色:灰色用于投光器,黑色用于受光器
最小彎曲半徑:R6mm |
| 受漢器用 |
SFB-CCJ10D |
長度:10m
主體重量:約600g(1根) |
| 屏蔽控制構成(12芯電纜·附帶防干擾線) |
5底帽電纜 |
散裝線 |
 |
SFB-CCB3-MU |
長度:3m
主體重量:約420g(2根) |
連接在光幕傳感器主體上,用于連線或連接控制器組SF-C13。
用于投光器和受光器每套2根,電纜外徑:φ6mm
電纜顏色:灰色用于投光器,灰色用于受光器(帶黑線)
最小彎曲半徑:R6mm |
| SFB-CCB7-MU |
長度:7m
主體重量:約930g(2根) |
| 連接器 |
 |
SFB-CB05-MU |
長度:0.5m
主體重量:約110g(2根) |
連接在光幕傳感器主體上,用于連接延長電纜或控制器組SF-C12。
用于投光器和受光器每套2根,電纜外徑:φ6mm
連接器最大外徑:φ16mm
電纜顏色:灰色用于投光器,灰色用于受光器(帶黑線)
最小彎曲半徑:R6mm |
| 6延長電纜 |
一端帶連接器 |
 |
SFB-CC3-MU |
長度:3m
主體重量:約430g(2根) |
用于連接延長電纜或控制器組SF-C13。
用于投光器和受光器每套2根,電纜外徑:φ6mm
連接器最大外徑:φ16mm
電纜顏色:灰色用于投光器,灰色用于受光器(帶黑線)
最小彎曲半徑:R6mm |
| SFB-CC10-MU |
長度:10m
主體重量:約1,300g(2根) |
| 兩端均帶連接器 |
投光器用 |
 |
SFB-CCJ10E-MU |
長度:10m
主體重量:約660g(1根) |
用于連接延長電纜或控制器組SF-C12。
用于投光器和受光器各1根,電纜外徑:φ6mm
連接器最大外徑:φ16mm
電纜顏色:灰色用于投光器,灰色用于受光器(帶黑線)
連接器顏色:灰色用于投光器,黑色用于受光器
最小彎曲半徑:R6mm
|
| 受光器用 |
SFB-CCJ10D-MU |
長度:10m
主體重量:約680g(1根) |
| 7電纜串聯連接用 |
 |
SFB-CSL01 |
長度:0.1m
主體重量:約45g(2根) |
可串聯連接光幕傳感器。
用于投光器和受光器每套2根(投光器和受光器相同)
電纜外徑:φ6mm
電纜顏色:灰色(投光器和受光器相同)
最小彎曲半徑:R6mm |
| SFB-CSL05 |
長度:0.5m
主體重量:約95g(2根) |
| SFB-CSL1 |
長度:1m
主體重量:約150g(2根) |
| SFB-CSL5 |
長度:5m
主體重量:約150g(2根) |
| 3SF-C14EX專用連接電纜 |
 |
SFB-CB05-EX |
長度:0.5m
主體重量:約95g(2根) |
與光幕傳感器主體相連,用于連接應用擴展單元SF-C14EX或8芯延長用于兩端帶連接器電纜。
用于投光器和受光器每套2根,電纜外徑:φ6mm
電纜顏色:灰色用于投光器,灰色用于受光器(帶黑線)
連接器最大外徑:φ14mm,最小彎曲半徑:R6mm。 |
| SFB-CB5-EX |
長度:5m
主體重量:約620g(2根) |
| SFB-CB10-EX |
長度:10m
主體重量:約1,200g(2根) |
| 更換電纜 |
用于SF4A-AH□(PNP型) |
 |
SFB-CB05-A-P |
長度:0.5m
主體重量:約110g(2根) |
8芯底帽電纜規格。由于可直接與舊型光幕傳感器上使用的連接器電纜(控制電路側)連接。因此能順利替換為SF4B系列。
用于投光器和受光器每套2根,電纜外徑:φ6mm
連接器最大外徑:φ14mm
電纜顏色:灰色用于投光器,灰色用于受光器(帶黑線)
最小彎曲半徑:R6mm |
| 用于SF4A-AH□-N(PNP型) |
SFB-CB05-A-N |
| 用于SF2-EH□(PNP型) |
SFB-CB05-B-P |
| 用于SF2-EH□-N(PNP型) |
SFB-CB05-B-N |
| 品名 |
型號 |
說明 |
| 嫁連支撐支架(注1) |
MS-SFB-2 |
用于把光幕傳感器固定于中部。可安裝在光幕傳感器的后部及側面。 |
| 測試桿Φ14 |
SF4B-14 |
用于標準檢測以檢測最小檢測物體(φ 14mm), 用于Finger型(最小檢測物體 φ14mm) |
| 測試桿Φ25 |
SF4B-TR25 |
用于標準檢測以檢測最小檢測物體( φ25mm), 用于Hand型(最小檢測物體φ 25mm) | 注:1)所需套數因產品而異。
| 后部安裝時 |
側面安裝時 |
 |
 |
配件(另售)
| 品名 |
形狀 |
型號 |
適用電纜 |
說明 |
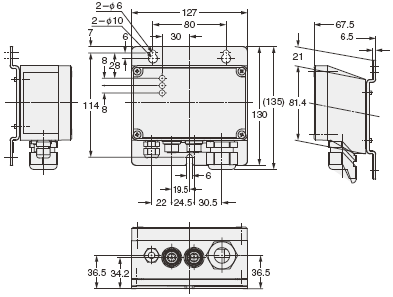
| 帶連接器控制器 |
 |
SF-C11□ |
SFB-CCJ10□ SFB-CB□ |
用8芯帶連接器電纜連接光幕傳感器。 可對應4類控制。 不能使用防干擾線、屏蔽功能。 |
| 牢固型控制器 |
 |
SF-C12□ |
SFB-CB05-MU SFB-CCJ10□-MU |
用12芯帶連接器電纜連接光幕傳感器。可使用防干擾線。 可對應4類控制。 不能使用屏蔽功能。 |
| 薄型控制器 |
 |
SF-C13 |
SFB-CC□(-MU) SFB-CCB□(-MU) |
用散裝電纜連接光幕傳感器。可使用屏蔽功能及防干擾線。 可對應4類控制。 |
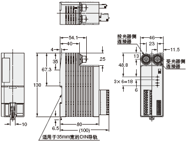
SF4B系列專用 應用擴展單元 |
 |
SF-C13 SF-C14EX |
光幕傳感器連接電纜: SFB-CB□-EX 延長電纜 SFB-CCJ10□ |
配備屏蔽控制功能和緊急停止輸入功能等,光幕傳感器的應用更為廣泛。 用專用連接電纜連接光幕傳感器。可對應4類控制。 |
符合日本國 內壓機標準 |
備有SF-C12內置安全繼電器的更換用繼電器組(安全繼電器2個,拆卸工具1個)。型號:SF-C12-RY
| 品名 |
形狀 |
型號 |
| 手動控制器 |
 ※附帶2根更換電纜 |
SFB-HC | 注:1)使用SF4B□-01及SF-C14EX-01時,不能使用手動控制器。 |
 注:1)如使用散裝底帽電纜時,請另行訂購SFB-CC3/CC10延長電纜。關于接線,請參閱產品附帶的使用說明書。 |
| 品名 |
正面防護罩 |
保護桿組件 |
光幕傳感器用隅角鏡 |
| Finger |
Hand |
Arm/Foot |
型 號 |
型 號 |
型 號 |
有效反射面 |
| 23 |
12 |
6 |
FC-SFBH-12 |
MC-SFBH-12 |
RF-SFBH-12 |
236×72 mm |
| 31 |
16 |
8 |
FC-SFBH-16 |
MC-SFBH-16 |
RF-SFBH-16 |
316×72 mm |
| 39 |
20 |
10 |
FC-SFBH-20 |
MC-SFBH-20 |
RF-SFBH-20 |
396×72 mm |
| 47 |
24 |
12 |
FC-SFBH-24 |
MC-SFBH-24 |
RF-SFBH-24 |
476×72 mm |
| 55 |
28 |
14 |
FC-SFBH-28 |
MC-SFBH-28 |
RF-SFBH-28 |
556×72 mm |
| 63 |
32 |
16 |
FC-SFBH-32 |
MC-SFBH-32 |
RF-SFBH-32 |
636×72 mm |
| 71 |
36 |
18 |
FC-SFBH-36 |
MC-SFBH-36 |
RF-SFBH-36 |
716×72 mm |
| 79 |
40 |
20 |
FC-SFBH-40 |
MC-SFBH-40 |
RF-SFBH-40 |
796×72 mm |
| 95 |
48 |
24 |
FC-SFBH-48 |
MC-SFBH-48 |
RF-SFBH-48 |
956×72 mm |
| 111 |
56 |
28 |
FC-SFBH-56 |
MC-SFBH-56 |
RF-SFBH-56 |
1,116×72 mm |
| 127 |
64 |
32 |
FC-SFBH-64 |
MC-SFBH-64 |
RF-SFBH-64 |
1,276×72 mm |
| — |
72 |
36 |
FC-SFBH-72 |
MC-SFBH-72 |
RF-SFBH-72 |
1,436×72 mm |
| — |
80 |
40 |
FC-SFBH-80 |
MC-SFBH-80 |
RF-SFBH-80 |
1,596×72 mm |
| — |
88 |
44 |
FC-SFBH-88 |
MC-SFBH-88 |
RF-SFBH-88 |
1,756×72 mm |
| — |
96 |
48 |
FC-SFBH-96 |
MC-SFBH-96 |
RF-SFBH-96 |
1,916×72 mm | 注:1)以上型號僅為單件而非成套部件。投光器/受光器都安裝需2個(2套)。(隅角鏡除外)
·FC-SFBH-□ 保護光幕傳感器的檢測面不受飛濺物及飛散物的損傷。 使用正面防護罩會使檢測距離縮短。
檢測距離
| |
SF4B-F□ |
SF4B-H□ |
SF4B-A□ |
12~64 光軸型 |
72~96 光軸型 |
6~32 光軸型 |
36~48 光軸型 |
| 僅安裝投光器 |
0.3~6m |
0.3~7.5m |
0.3~6m |
0.3~7.5m |
0.3~6m |
| 僅安裝受光器 |
0.3~6m |
0.3~7.5m |
0.3~6m |
0.3~7.5m |
0.3~6m |
| 兩側同時安裝投·受光器 |
0.3~5.5m |
0.3~7m |
0.3~5.5m |
0.3~7m |
0.3~5.5m | 注:1)檢測距離是投光器和受光器之間的可設定范圍。傳感器可檢測0.3m以內的物體。 |
 |
··RF-SFBH-□ L字型·U字型安裝時需要2套或3套光幕傳感器,但利用隅角鏡反射光,1套光幕傳感器即可進行L字型·U字型安裝。
檢測距離
| 隅角鏡1個 |
衰減至90% |
| 隅角鏡2個 |
衰減至80% | |
 |
·部件表
| 品名 |
數量 |
備注 |
| 保護桿 |
1根 |
材質:鋁 |
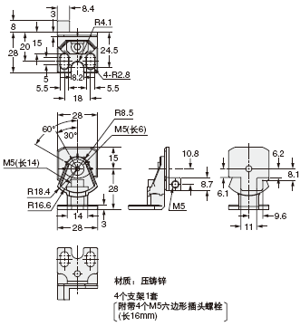
保護桿安裝支架 (左側用,右側用) |
各1個 |
材質:壓鑄鋅 |
| 帶墊圈的六邊形插頭螺栓 |
2個 |
M5(長20mm) |
| 六邊形插頭螺栓 |
2個 |
M5(長16mm) |
| 保護桿嫁連支撐支架(另售) |
1個 |
材質:冷軋碳鋼(SPCC) | 注:1)嫁連支撐支架(另售)安裝于比MC-SFBH-48長的保護桿上。 請在保護桿撓度較長時使用。 |
 |
| 品名 |
型號 |
說明 |
| 測試桿f45 |
SF4B-TR45
|
用于標準檢測以檢測最小檢測物體( 45mm), 用于Arm/Foot型(最小檢測物體 45mm)。 |
| 激光光軸對齊器 |
SF-LAT-2N |
由于激光光軸可視,光軸對齊很容易。 |
| 光, 幕傳感器大顯示器 |
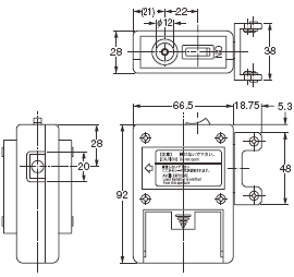
SF-IND-2 |
由于與光幕傳感器的輔助輸出連接,可從各角度確認檢測狀態。 規格 ·電源電壓:24V DC±15% ·消耗電流:12mA以下 ·指示燈:橙色LED(需8個) [外部連接為ON時亮起] ·周圍溫度:-10~+55°C (注意不可結露,結冰) ·材質:POM(蓋) 聚碳酸酯(罩) 冷軋碳鋼(SPCC)(支架) ·電纜:0.3mm2 2芯橡皮電纜,長3m ·重量:約70g(包括支架)
|
I/O電路圖 <帶NPN輸出型>
 <帶PNP輸出型>
 | |
|
|
|
 |
 |
連在光幕傳感器的頂端。固定光幕傳感器的安裝支架和SF-IND-2安裝支架 | |
SUNX主要屏蔽傳感器簡介
|
|
|
|
|
 |
 |
 |
 |
·國際標準尺寸。 ·品種繁多,共116種型號。 |
·厚度僅3.5mm ·長檢測距離:1m(透過型:EX-19) ※備有與EX-20系列對應的M3安裝螺絲。
|
·超小型省空間。 ·備有快速安裝聯結連接器。 |
·低價 ·裝備易見工作指示燈 |
| ※請在確認各屏蔽傳感器的規格后選擇。關于規格和設置條件,請參閱使用指南(PDF P.32~)。 | 技術信息:
規格 個別規格 SF4B-F□
| 種類 |
最小檢測物體φ 14mm型 |
| 型號 |
SF4B-F23 |
SF4B-F31 |
SF4B-F39 |
SF4B-F47 |
SF4B-F55 |
SF4B-F63 |
| 光軸數 |
23 |
31 |
39 |
47 |
55 |
63 |
| 光軸間距 |
10mm |
| 保護高度 |
230mm |
310mm |
390mm |
470mm |
550mm |
630mm |
| 消耗電流 |
投光器:80mA以下、受光器:120mA以下 |
投光器:100mA以下、受光器:160mA以下 |
| 重 量(含投光器和受光器) |
主體重量: 約570g |
主體重量: 約680g |
主體重量: 約800g |
主體重量: 約920g |
主體重量: 約1,030g |
主體重量: 約1,150g |
| 種類 |
最小檢測物體 φ 14mm型 |
| 型號 |
SF4B-F71 |
SF4B-F79 |
SF4B-F95 |
SF4B-F111 |
SF4B-F127 |
| 光軸數 |
71 |
79 |
95 |
111 |
127 |
| 光軸間距 |
10mm |
| 保護高度 |
710mm |
790mm |
950mm |
1,110mm |
1,270mm |
| 消耗電流 |
投光器: 100mA以下、 受光器: 160mA以下 |
投光器:115mA以下、 受光器:190mA以下 |
投光器:135mA以下、 受光器:230mA以下 |
| 重 量(含投光器和受光器) |
主體重量:約1,260g |
主體重量:約1,380g |
主體重量:約1,620g |
主體重量:約1,850g |
主體重量:約2,090g | 注:1)在未指定的測定條件下,周圍溫度=+20°C。
| 種類 |
最小檢測物體φ 14mm型 |
| 型號 |
SF4B-H12 |
SF4B-H16 |
SF4B-H20 |
SF4B-H24 |
SF4B-H28 |
SF4B-H32 |
| 光軸數 |
12 |
16 |
20 |
24 |
28 |
32 |
| 光軸間距 |
20mm |
| 保護高度 |
230mm |
310mm |
390mm |
470mm |
550mm |
630mm |
| 消耗電流 |
投光器:70mA以下、受光器:95mA以下 |
投光器:80mA以下、受光器:115mA以下 |
| 重 量(含投光器和受光器) |
主體重量: 約570g |
主體重量: 約680g |
主體重量: 約800g |
主體重量: 約920g |
主體重量: 約1,030g |
主體重量: 約1,150g |
| 種類 |
最小檢測物體φ 14mm型 |
| 型號 |
SF4B-H36 |
SF4B-H40 |
SF4B-H48 |
SF4B-H56 |
SF4B-H64 |
SF4B-H72 |
| 光軸數 |
12 |
16 |
20 |
24 |
28 |
32 |
| 光軸間距 |
20mm |
| 保護高度 |
710mm |
790mm |
950mm |
1,110mm |
1,270mm |
1,430mm |
| 消耗電流 |
投光器:80mA以下、 受光器:115mA以下 |
投光器:90mA以下、 受光器:140mA以下 |
投光器:100mA以下、 受光器:160mA以下 |
投光器:110mA以下、 受光器:180mA以下 |
| 重 量(含投光器和受光器) |
主體重量:約1,260g |
主體重量:約1,380g |
主體重量:約1,620g |
主體重量:約1,850g |
主體重量:約2,090g |
主體重量:約2,320g |
| 種類 |
最小檢測物體φ 25mm型 |
| 型號 |
SF4B-F71 |
SF4B-F79 |
SF4B-F95 |
| 光軸數 |
80 |
88 |
96 |
| 光軸間距 |
20mm |
| 保護高度 |
1,590mm |
1,750mm |
1,910mm |
| 消耗電流 |
投光器:110mA以下、受光器:180mA以下 |
投光器:120mA以下、受光器:200mA以下 |
| 重 量(含投光器和受光器) |
主體重量:約2,540g |
主體重量:約2,780g |
主體重量:約3,010g | 注:1)在未指定的測定條件下,周圍溫度=+20°C。
| 種類 |
最小檢測物體φ 45mm型 |
| 型號 |
SF4B-A6 |
SF4B-A8 |
SF4B-A10 |
SF4B-A12 |
SF4B-A14 |
SF4B-A16 |
| 光軸數 |
6 |
8 |
10 |
12 |
14 |
16 |
| 光軸間距 |
40mm |
| 保護高度 |
230mm |
310mm |
390mm |
470mm |
550mm |
630mm |
| 消耗電流 |
投光器:65mA以下、受光器:85mA以下 |
投光器:70mA以下、受光器:95mA以下 |
| 重 量(含投光器和受光器) |
主體重量:約170g |
主體重量:約680g |
主體重量:約800g |
主體重量:約920g |
主體重量:約1,030g |
主體重量:約1,150g |
| 種類 |
最小檢測物體φ 45mm型 |
| 型號 |
SF4B-A18 |
SF4B-A20 |
SF4B-A24 |
SF4B-A28 |
SF4B-A32 |
SF4B-A36 |
| 光軸數 |
18 |
20 |
24 |
28 |
32 |
36 |
| 光軸間距 |
40mm |
| 保護高度 |
710mm |
790mm |
950mm |
1,110mm |
1,270mm |
1,430mm |
| 消耗電流 |
投光器:70mA以下、受光器:95mA以下 |
投光器:75mA以下、受光器:105mA以下 |
投光器:80mA以下、受光器:120mA以下 |
投光器:85mA以下、受光器:130mA以下 |
| 重 量(含投光器和受光器) |
主體重量:約1,260g |
主體重量:約1,380g |
主體重量:約1,620g |
主體重量:約1,850g |
主體重量:約2,090g |
主體重量:約2,320g |
| 種類 |
最小檢測物體φ 45mm型 |
| 型號 |
SF4B-A40 |
SF4B-A44 |
SF4B-A48 |
| 光軸數 |
40 |
44 |
48 |
| 光軸間距 |
20mm |
| 保護高度 |
1,590mm |
1,750mm |
1,910mm |
| 消耗電流 |
投光器:85mA以下、受光器:130mA以下 |
投光器:95mA以下、受光器:140mA以下 |
| 重 量(含投光器和受光器) |
主體重量:約2,540g |
主體重量:約2,780g |
主體重量:約3,010g | 注:1)在未指定的測定條件下,周圍溫度=+20°C。
一般規格
| 種 類 |
最小檢測物體 φ14mm |
最小檢測物體 φ25mm |
最小檢測物體 φ45mm |
| 型 號 |
SF4B-F□ |
SF4B-H□ |
SF4B-A□ |
| 適用標準 |
JIS B 9704-1/2(Type 4)、JIS B 9705-1/ISO 13849-1(Category 4)、EN 954-1(Category 4) EN 61496-1(Type 4)、IEC 61496-1/2(Type 4)、UL 61496-1/2(Type 4)、UL 1998 |
| 檢測距離(有效距離)(注2) |
0.3~7m |
12~64光軸型: 0.3~9m 72~96光軸型: 0.3~7m |
6~32光軸型: 0.3~9m 36~48光軸型: 0.3~7m |
| 最小檢測物體(注3) |
φ14mm的不透明體 |
φ 25mm的不透明體 |
φ 45mm的不透明體 |
| 有效開口角 |
±2.5°以下[檢測距離超過3m時(符合IEC 61496-2/UL 61496-2)] |
| 電源電壓 |
24V DC±10% 脈動P-P10%以下 |
控制輸出 (OSSD1、OSSD2) |
PNP開路集電極晶體管/NPN開路集電極晶體管(切換式) ·PNP輸出時:最大源電流200mA,NPN輸出時:最大流入電流200mA ·外加電壓:同電源電壓(PNP輸出時:控制輸出和+V之間,NPN輸出時:控制輸出和0V之間) ·剩余電壓:2.5V以下(PNP輸出時:源電流200mA,NPN輸出時:流入電流200mA)(電纜長20m時) |
輸出工作
|
所有光軸入光時ON,一個以上光軸遮光時OFF(傳感器或同步信號有故障時OFF。)(注4)(注5) |
| 保護電路(短路保護) |
裝備 |
| 反應時間 |
OFF反應時間:14ms以下,ON反應時間: 80~90ms |
輔助輸出 (非安全輸出) |
PNP開路集電極晶體管/NPN開路集電極晶體管(切換式) ·PNP輸出時:最大源電流60mA,NPN輸出時:最大流入電流60mA ·外加電壓:同電源電壓(PNP輸出時:輔助輸出和+V間,NPN輸出時:輔助輸出和0V之間) ·剩余電壓:2.5V以下(PNP輸出時:源電流60mA,NPN輸出時:流入電流60mA)(電纜長20m時) |
| 輸出工作 |
控制輸出ON時OFF,控制輸出OFF時ON(出廠設定狀態下,可用SFB-HC手動控制器改變工作模式 |
| 保護電路(短路保護) |
裝 備 |
| 防干擾功能 |
裝 備(注6) |
| 投光停止功能 |
裝 備 |
| 聯鎖功能 |
裝 備[手動復歸/自動復歸(注7)] |
| 外部設備監控功能 |
裝 備 |
| 過載功能 |
裝 備(注6) |
| 屏蔽功能 |
裝 備(注6) |
| 可選功能(注8) |
固定消隱功能,不固定消隱功能,輔助輸出切換功能,聯鎖設定變更功能 外部繼電器監控設定變更功能,屏蔽設定變更功能,保護功能,投光量控制功能 |
環 境 性 能 |
保護構造 |
IP65(IEC) |
| 周圍溫度 |
-10~+55°C(注意不可結露、結冰),存儲:-25~+70°C |
| 周圍濕度 |
30~85%RH、存儲:30~95%RH |
| 周圍照明度 |
白熾燈:受光面照明度3,500Rx以下 |
| 耐電壓 |
AC1,000V 1分鐘,所有電源連接端子與外殼之間 |
| 絕緣電阻 |
20MΩ以上,所有電源連接端子與外殼之間,基于DC500V高阻表 |
| 耐振動 |
頻率10~55Hz,雙振幅:0.75mm,X,Y和Z各方向2小時 |
| 耐沖擊 |
加速度:300m/s2(約30G),X,Y和Z各方向3次 |
| 投光二極體 |
紅外線LED(投光波峰波長:870nm) |
| 材 質 |
主體外殼:鋁,上下外殼:鋅,檢測面:聚碳酸酯,帽:PBT |
| 連接方式 |
連接器連接 |
| 電纜長度 |
用另售匹配電纜全長可延伸至50m,用于投光器和受光器(注9) |
| 附件 |
MS-SFB-2(嫁連支撐支架):(注10)SF4B-TR14(測試桿):1個 |
MS-SFB-2(嫁連支撐支架):(注10)SF4B-TR25(測試桿):1個 |
MS-SFB-2(嫁連支撐支架):(注10) | 注: 1) 在未指定的測定條件下,周圍溫度=+20°C。 2) 檢測距離是投光器和受光器之間的可設定范圍。傳感器可檢測0.3m以內的物體。 3) 運用不固定消隱功能時,最小檢測物體的體積改變。消隱功能詳情請參閱P.12。 4) 在屏蔽中,即使光軸被遮光也不會OFF。 5) 消隱功能有效時,工作模式改變。消隱功能詳情請參閱P.12。 6) 請使用12芯電纜。 7) 基于接線,可切換手動復歸/自動復歸。 8) 使用可選功能時,需要手動控制器SFB-HC(另售)。但是,SF4B-□-01及SF-C14EX不能使用手動控制器。 9) 2套串聯連接時,請將全長控制在30m以下(投光器,受光器各一根),3套串聯連接時,請將全長控制在20m以下(投光器,受光器各一根)。另外,使用屏蔽指示燈時,請將全長控制在40m以下(投光器,受光器各一根)。 10) 下列傳感器附帶嫁連支撐支架(MS-SFB-2)。數量因產品而異。 1套:SF4B-F□…79~111光軸傳感器、SF4B-H□…40~56光軸傳感器、SF4B-A□…20~28光軸傳感器 2套:SF4B-F127、SF4B-H□…64~80光軸傳感器、SF4B-A□…32~40光軸傳感器 3套:SF4B-H□…88~96光軸傳感器、SF4B-A□…44~48光軸傳感器
專用控制器
| 型號 |
SF-C11 |
SF-C12 |
SF-C13 |
| 可連接的光幕傳感器 |
SF4B系列 |
SUNX制光幕傳感器 |
| 適用標準 |
IEC 61496-1、UL 61496-1、JIS B 9704-1 |
| 控制種類 |
ISO 13849-1(EN 954-1、JIS B 9705-1)符合最高4類標準 |
| 電源電壓 |
24V DC±10% 脈動P-P10%以下 |
| 消耗電流 |
100mA以下(光幕傳感器除外) |
| 額定保險絲 |
內置電子保險絲,遮斷電流:0.5A以上,斷電后重新設置 |
| 安全輸出 |
NO接點×3(13-14、23-24、33-34) |
NO接點×2(13-14、23-24) |
NO接點×3(13-14、23-24、33-34) |
| 利用種類 |
AC-15、DC-13(IEC 60947-5-1) |
額定工作電壓(Ue)/ 額定工作電流(Ie) |
30V DC/6A、230V AC/6A,電阻負荷(接點保護時為誘導負荷)最小適用負荷:10mA以上(24V DC)(注2) |
24V DC/1A,電阻負荷(接點保護時為誘導負荷)最小適用負荷:15mA以下(24V DC) |
30V DC/4A、230V AC/4A,電阻負荷(接點保護時為誘導負荷)最小適用負荷:10mA以上(24V DC)(注2) |
| 接點材質/接點 |
銀氧化錫(AgSnO),自動清洗,正啟動 |
鎳銀(AgNiO)+0.2 mAu(鍍金),自動清洗,正啟動 |
銀氧化錫(AgSnO),自動清洗,正啟動 |
| 接點電阻 |
100mΩ以下(初始值) |
50mΩ以下(初始值) |
100mΩ以下(初始值) |
| 接點保險絲 |
6A(慢流) |
3A(慢流) |
4A(慢流) |
| 機械壽命 |
1,000萬次以上(轉換頻率180次/分鐘)(注3) |
| 電子壽命 |
10萬次以上(轉換頻率20次/分鐘,230V AC/3A,電阻負荷)(注3) |
| 工作時間(自動復歸/手動復歸) |
80ms以下/90ms以下 |
30ms以下/30ms以下 |
80ms以下/90ms以下 |
| 反應時間(復歸時間) |
|
|
|
| 輔助輸出 |
安全繼電器接點(NC接點)×1(41-42)(隨安全輸出而動) |
安全繼電器接點(NC接點)×1(31-32)(隨安全輸出而動) |
安全繼電器接點(NC接點)×1(41-42)(隨安全輸出而動) |
| 額定工作電壓/工作電流 |
24V DC/2A,微電流:10mA以上(24V DC) |
30V DC/3A,最小適用負荷:15mA以下(24V DC) |
24V DC/2A,微電流:10mA以上(24V DC) |
接點保險絲 |
2A(慢流) |
3A(慢流) |
2A(慢流) |
| 半導體輔助輸出(AUX) |
〈負極接地(PNP時設定)〉 ·最大源電流:60mA ·外加電壓:同電源電壓 (半導體輔助輸出和+V間) ·剩余電壓:2.3V以下 (源電流為60mA時) ·漏出電流:2mA以下 |
〈正極接地(NPN時設定)〉 ·最大流入電流:60mA ·外加電壓:同電源電壓 (半導體輔助輸出和0V間) ·剩余電壓:1.5V以下 (流入電流為60mA時) ·漏出電流:2mA以下 | |
- |
PNP開路集電極晶體管 ·最大源電流:60mA ·外加電壓:同電源電壓 (半導體輔助輸出和+V間) ·剩余電壓:2.3V以下(源電流為60mA時) ·漏出電流:2mA以下 |
| 輸出工作 |
隨光幕傳感器輔助輸出變化 |
- |
光幕傳感器遮光時ON |
| 過量電壓種類 |
- |
指 示 燈 |
電 源(Ui) |
綠色LED(接通電源時亮起) |
| 安全輸出[OUT(注4)] |
綠色LED(安全輸出“關閉”時亮起) |
| 聯 鎖(INTER_LOCK) |
黃色LED(安全輸出“打開”時亮起) |
- |
黃色LED(安全輸出“打開”時亮起) |
| |
錯 誤(FAULT) |
黃色LED(發生錯誤時閃爍) |
橙色LED(2個光幕傳感器輸入極性選擇開關設定不同時亮起) |
黃色LED(發生錯誤時閃爍) |
| 外部繼電器監控功能 |
裝備 |
裝備(注5) |
裝備 |
| 跟蹤缺口功能 |
裝備 |
| 極性選擇功能 |
裝 備(可用滑動開關選擇正極/負極接地) 負極接地:對應PNP輸出光幕傳感器 正極接地:對應NPN輸出光幕傳感器 |
裝 備(可通過接線處理選擇正極/負極接地) 負極接地:對應PNP輸出光幕傳感器 正極接地:對應NPN輸出光幕傳感器 |
| 污染程度 |
2 |
環 境 性 能 |
保護構造 |
外殼:IP40,端子:IP20 |
IP65 |
外殼:IP40,端子:IP20 |
| 周圍溫度 |
-10~+55°C(注意不可結露、結冰),存儲:-25~+70°C |
| 周圍濕度 |
30~85%RH,存儲:30~95%RH |
35~85%RH,存儲:35~85%RH |
30~85%RH,存儲:30~95%RH |
| 耐振動 |
頻率/故障:10~55Hz,雙振幅:0.35mm ,X,Y和Z各方向20次 |
頻率:10~55Hz,雙振幅:0.75mm ,X,Y和Z各方向2小時 |
頻率/故障:10~55Hz,雙振幅:0.35mm ,X,Y和Z各方向20次 |
| 連接端子 |
彈觸分離式標準端子 |
歐洲型端子 |
彈觸端子 |
| 外殼材質 |
ABS |
壓鑄鋁 |
ABS |
| 重 量 |
主體重量:約320g |
主體重量:約1kg |
主體重量:約200g |
注: 1) 在未指定的測定條件下,周圍溫度=+20°C。 2) 多個SF-C11或SF-C13并排使用時,請將裝置的間隔控制在5mm以上。貼近安裝時,周圍溫度與安全輸出的額定電流的關系請參閱右圖。 3) 繼電器壽命因負荷的種類·轉換頻率·周圍環境而異。 4) SF-C12主體上的標記為“Enabling”。 5) 備有能利用SF4B系列各功能的端子。 |
〈SF-C11貼近安裝時的遞減圖〉
 |
〈SF-C13貼近安裝時的遞減圖〉
 |
| 型號 |
SF-C14EX |
| 可連接的光幕傳感器 |
SF4B系列 |
| 適用標準 |
IEC 61496-1、UL 61496-1、EN 61496-1、JIS B 9704-1 |
| 控制種類 |
ISO 13849-1(EN 954-1、JIS B 9705-1)符合最高4類標準 |
| 電源電壓 |
24V DC±10% 脈動P-P10%以下 |
| 消耗電流 |
0.2A以下(光幕傳感器及其它外部連接設備除外) |
安全輸出 (安全輸出1 安全輸出2 安全輸出3) |
PNP開路集電極晶體管2輸出×3/NPN開路集電極晶體管2輸出×3(可利用切換開關切換)
<選擇PNP輸出時> ·最大源電流:200mA以下 ·外加電壓:同電源電壓(安全輸出-+V間) ·剩余電壓:2V以下(源電流200mA時) |
<選擇NPN輸出時> ·最大流入電流:200mA以下 ·外加電壓:同電源電壓(安全輸出-0V間) ·剩余電壓:2V以下(流入電流200mA時) | |
工作模式 (輸出工作) |
安全輸出1:光幕傳感器入光時ON,光幕傳感器遮光時OFF(注3) 安全輸出2:光幕傳感器入光時或屏蔽功能有效時ON, 光幕傳感器遮光時或屏蔽功能無效時OFF(注3) 安全輸出3:緊急停止功能無效時ON,緊急停止功能有效時OFF |
| 保護電路 (短路保護) |
裝備 |
| 響應時間 |
OFF響應:14ms以下(安全輸出1、2包括光幕傳感器的響應時間) ON響應:90ms以下(自動復位)/140ms以下(手動復位)(注4) |
輔助輸出(非安全輸出) 輔助輸出1 輔助輸出2 輔助輸出3 輔助輸出4(注5) |
PNP開路集電極晶體管×3/NPN開路集電極晶體管×3(可利用切換開關切換)
<選擇PNP輸出時> ·最大源電流:60mA以下 ·外加電壓:同電源電壓(輔助輸出-+V間) ·剩余電壓:2V以下(源電流60mA時) |
<選擇NPN輸出時> ·最大流入電流:60mA以下 ·外加電壓:同電源電壓(輔助輸出-0V間) ·剩余電壓:2V以下(流入電流60mA時) | |
| 工作模式 (輸出工作) |
輔助輸出1:屏蔽功能無效時ON,屏蔽功能有效時OFF 輔助輸出2:超程功能無效時ON,超程功能有效時OFF 輔助輸出3:屏蔽指示燈正常時ON,屏蔽指示燈異常時OFF 輔助輸出4:光幕傳感器遮光時ON,光幕傳感器入光時OFF(注5) |
| 保護電路(短路保護) |
裝備 |
| 屏蔽指示燈輸出 |
可用屏蔽指示燈:24V DC、3.6W~30W(L1、L2兩個) |
| 保護電路 (短路保護) |
裝備 |
環 境 性 能 |
保護構造 |
外殼部:IP40,端子部:IP20 |
| 周圍溫度 |
-10~+55℃(注意不可結露、結冰),存儲時:-25~+70℃ |
| 周圍濕度 |
30~85%RH、存儲時:30~95%RH |
| 耐電壓 |
AC1,000V 1分鐘 所有帶電連接端子和外殼之間 |
| 絕緣電阻 |
20MΩ以上,基于DC500V的高阻表 所有帶電連接端子和外殼之間 |
| 耐振動 |
頻率:10~55Hz 雙振幅:0.35mm X,Y和Z方向各2小時 |
| 耐沖擊 |
加速度:30G X,Y和Z方向各3次 |
| 材質 |
外殼:ABS |
| 連接端子 |
可裝拆彈簧壓緊端子 |
| 重量 |
本體重量:約250g | 注: 1) 在未指定的測量條件下,周圍溫度=+20℃。 2) 緊急停止功能有效時,無論光幕傳感器處于入光還是遮光狀態,安全輸出1、2均為OFF。 3) 安全輸出3模式下,不能使用自動復位。 4) 執行SF4B系列內置的輔助輸出。
手動控制器
| 型 號 |
SFB-HC |
| 電源電壓 |
24V DC±10% 脈動P-P10%以下(光幕傳感器電源通用) |
| 消耗電流 |
65mA以下 |
| 交流方式 |
RS-485兩路通信(特定程序) |
| 數字顯示 |
4位紅色LED顯示×2(顯示選定的光軸,設置內容等) |
| FUNCTION指示燈 |
綠色LED×9(功能設定時亮起) |
| 功能 |
固定消隱功能(運載安裝狀況:無效)/不固定消隱功能(運載安裝狀況:無效)/ 輔助輸出切換功能(運載安裝狀況:OSSD否定邏輯)/投光量控制功能(運載安裝狀況:無效)/ 屏蔽設定變更功能(運載安裝狀況:全光軸有效,A=B)/ 聯鎖設定變更功能(運載安裝狀況:起動/重起動)/ 外部設備監控設定變更功能(運載安裝狀況:有效,300ms)/設定內容監控功能/ 保護功能(運載安裝狀況:無效)(運載預置密碼為:0000)/初始化功能/復制功能 |
| 周圍溫度 |
-10~+55°C(注意不可結露、結冰),存儲:-25~+70°C |
| 周圍濕度 |
30~85%RH,存儲:30~85%RH |
| 耐電壓 |
1,000V AC 1分鐘,所有電源連接端子與外殼之間 |
| 絕緣電阻 |
所有電源連接端子與外殼之間20MΩ以上,基于DC500V的高阻表 |
| 電纜 |
8芯屏蔽電纜(2根),一端有連接器,長0.5m |
| 重量 |
主體重量:約200g |
| 附件 |
變換電纜:2根 | 注:1) 在未指定的測定條件下,周圍溫度=+20°C。
激光光軸對齊器
| 型號 |
SF-LAT-2N |
| 電源電壓 |
3V(5號干電池×2個) |
| 電池 |
1.5V(5號干電池)×2個(可替換) |
| 電池壽命 |
約10小時持續供電(錳電池,周圍溫度+25°C時) |
| 投光二極體 |
紅色半導體激光:2級(IEC/JIS)(最大輸出:1mW,投光波峰波長:650nm) |
| 光點直徑 |
約10mm(距離為5m時) |
| 周圍溫度 |
0~+40°C(不可結露),存儲:0~+55°C |
| 周圍濕度 |
35~85%RH,存儲:35~85%RH |
| 材質 |
外殼:ABS,安裝部件:鋁 |
| 重量 |
主體重量:約200g(包括電池) |
| 附件 |
5號干電池:2個 | 注:1) 在未指定的測定條件下,周圍溫度=+20°C。
I/O電路圖和線路圖
I/O電路圖
 注:1)上圖使用的是12芯電纜。使用8芯電纜時沒有紅色、黃色、灰色、灰色/黑色、淡藍色/白色、淡藍色/黑色引線。 |
※S1
開關S1 ·投光停止輸入/復歸輸入 手動復歸 Vs~Vs-2.5V(流入電流:5mA以下):投光停止(注1) 開路:投光 自動復歸 Vs~Vs-2.5V(流入電流:5mA以下):投光(注1) 開路:投光停止 ·聯鎖設定輸入、過載輸入、屏蔽輸入A/B、外部設備監控輸入Vs~Vs-2.5V(流入電流:5mA以下):有效(注1) 開路:無效
注: 1)Vs為使用中的電源電壓。 2)開關S1可以連接“+V”或“0V”。上圖連接的是“+V”。 |
 注:1)上圖使用的是12芯電纜。使用8芯電纜時沒有紅色、黃色、灰色、灰色/黑色、淡藍色/白色、淡藍色/黑色引線。 |
※S1
開關S1 ·投光停止輸入/復歸輸入 手動復歸 0~+1.5V(源電流:5mA以下):投光停止 開路:投光 自動復歸 0~+1.5V(源電流:5mA以下):投光 開路:投光停止 ·聯鎖設定輸入、過載輸入、屏蔽輸入A/B、外部設備監控輸入0~+1.5V(源電流:5mA以下):有效 開路:無效
注:1)開關S1可以連接“+V”或“0V”。上圖連接的是“0V”。 |
連接示例基本構成(8芯電纜):聯鎖功能“有效(手動復歸)”,外部設備監控功能“有效”
 ※S1 開關S1 ·投光停止輸入/復歸輸入 手動復歸 Vs~Vs-2.5V(流入電流:5mA以下):投光停止(注1) 開路:投光 自動復歸 Vs~Vs-2.5V(流入電流:5mA以下):投光(注1) 開路:投光停止 注:1) Vs為使用中的電源電壓。 |
左圖所示為使用PNP輸出,且聯鎖功能“有效(手動復歸)”, 外部設備監控功能“有效”時的情況。 聯鎖功能“無效(自動復歸)”時
 外部設備監控功能“無效”時

※關于外部設備監控功能,請參閱PDF P.32。 |
 ※S1 開關S1 ·投光停止輸入/復歸輸入 手動復歸 0~+1.5V(源電流:5mA以下):投光停止 開路:投光 自動復歸 0~+1.5V(源電流:5mA以下):投光 開路:投光停止 |
左圖所示為使用NPN輸出,且聯鎖功能“有效(手動復歸)”, 外部設備監控功能“有效”時的情況。 聯鎖功能“無效(自動復歸)”時
 外部設備監控功能“無效”時

※關于外部設備監控功能,請參閱PDF P.32。 |
連接示例屏蔽控制構成(12芯電纜·附帶防干擾線):聯鎖功能“無效(自動復歸)”,外部設備監控功能“無效”
※S1 開關S1 ·投光停止輸入/復歸輸入 手動復歸 Vs~Vs-2.5V(流入電流:5mA以下):投光停止(注1),開路:投光 自動復歸 Vs~Vs-2.5V(流入電流:5mA以下):投光(注1),開路:投光停止 ·過載輸入、屏蔽輸入A/B、外部設備監控輸入 Vs~Vs-2.5V(流入電流:5mA以下):有效(注1),開路:無效 注:1) Vs為使用中的電源電壓。 |
左圖所示為使用PNP輸出,且聯鎖功能“無效(自動復歸)”, 外部設備監控功能“無效”時的情況。 聯鎖功能“有效(手動復歸)”時 ·聯鎖功能“有效(手動復歸)”時,過載功能不能使用。
 ※關于聯鎖功能,請參閱P.31。
外部設備監控功能“有效”時

※關于外部設備監控功能,請參閱PDF P.31。 |
開關S1 ·投光停止輸入/復歸輸入 手動復歸 0~+1.5V(源電流:5mA以下):投光停止,開路:投光 自動復歸 0~+1.5V(源電流:5mA以下):投光,開路:投光停止 ·過載輸入、屏蔽輸入A/B、外部設備監控輸入 0~+1.5V(源電流:5mA以下):有效,開路:無效 |
左圖所示為使用NPN輸出,且聯鎖功能“無效(自動復歸)”, 外部設備監控功能“無效”時的情況。 聯鎖功能“有效(手動復歸)”時 ·聯鎖功能“有效(手動復歸)”時,過載功能不能使用。
 ※關于聯鎖功能,請參閱PDFP.31。
外部設備監控功能“有效”時

※關于外部設備監控功能,請參閱PDF P.32。 |
SF-C11
PNP輸出(, 負極接地)型 ·將光幕傳感器輸入極性選擇開關設定于PNP一側,并將0V接地。
 注:1) 上圖為手動復歸時的情況。使用自動復歸時,請將X2 與X3連接。此時,無需復歸(RESET)按鈕。 2) 請將暫時性的開關用作復歸(RESET)按鈕。 3) 測試(TEST)按鈕開路時投光停止,短路時投光。若不使用時,請將T1-T2短路。 |
NPN輸出(正極接地)型 ·將光幕傳感器輸入極性選擇開關設定于NPN一側,并將電源輸入的正極接地。 | 連接本產品和光幕傳感器時,務必使用以下匹配電纜。 SFB-CB05(電纜長度:0.5m)、SFB-CB5(電纜長度:5m) SFB-CB10(電纜長度:10m) SFB-CCJ10E(用于投光器 電纜長度:10m) SFB-CCJ10D(用于受光器 電纜長度:10m)
|
|
|
 |
| 端子名 |
說明 |
| A1 |
+24V DC |
| A2 |
0V |
| 13-14、23-24、33-34 |
安全輸出(NO接點×3) |
| 41-42 |
輔助輸出(NC接點×1) |
| X1 |
復歸輸出端子 |
| X2 |
復歸輸入端子(手動) |
| X3 |
復歸輸入端子(自動) |
| A |
未使用 |
| B |
| T1 |
測試輸出端子 |
| T2 |
測試輸入端子 |
| AUX |
半導體輔助輸出 | |
 |
連接器 針No. |
投光器側 連接器 |
受光器側 連接器 |
| ① |
聯鎖 |
OSSD2 |
| ② |
+24V DC |
+24V DC |
| ③ |
投光停止 |
OSSD1 |
| ④ |
輔助輸出 |
EDM (外部繼電器監控器) |
| ⑤ |
同步線+ |
同步線+ |
| ⑥ |
同步線- |
同步線- |
| ⑦ |
0V |
0V |
| ⑧ |
屏蔽電線 |
屏蔽電線 | |
SF-C12
PNP輸出(負極接地)型 ·將2個光幕傳感器輸入極性選擇開關設定于PNP一側,并將F.G.端子連接至電源輸入0V。
 注:1) 上圖為手動復歸時的情況。使用自動復歸時,在T1-T2間連接常閉型的按鈕開關,并打開X1-X2。
NPN輸出(正極接地)型 ·將2個光幕傳感器輸入極性選擇開關設定于NPN一側,并將F.G.端子連接至電源輸入的正極。
連接本產品和光幕連接器時,務必使用以下匹配電纜。 SFB-CB05-MU(電纜長度:0.5m) SFB-CCJ10E-MU(用于投光器 延長電纜長度:10m) SFB-CCJ10D-MU(用于受光器 延長電纜長度:10m)

| 端子名 |
說明 |
| F.G. |
+24V DC |
| A2 |
0V |
| A1 |
安全輸出(NO接點×3) |
| 13-14、23-24 |
輔助輸出(NC接點×1) |
| 31-32 |
復歸輸出端子 |
| FB4 |
復歸輸入端子(手動) |
| FB3 |
復歸輸入端子(自動) |
| FB2 |
測試輸出端子 |
| FB1 |
測試輸入端子 |
| 端子名 |
說明 |
| R+ |
防干擾線+(受光器側) |
| R- |
防干擾線-(受光器側) |
| E+ |
防干擾線+((投光器側) |
| E- |
防干擾線-(投光器側) |
| T2 |
投光停止輸入端子 |
| T1 |
| X2 |
自動復歸/手動復歸選擇端子 手動復歸:X1-X2間短路 |
| X1 | |

連接器 針No. |
投光器側連接器 |
受光器側連接器 |
| ① |
聯鎖 |
OSSD2 |
| ② |
+24V DC |
+24V DC |
| ③ |
投光停止 |
OSSD1 |
| ④ |
輔助輸出 |
EDM(外部繼電器監控器) |
| ⑤ |
同步線+ |
同步線+ |
| ⑥ |
同步線- |
同步線- |
| ⑦ |
0V |
0V |
| ⑧ |
屏蔽電線 |
屏蔽電線 |
| ⑨ |
防干擾線+ |
防干擾線+ |
| ⑩ |
防干擾線- |
防干擾線- |
| ⑾ |
(屏蔽燈輸出) |
(屏蔽電線輸入1) |
| ⑿ |
(過載輸入) |
(屏蔽電線輸入2) | |
SF-C13
PNP輸出(負極接地)型 ·將光幕傳感器的控制輸出OSSD1和OSSD2分別連接至S1、S2。
 注: 1) 上圖為手動復歸時的情況。使用自動復歸時,請將X2與X3連接。此時,無需復歸(RESET)按鈕。 2) 請將暫時性的開關用作復歸(RESET)按鈕。 |

| 端子名 |
說明 |
| A1 |
+24V DC |
| A2 |
0V |
| S1~S4 |
光幕傳感器控制輸出(OSSD)輸入端子 |
| AUX |
半導體輔助輸出 |
| X1 |
復歸輸出端子 |
| X2 |
復歸輸入端子(手動) |
| X3 |
復歸輸入端子(自動) |
13-14、23-24、 33-34 |
安全輸出(NO接點×3) |
| 41-42 |
輔助輸出(NC接點×1) | 若將光幕傳感器一側接線,請另行準備端子座。 |
NPN輸出(正極接地)型 ·將光幕傳感器的控制輸出OSSD1和OSSD2分別連接至S4、S2,并將正極接地。
 注:1) 上圖為手動復歸時的情況。使用自動復歸時,請將X2與X3連接。此時,無需復歸(RESET)按鈕。 注:2) 請將暫時性的開關用作復歸(RESET)按鈕。 連接SF-C13和光幕傳感器時,務必使用以下散線連接電纜。 SFB-CCB□(-MU)、SFB-CC□(-MU) |
|
規格
聯鎖功能
·遮光狀態下控制輸出(OSSD1、OSSD2)OFF時,若復歸信號未輸入,控制輸出將保持OFF狀態。 ·通過聯鎖設定輸入(淡紫色)接線,可以選擇聯鎖有效(手動復歸)還是聯鎖無效(自動復歸)。 |
| 聯鎖功能 |
復歸功能 |
聯鎖設定輸入(淡紫色) |
| 有效 |
手動復歸 |
連接0V或+V |
| 無效 |
自動復歸 |
開路 | |
·遮光狀態下控制輸出(OSSD1、OSSD2)OFF時,即使在入光狀態下復歸,控制輸出(OSSD1、OSSD2)仍為OFF,而不會自動轉為ON。 在入光狀態下,通過輸入復歸信號[投光停止輸入/復歸輸入“開路”→“0V或+V短路”→“開路”],控制輸出(OSSD1、OSSD2)為ON。 (請參閱PDF P.26~線路圖。) |
<時間表>
 |
| ·在遮光狀態下控制輸出(OSSD1、OSSD2)OFF時,若在入光狀態下復歸,則控制輸出自動轉為ON。 |
 |
若在自動復歸狀態下使用本設備,安全輸出遮斷后,請用安全繼電器等防止系統的自動復歸。(根據EN 60204-1)
投光停止功能
| ·是指使投光器的投光工作停止的功能。投光停止輸入/復歸輸入(粉紅色)狀態下,可以選擇投光/投光停止。 |
| 聯鎖功能的設定狀態 |
投光停止輸入/復歸輸入 |
投光狀態 |
| 有效(手動復歸) |
開路 |
投光 |
| 連接0V或+V |
投光停止 |
|
無效(自動復歸) |
開路 |
投光停止 |
| 連接0V或+V |
投光 | |
·投光停止中,控制輸出(OSSD1、OSSD2)OFF。 ·通過該功能,即使在設備一側也能確認因噪音導致的錯誤操作,以及控制輸出(OSSD1、OSSD2)和輔助輸出故障。 ·聯鎖無效(自動復歸)時,只要將投光停止輸入/復歸輸入(粉紅色)連接至0V或+V即可恢復正常工作。 |
<時間表[聯鎖功能有效(自動復歸)時]>
![<時間表[聯鎖功能有效(自動復歸)時]>](/Editor/UploadFiles/products02/20081224123911538.gif) |
輔助輸出(非安全輸出)
| 輔助輸出設定 |
正常工作 |
鎖定 |
| 投光停止 |
控制輸出(OSSD1、OSSD2) |
| 入光 |
遮光 |
| OSSD否定邏輯(出廠時的設定) |
ON |
OFF |
ON |
ON | |
<時間表>
 |
若要使裝置停止請不要使用輔助輸出,否則可能會導致重傷甚至死亡。
外部設備監控功能
·檢查連接控制輸出(OSSD1、OSSD2)的外部安全繼電器是否根據控制輸出(OSSD1、OSSD2)正常工作。監控外部安全繼電器的b接點,如果檢查到因接點熔接等引起的故障時,在傳感器鎖定狀態下將控制輸出(OSSD1、OSSD2)OFF。 外部設備監控功能有效時 ·請將外部設備監控輸入(黃綠色)連接至與控制輸出(OSSD1、OSSD2)連接的外部安全繼電器。請參閱P.26~的線路圖。 未使用外部設備監控功能時 ·請將外部設備監控輸入(黃綠色)和輔助輸出(黃綠色/黑色)連接。此時,將輔助輸出的輸出工作設置為“控制輸出(OSSD1、OSSD2)否定邏輯”(出廠時設定)。
 ·手動控制器SFB-HC(另售)可以使外部設備監控功能設置無效。但是,使用SF4B-□(參閱P.15)時,不能使用手動控制器。 |
<時間表(正常)>
 ·外部設備監控器的設定時間在300ms以下。若超過300ms,監控器將處于鎖定狀態。手動控制器SFB-HC(另售)的可設定范圍是100~600ms(單位:10ms)。但是,使用SF4B-□(參閱P.15)時,不能使用手動控制器。
<時間表(異常1)>
 <時間表(異常1)>
 |
屏蔽功能
·屏蔽控制使用錯誤容易引發事故,因此務必請在充分理解屏蔽控制的基礎上正確使用。關于屏蔽控制參閱以下國際標準的要求。ISO 13849-1(EN 954-1/JIS B 9705-1):“控制系統的安全關聯部:第1部·設計的一般原則,5.9項屏蔽”IEC 61496-1(UL 61496/JIS B 9704-1):“電氣檢查保護設備:第1部·一般要求事項及試驗、附件說明書A、A.7 屏蔽”IEC 60204-1(JIS B 9960-1): “機器類的安全性-機器的電氣設備- 第1部·一般要求事項、9.2.4 安全防護中止”EN 415-4:“Safety of packaging machines part 4. Palletizers and depalletizers”Annex A, A2.2 Muting ANSI B11.19-1990: “for Machine Tools-Safeguarding When Referenced by the Other B11 Machine Tool Safety Standards-Performance Criteria for the Design, Construction, Care, and Operation”4.2.3 Presense-Sensing Devices: Electro-Optical and Radio Frequency (R.F.) ANSI/RIA R15.06-1999 :“關于工業用自動機械及自動機械系統的美國標準-安全性要求事項:10.4.5屏蔽” ·請在機器循環的安全區使用屏蔽控制。另外,請用其他方法保持屏蔽控制中的安全性。 ·如果工件通過時屏蔽控制有效,與工件一起或工件未通過時,請安裝屏蔽傳感器以避免因人體通過而起動屏蔽控制。 ·請將屏蔽指示燈安裝在進行設定和調整的操作人員容易看得見的位置。 ·使用屏蔽功能之前,請務必確認工作情況。另外,也請確認屏蔽指示燈的狀態(是否干凈)。 ·使本裝置的安全功能暫時無效。控制輸出(OSSD1、OSSD2)ON時,可以在機器運行狀態下使工件通過檢測領域。當符合以下所有條件時,屏蔽功能有效。
1控制輸出(OSSD1、OSSD2)ON。 2在屏蔽燈輸出(紅色)上連接3~10W的白熾燈。 3屏蔽傳感器A、B、C、D的輸出由OFF(開路)進入ON狀態。此時,屏蔽傳感器A、B、C、D的輸出進入ON狀態的時間差為0.03~3秒。
·在屏蔽傳感器中可使用半導體輸出的光電傳感器、接近傳感器、N.O.(常開)接點的定位開關等。 ·使用屏蔽功能時請購買12芯電纜。 屏蔽傳感器規格
| |
ON時工作 |
OFF時工作 |
非入光時ON(光電傳感器等) 接近時ON(接近傳感器等) 接觸時ON(定位開關等) |
輸出0V 或+V |
開路 |
·請務必使用符合上表“屏蔽傳感器規格”的屏蔽傳感器。否則一旦屏蔽功能意外起動,有可能導致操作者重傷甚至死亡。 ·請務必連接屏蔽指示燈。如未連接屏蔽指示燈則屏蔽功能無效。
屏蔽傳感器的設置條件
 |
1.根據檢測物體的全長縮短屏蔽傳感器A-C和B-D之間的距離。 2.將通過屏蔽傳感器A-B間的檢測物體的移動速度S(m/s)設定為低于30ms~3s。 A-B間的距離(m):S×低于3(s) 3.將通過屏蔽傳感器C-D間的檢測物體的移動速度S(m/s)設定為低于3s。 C-D間的距離(m):S×低于3(s) |
 |
 |
<時間表>
 |
·手動控制器(SFB-HC)(另售)可以使各個光軸的屏蔽功能無效,也可指定屏蔽功能有效的屏蔽傳感器的輸出順序。但是,使用SF4B-□(參閱P.15)時,不能使用手動控制器。 ·最好將2個屏蔽顯示燈并聯連接。但合計請不要超過10W。 注:1) 若1秒內屏蔽顯示燈不亮說明屏蔽功能無效。 |
過載功能
·強制使裝置的安全功能無效。使用屏蔽功能時,若控制輸出(OSSD1、OSSD2)OFF以及生產線起動時屏蔽傳感器ON,此時若要起動機器便可以使用過載功能。當符合以下所有條件時,過載功能有效。
1在屏蔽燈輸出(紅色)上連接3~10W的白熾燈。 2在屏蔽傳感器A、B的一側輸入信號。 3將過載輸入(黃色)在0V或+V時短路,投光停止輸入/復歸輸入(粉紅色)開路(持續3s)。
只要3個條件中的1個無效,60s后過載功能便會無效。 ·過載功能只在聯鎖功能無效(自動復歸)時才工作。 ·使用過載功能時請購買12芯電纜。 |
<時間表>
 注:1)若4秒內屏蔽顯示燈不亮說明過載功能無效。 |
請將投光停止輸入/復歸輸入按鈕和過載輸入按鈕安裝在危險領域外且能清楚看到危險領域的位置。
串聯連接
最多可連接3套(光軸總數最多為192個) ·當可從2個以上的方向接近危險區域時,多套投光器和受光器應相對串聯連接。當任何一套的光束被干擾時,控制輸出(OSSD1, OSSD2)變為OFF。
串聯連接時,請用專門的串聯用電纜(SFB-CSL□)連接投光器和投光器及受光器和受光器。若連接錯誤,傳感器檢測不到,會導致重傷甚至死亡。 |
 |
并聯連接
·當有兩個危險區域,且僅有1個方向接近危險區域時,多套投光器和受光器應相對并聯連接。如連接光幕傳感器的防干擾線,則最多可并聯連接3套。僅處于遮光狀態的光幕傳感器的控制輸出(OSSD1, OSSD2)變為OFF。
并聯連接時,如下圖所示,請將受光器一側與投光器一側的防干擾線連接。若連接錯誤,傳感器檢測不到,會導致重傷甚至死亡。 |
 注: 1)使用防干擾線時,請購買12芯電纜。 2)延長防干擾線時,請使用 0.2mm2以上的雙層螺紋屏蔽電纜。 |
串聯/并聯混合連接
·串聯/并聯混合連接支持多套投光器和受光器的使用,它是串聯和并聯的結合。當有兩個危險區域,且可從2個以上的方向接近危險區域時,使用此方法。根據組合情況,串聯/并聯連接可連接多達3套。但光軸總數最多為192個。僅處于遮光狀態的光幕傳感器的控制輸出(OSSD1,OSSD2)變為OFF。
并聯連接時,如下圖所示,請將受光器一側與投光器一側的防干擾線連接。若連接錯誤,傳感器檢測不到,會導致重傷甚至死亡。 |
 注: 1)使用防干擾線時,請購買12芯電纜。 2)延長防干擾線時,請使用 0.2mm2以上的雙層螺紋屏蔽電纜。 |
接線
參照使用本裝置地區的相應規格。另外,確保采取所有必要措施以避免由于接地錯誤而可能引起的危險操作錯誤。 ·請確認在電源關閉狀態下進行接線。 ·請確認電源電壓的變化不超出額定范圍。 ·如果電源是由商用開關調節器提供,請確保電源機架接地端子(F.G.)接地。 ·如果在該傳感器附近使用產生噪音的設備(開關調節器,轉換發動機等),請將設備屏蔽地線端子(F.G.)接地。 ·請勿將電線與高壓線或電源線一起或在同一管線內運行線路,這可能會由于感應而引起故障。
部件說明和功能
| 聯鎖功能 |
復歸 功能 |
聯鎖設定輸入(淡紫色) |
光軸對齊指示燈 (紅色/綠色) [RECEPTION] |
A |
光幕傳感器上部所有光軸入光時:紅色燈亮起 光幕傳感器頂端光軸入光時:紅色燈閃爍 控制輸出ON時:綠色燈亮起 |
| B |
光幕傳感器中上部所有光軸入光時:紅色燈亮起 控制輸出ON時:綠色燈亮起 |
| C |
光幕傳感器中下部所有光軸入光時:紅色燈亮起控制 輸出ON時:綠色燈亮起 |
| D |
光幕傳感器下部所有光軸入光時:紅色燈亮起 光幕傳感器底端光軸入光時:紅色燈閃爍 控制輸出ON時:綠色燈亮起 |
工作狀態指示燈 (紅色/綠色) [OSSD](注1) |
光幕傳感器工作時亮起[但是:隨控制輸出變化] 控制輸出OFF時:紅色燈亮起 控制輸出ON時:綠色燈亮起 |
入光量指示燈 (橙色/綠色)[STB] |
入光過量時(入光量130%以上)(注2):綠色燈亮起 穩定入光時(入光量115~130%以上)(注2):熄滅 不穩定入光時(入光量100~115%以上)(注2):橙色燈亮起 遮光時:熄滅(注3) |
錯誤指示燈(黃色) [FAULT](注4) |
傳感器出現錯誤時亮起或閃爍 |
| 數字錯誤指示燈(紅色)(注4) |
鎖定時亮起顯示錯誤內容 |
| PNP指示燈(橙色)[PNP] |
PNP輸出設定時亮起 |
| NPN指示燈(橙色)[NPN] |
NPN輸出設定時亮起 |
投光量控制指示燈 (橙色)[CTRL] |
短路模式時:亮起 正常模式時:熄滅 |
投光停止指示燈(橙色) [HALT] |
投光停止時:亮起,投光時:熄滅 |
| 聯鎖功能 |
復歸 功能 |
聯鎖設定輸入(淡紫色) |
光軸對齊指示燈 (紅色/綠色) [RECEPTION] |
A |
光幕傳感器上部所有光軸入光時:紅色燈亮起 光幕傳感器頂端光軸入光時:紅色燈閃爍 控制輸出ON時:綠色燈亮起 |
| B |
光幕傳感器中上部所有光軸入光時:紅色燈亮起控制輸出ON時:綠色燈亮起 |
| C |
光幕傳感器中下部所有光軸入光時:紅色燈亮起控制輸出ON時:綠色燈亮起 |
| D |
光幕傳感器下部所有光軸入光時:紅色燈亮起光幕傳感器底端光軸入光時:紅色燈閃爍 控制輸出ON時:綠色燈亮起 |
OSSD指示燈 (紅色/綠色)[OSSD] |
控制輸出OFF時:紅色燈亮起 控制輸出ON時:綠色燈亮起 |
入光量指示燈 (橙色/綠色)[STB] |
入光過量時(入光量130%以上)(注2):綠色燈亮起 穩定入光時(入光量115~130%以上)(注2):熄滅 不穩定入光時(入光量100~115%以上)(注2):橙色燈亮起 遮光時:熄滅(注3) |
| 錯誤指示燈(黃色)[FAULT](注4) |
傳感器出現錯誤時亮起或閃爍 |
| 數字錯誤指示燈(紅色)(注4) |
鎖定時亮起顯示錯誤內容 |
| PNP指示燈(橙色)[PNP] |
PNP輸出設定時亮起 |
| NPN指示燈(橙色)[NPN] |
NPN輸出設定時亮起 |
| 功能設定指示燈(橙色)[FUNCTION] |
使用消隱功能時:亮起(注5) 連接手動控制器時:閃爍 |
聯鎖指示燈(黃色) [INTERLOCK] |
聯鎖時:亮起 不聯鎖時:熄滅 | 注: 1)工作狀態指示燈顏色根據控制輸出(OSSD1,OSSD2)的ON/OFF狀態變化,故傳感器上工作狀態指示燈標為“OSSD”。 2)控制輸出(OSSD1,OSSD2)由OFF變為ON的基準值用入光量100%表示。 3)遮光時是指檢測區域內有遮光物體存在的狀態。 4)詳情請參閱產品附帶的使用說明書。 5)消隱功能需用手動控制器SFB-HC(另售)進行設定。請另行訂購手動控制器。但是,使用SF4B-□(參閱P.15)時,不能使用手動控制器。 6)傳感器上標有[ ]內的說明。
其他·電源接通后的短時間(2s)內,請勿使用。 ·避免灰塵,污垢和水蒸氣。 ·請勿將傳感器與水、油、油脂或有機溶液,如稀釋劑等直接接觸。 ·請勿將傳感器直接暴露于快速啟動燈或高頻照明設備的熒光下,這會影響檢測性能。
·在“PSDI模式”下,將本裝置作為起動裝置使用時,必須在本裝置和設備間構筑適當的控制電路。詳情請參閱各國各地區的相應規格。 ·在美國使用本產品時,請參照OSHA 1910.212和OSHA 1910.217。在歐洲使用時,請參閱EN 999。安裝本產品前,請遵守國家及地方要求。 ·本目錄是選擇合適產品的向導。使用產品前請參閱產品附帶的使用說明書。 ·由于出廠時投·受光器均經過調整,因此請將投光器和受光器按照相同的序列No.組合使用。序列No.號標在投光器及受光器的標牌上。(型號以下5位數字為序列No.)
·正常使用前務必檢測運行。 ·該安全系統僅用于通過緊急停止部件或關閉電源立即可停止危險部件工作的機器。切勿使用工作循環中不可停止的機器系統。
檢測領域
·安裝機器時,請確保必須完全通過檢測區才能到達機器危險處。此外,在機器危險處進行作業時,請確保人體的一部或全部必須留在檢測區內。如果未檢測到人體會導致重傷甚至死亡。 ·請勿使用任何反射型或回歸反射型設備。 ·請將相對的投光器和受光器按相同類型(光軸間距,光軸數相同)從上下方向對齊連接。如果將不同類型的組合連接,則會因傳感器檢測不到,從而導致重傷甚至死亡。 ·如果相對一個投光器(或受光器)連接多個受光器(或投光器),則會因傳感器檢測不到或相互干擾,從而導致重傷甚至死亡。
安全距離
·正確計算安全距離,檢測領域及機器危險部分應始終保持安全距離或大于安全距離。(關于方程式,請根據最新的規格確認。)若錯誤計算安全距離或沒有保持安全距離,會因在到達機器危險部分前不能緊急停止,從而導致重傷甚至死亡。 ·設計系統時,請參閱安裝使用設備的相關地區標準。
本裝置最小檢測物體的尺寸因是否使用不固定消隱功能而異。安全距離的計算方程式因最小檢測物體的尺寸是大于還是小于 40mm而異。請按最小檢測物體的正確尺寸和方程式計算安全距離。 使用不固定消隱功能時最小檢測物體的尺寸
| __ |
使用不固定消隱功能時的最小檢測物體 |
| 未設定 |
設定(注1) |
| 1個光軸 |
2個光軸 |
3個光軸 |
| SF4B-F□(最小檢測物體 14mm) |
14mm |
24mm |
34mm |
44mm |
| SF4B-H□(最小檢測物體 25mm) |
25mm |
45mm |
65mm |
85mm |
| SF4B-A□(最小檢測物體 45mm) |
45mm |
85mm |
125mm |
165mm | 注 :1)不固定消隱功能詳情請參閱P.12。但是,使用SF4B-□-01(參閱P.15)時,不能使用不固定消隱功能。 ·當人垂直移向(正常進入)傳感器檢測區時,安全距離的計算依據下頁方程式。若進入方向不垂直,請務必參照相關規格(地區或設備規格)。
適用于歐洲(根據EN 999)(也適用于ISO 13855) 垂直進入檢測領域 <最小檢測物體小于 40mm> ·方程式1 S=K×T+C S:安全距離(mm) 檢測領域表面和機器的危險部分之間的最小距離。 K:操作員身體或物體的進入速度(mm/s) 通常以2,000(mm/s)計算。 T:所有設備反應時間(s) T=Tm+TSF4B Tm:機械最大停止時間(s) TSF4B:本裝置反應時間(s) C:由光幕傳感器最小檢測物體尺寸計算出的額外距離(mm)。 但是C值不可小于等于0。 C=8×(d-14) d:最小檢測物體直徑(mm)
計算安全距離S時,有如下5種情況。 首先,把K=2,000(mm/s)代入上述方程式進行計算。得出的結果分為1)S<100,2)100≤S≤500,3)S>500。當結果為 3)S>500時,以K=1,600(mm/s)代入上述方程式進行再次計算。此時的結果分為4)S≤500,和5)S>500。 詳情請參閱產品附帶的使用說明書。 為測定Tm(機械最大停止時間),請使用暫停監控器。 在“PSDI模式”下使用本裝置時,必須計算出恰當的安全距離S。詳情請參閱各國各地區的相應標準。
<最小檢測物體尺寸大于 40mm> ·方程式 S=K×T+C S:安全距離(mm) K:操作員身體或物體的進入速度(mm/s)以1,600(mm/s)計算 T:所有設備反應時間(s) T=Tm+TSF4BTm:機械最大停止時間(s) TSF4B:本裝置反應時間(s) C:由光幕傳感器最小檢測物體尺寸計算出的額外距離(mm)。C=850(mm)(常數)
適用于美國(根據ANSI B11.19) ·方程式2 S=K×(Ts+Tc+TSF4B+Tbm)+Dpf S:安全距離(mm) 檢測領域表面與機器的危險部分之間的最小距離。 K:進入速度[OSHA推薦值為63(inch/s)≈1,600(mm/s)]。 ANSI B11.19沒有詳細說明進入速度(K)。 決定K值時,應考慮包括操作員體力在內的諸多因素。 Ts:控制元件(空氣閥等)工作時間計算出的停止時間(s) Tc:停止所需控制電路的最大反應時間(s) TSF4B:本裝置反應時間(s) Tbm:暫停監控器的額外停止時間公差(s) 當機械暫定監控器時,方程式如下。 Tbm=Ta-(Ts+Tc)Ta:暫停監控器的設定時間(s) 若機械無暫停監控器,可將(Ts+Tc)的20%以上作為額外停止時間。 Dpf:由傳感器的最小檢測物體尺寸計算出的額外距離(mm) SF4B-F□ Dpf =23.8mm SF4B-H□ Dpf=61.2mm SF4B-A□ Dpf =129.2mmDpf =3.4×(d-0.276)(inch)Dpf≈3.4×(d-7)(mm) d: 最小檢測物體的直徑0.552 (inch)≈14(mm) SF4B-F□最小檢測物體的直徑0.985 (inch)≈25(mm) SF4B-H□最小檢測物體的直徑1.772 (inch)≈45(mm) SF4B-A□ 但是Dpf 值不可小于等于0。
輸出波形[控制輸出(OSSD1,OSSD2)ON時]
·傳感器處于入光狀態(ON狀態)時,由于受光器輸出電路進行自我診斷,輸出晶體管處于周期性OFF狀態。(參閱下圖輸出狀態) 如果OFF信號被反饋,則受光器判斷輸出電路正常。反之,則受光器判斷輸出電路或接線故障,并將控制輸出(OSSD1,OSSD2)保持在OFF狀態。 |
由于此裝置的OFF信號可能會導致機械誤操作,因此請注意連接在此裝置上的機械的輸入反應時間,并保持連接。
![輸出波形[控制輸出(OSSD1,OSSD2)ON時]](/Editor/UploadFiles/products02/20081224123913806.gif) |
輸出波形[控制輸出(OSSD1,OSSD2)ON時]
注: 1) 檢測距離因傳感器種類而異。詳情請參閱P.15訂購指南。 2) 傳感器的有效開口角按IEC 61496-2/UL 61496-2的要求是±2.5°(L>3m),但遠離反射表面安裝,超過±3°時會導致對齊錯誤。
關于手動傳感器
本裝置可使用手動控制器SFB-HC(另售)設定各種功能。[但是,使用SF4B-□(參閱P.15時,不能使用手動控制器]。各功能中,最小檢測物體的尺寸等有關安全距離的內容是變化的。設定各功能時,必須重新計算安全距離并始終留出安全距離以上的空間。若沒有保持安全距離,會因在到達機器危險部分前不能緊急停止,從而導致重傷甚至死亡。 ·關于使用手動控制器SFB-HC(另售)設定功能的詳情請參閱手動控制器附帶的使用說明書。
故障屏蔽簡易確認表
| 數字錯誤指示燈 |
原 因 |
 |
噪音等的影響。 手動控制器設定錯誤。
|
 |
投光器和受光器的組合錯誤(光軸數等)。 輸出極性設定線(屏蔽線)接線錯誤。 |
 |
串聯電纜接線錯誤。 上部串聯的光幕傳感器故障。 |
 |
串聯光幕傳感器數及總光軸數超出規格范圍。 |
 |
<投光器側亮起> 聯鎖設定輸入及投光停止輸入/復歸輸入接線錯誤。 <受光器側亮起> 外部光線的影響或處于相互干擾狀態。 |
或 |
<投光器側亮起> 屏蔽燈輸出接線錯誤。 <受光器側亮起> 控制輸出(OSSD1,OSSD2)接線錯誤。 |
 |
輸出極性設定線(屏蔽線)接線錯誤。 |
 |
外部設備監控輸入接線錯誤。連接繼電器故障。 |
 |
同步線接線錯誤。 <投光器側亮起> 受光器側故障。 <受光器側亮起> 投光器側故障。 |
 |
噪音等的影響。相關電源故障。光幕傳感器故障。 ※請向本公司咨詢。 |
 |
由于檢測面有污垢或光軸未對齊等導致入光量下降。 (光軸處于勉強入光狀態) |
 |
投光停止狀態。 |
 |
聯鎖狀態。 |
 |
控制輸出為PNP輸出設定狀態。 |
 |
控制輸出為NPN輸出設定狀態。 | ※詳情請參閱使用說明書
光幕傳感器用隅角鏡
·請務必根據光幕傳感器SF4B/SF2B系列的使用說明書進行維護。 ·如果本產品的反射面上附著污垢、水、油等請勿使用。如果擴散或彎曲無法確保合適的檢測范圍 ·請務必在了解產品附帶的使用說明書的基礎上,再根據安裝條件安裝本產品及光幕傳感器。如果不滿足安裝條件,有可能呈意想不到的錯誤入光狀態、重傷甚至死亡。 ·使用本產品時,請勿將光幕傳感器SF4B/SF2B系列作為回歸反射型使用。 ·本產品的反射面材質為玻璃。破損時會有碎玻璃飛濺,請注意。
| 種 類 |
隅角鏡 |
| 型 號 |
RF-SFBH-□ |
| 檢測距離衰減率 |
1個隅角鏡:90%,2個隅角鏡:80% |
耐 環 境 性 |
周圍溫度 |
-10~+55°C(不可結冰、結露),存儲:-25~+70°C |
| 周圍濕度 |
30~85%RH,存儲:30~95%RH |
| 耐振動 |
頻率10~55Hz 雙振幅0.75mm XYZ各方向2小時 |
| 耐沖擊 |
頻率300m/s2(約30G) XYZ各方向3次 |
| 材質 |
主體殼:鋁,安裝支架:不銹鋼 隅角鏡(反面鏡):玻璃,側蓋:EPDM |
| 附件 |
嫁連支撐支架 RF-SFBH-40/48/56/64:1套 RF-SFBH-72/80/88/96:2套 |
尺寸(單位:mm)
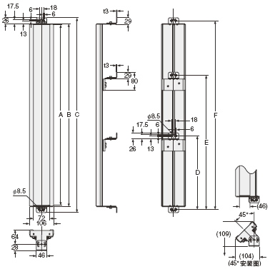
SF4B-□ 光幕傳感器

| 型號 |
A |
B |
C |
D |
E |
F |
| SF4B-F23 |
SF4B-H12 |
SF4B-A6 |
230 |
270 |
286 |
— |
— |
— |
| SF4B-F31 |
SF4B-H16 |
SF4B-A8 |
310 |
350 |
366 |
— |
— |
— |
| SF4B-F39 |
SF4B-H20 |
SF4B-A10 |
390 |
430 |
446 |
— |
— |
— |
| SF4B-F47 |
SF4B-H24 |
SF4B-A12 |
470 |
510 |
526 |
— |
— |
— |
| SF4B-F55 |
SF4B-H28 |
SF4B-A14 |
550 |
590 |
606 |
— |
— |
— |
| SF4B-F63 |
SF4B-H32 |
SF4B-A16 |
630 |
670 |
686 |
— |
— |
— |
| SF4B-F71 |
SF4B-H36 |
SF4B-A18 |
710 |
750 |
766 |
— |
— |
— |
| SF4B-F79 |
SF4B-H40 |
SF4B-A20 |
790 |
830 |
846 |
390 |
— |
— |
| SF4B-F95 |
SF4B-H48 |
SF4B-A24 |
950 |
990 |
1,006 |
470 |
— |
— |
| SF4B-F111 |
SF4B-H56 |
SF4B-A28 |
1,110 |
1,150 |
1,166 |
550 |
— |
— |
| SF4B-F127 |
SF4B-H64 |
SF4B-A32 |
1,270 |
1,310 |
1,326 |
418 |
842 |
— |
| — |
SF4B-H72 |
SF4B-A36 |
1,430 |
1,470 |
1,486 |
472 |
948 |
— |
| — |
SF4B-H80 |
SF4B-A40 |
1,590 |
1,630 |
1,646 |
525 |
1,055 |
— |
| — |
SF4B-H88 |
SF4B-A44 |
1,750 |
1,790 |
1,806 |
433 |
870 |
1,308 |
| — |
SF4B-H96 |
SF4B-A48 |
1,910 |
1,950 |
1,966 |
473 |
950 |
1,428 | |
| 型號 |
A |
B |
| SF4B-F□ |
10 |
5 |
| SF4B-H□ |
20 |
5 |
| SF4B-A□ |
40 |
15 | |
無死角安裝支架MS-SFB-3和嫁連支撐支架的安裝圖。
| 型號 |
A |
B |
C |
D |
E |
F |
| SF4B-F23 |
SF4B-H12 |
SF4B-A6 |
230 |
209 |
201 |
— |
— |
— |
| SF4B-F31 |
SF4B-H16 |
SF4B-A8 |
310 |
289 |
281 |
— |
— |
— |
| SF4B-F39 |
SF4B-H20 |
SF4B-A10 |
390 |
369 |
361 |
— |
— |
— |
| SF4B-F47 |
SF4B-H24 |
SF4B-A12 |
470 |
449 |
441 |
— |
— |
— |
| SF4B-F55 |
SF4B-H28 |
SF4B-A14 |
550 |
529 |
521 |
— |
— |
— |
| SF4B-F63 |
SF4B-H32 |
SF4B-A16 |
630 |
609 |
601 |
— |
— |
— |
| SF4B-F71 |
SF4B-H36 |
SF4B-A18 |
710 |
689 |
681 |
— |
— |
— |
| SF4B-F79 |
SF4B-H40 |
SF4B-A20 |
790 |
769 |
761 |
370 |
— |
— |
| SF4B-F95 |
SF4B-H48 |
SF4B-A24 |
950 |
929 |
921 |
450 |
— |
— |
| SF4B-F111 |
SF4B-H56 |
SF4B-A28 |
1,110 |
1,089 |
1,081 |
530 |
— |
— |
| SF4B-F127 |
SF4B-H64 |
SF4B-A32 |
1,270 |
1,249 |
1,241 |
398 |
822 |
— |
| — |
SF4B-H72 |
SF4B-A36 |
1,430 |
1,409 |
1,401 |
452 |
928 |
— |
| — |
SF4B-H80 |
SF4B-A40 |
1,590 |
1,569 |
1,561 |
505 |
1,035 |
— |
| — |
SF4B-H88 |
SF4B-A44 |
1,750 |
1,729 |
1,721 |
413 |
850 |
1,288 |
| — |
SF4B-H96 |
SF4B-A48 |
1,910 |
1,889 |
1,881 |
453 |
930 |
1,428 | |
| 型號 |
A |
B |
| SF4B-F□ |
10 |
5 |
| SF4B-H□ |
20 |
5 |
| SF4B-A□ |
40 |
15 | |
保護桿MC-SFBH-□的安裝圖。
 |
| 型號 |
適用光幕傳感器型號 |
A |
B |
C |
D |
| MC-SFBH-12 |
SF4B-F23 |
SF4B-H12 |
SF4B-A6 |
230 |
279 |
296 |
250 |
| MC-SFBH-16 |
SF4B-F31 |
SF4B-H16 |
SF4B-A8 |
310 |
359 |
376
|
330 |
| MC-SFBH-20 |
SF4B-F39 |
SF4B-H20 |
SF4B-A10 |
390 |
439 |
456 |
410 |
| MC-SFBH-24 |
SF4B-F47 |
SF4B-H24 |
SF4B-A12 |
470 |
519 |
536 |
490 |
| MC-SFBH-28 |
SF4B-F55 |
SF4B-H28 |
SF4B-A14 |
550 |
599 |
616 |
570 |
| MC-SFBH-32 |
SF4B-F63 |
SF4B-H32 |
SF4B-A16 |
630 |
679 |
696 |
650 |
| MC-SFBH-36 |
SF4B-F71 |
SF4B-H36 |
SF4B-A18 |
710 |
759 |
776 |
730 |
| MC-SFBH-40 |
SF4B-F79 |
SF4B-H40 |
SF4B-A20 |
790 |
839 |
856 |
810 |
| MC-SFBH-48 |
SF4B-F95 |
SF4B-H48 |
SF4B-A24 |
950 |
999 |
1,016 |
970 |
| MC-SFBH-56 |
SF4B-F111 |
SF4B-H56 |
SF4B-A28 |
1,110 |
1,159 |
1,176 |
1,130 |
| MC-SFBH-64 |
SF4B-F127 |
SF4B-H64 |
SF4B-A32 |
1,270 |
1,319 |
1,336 |
1,290 |
| MC-SFBH-72 |
— |
SF4B-H72 |
SF4B-A36 |
1,430 |
1,479 |
1,496 |
1,450 |
| MC-SFBH-80 |
— |
SF4B-H80 |
SF4B-A40 |
1,590 |
1,639 |
1,656 |
1,610 |
| MC-SFBH-88 |
— |
SF4B-H88 |
SF4B-A44 |
1,750 |
1,799 |
1,816 |
1,770 |
| MC-SFBH-96 |
— |
SF4B-H96 |
SF4B-A48 |
1,910 |
1,959 |
1,976 |
1,930 | |
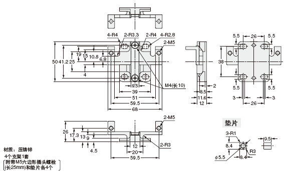
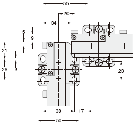
MS-SFB-1 標準安裝支架(另售)
MS-SFB-1-T M8安裝支架(另售)
MS-SFB-2 嫁連支撐支架(光幕傳感器附件)
 |
注:1)嫁連支撐支架(MS-SFB-2)為下列產 品的附件。數量因產品而異。 1套:SF4B-F□…79~111光軸傳感器 SF4B-H□…40~56光軸傳感器 SF4B-A□…20~28光軸傳感器 2套:SF4B-F127 SF4B-H□…64~80光軸傳感器 SF4B-A□…32~40光軸傳感器 3套:SF4B-H□…88~96光軸傳感器 SF4B-A□…44~48光軸傳感器 |
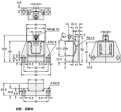
MS-SFB-3 無死角安裝支架(另售)
L字形安裝
MS-SFB-4 間距變換支架(另售)
MS-SFB-4-T M8間距變換支架(另售)
SFB-HC 手動控制器(另售) |
SF-LAT-2N 激光光軸對齊器(另售) |
 |
 |
SF-C11 控制器(另售)
SF-C12 控制器(另售)
SF-C13 控制器(另售) |
SF-IND-2 光幕傳感器大顯示器(另售) |
 |
 |
RF-SFBH-□ 光幕傳感器用隅角鏡(另售)
| 型號 |
A |
B |
C |
D |
E |
F |
主體重量 |
| RF-SFBH-12 |
236 |
246 |
298 |
— |
— |
272 |
約970g |
| RF-SFBH-16 |
316 |
326 |
378 |
— |
— |
352 |
約1,170g |
| RF-SFBH-20 |
396 |
406 |
458 |
— |
— |
432 |
約1,370g |
| RF-SFBH-24 |
476 |
486 |
538 |
— |
— |
512 |
約1,570g |
| RF-SFBH-28 |
556 |
566 |
618 |
— |
— |
592 |
約1,770g |
| RF-SFBH-32 |
636 |
646 |
698 |
— |
— |
672 |
約1,970g |
| RF-SFBH-36 |
716 |
726 |
778 |
— |
— |
752 |
約2,170g |
| RF-SFBH-40 |
796 |
806 |
858 |
458±50 |
— |
832 |
約2,660g |
| RF-SFBH-48 |
956 |
966 |
1,018 |
538±50 |
— |
992 |
約3,060g |
| RF-SFBH-56 |
1,116 |
1,126 |
1,178 |
618±50 |
— |
1,152 |
約3,460g |
| RF-SFBH-64 |
1,276 |
1,286 |
1,338 |
698±50 |
— |
1,312 |
約3,890g |
| RF-SFBH-72 |
1,436 |
1,446 |
1,498 |
538±50 |
1,018±50 |
1,472 |
約4,550g |
| RF-SFBH-80 |
1,596 |
1,606 |
1,658 |
591±50 |
1,125±50 |
1,632 |
約4,950g |
| RF-SFBH-88 |
1,756 |
1,766 |
1,818 |
645±50 |
1,231±50 |
1,792 |
約5,350g |
| RF-SFBH-96 |
1,916 |
1,926 |
1,978 |
698±50 |
1,338±50 |
1,952 |
約5,750g |
|
|
|