|
|
|
產品名稱:
|
神視PM24/44/54系列U形微型光電傳感器
|
|
型 號:
|
PM24/44/54系列
|
|
價 格:
|
|
|
品 牌:
|
|
|
|
|
U形微型光電傳感器
PM24/44/54系列
特點:超小尺寸、既節省空間,又便于快速安裝!
產品特點:
超小型
| 超小型PM-□24(-R)的結構使設備小型化,即使是小電纜型也變得很小。 |
 |
 |
 |
| 比原來的小電纜型更小 |
|
|
裝備有兩個獨立的輸出
所有型號均裝備有兩個獨立輸出-入光時ON和遮光時ON,可根據使用場所的不同,應付不同輸出要求。由于裝備有兩個獨立的輸出,根本不存在使輸出轉化為控制輸入的繁瑣操作,也不必擔心由于電纜的損壞而造成逆邏輯等問題的發生。傳感器可與存在的接線連接。 注:請將不使用的輸出電線絕緣。
快速安裝聯結連接器
備有便于維修的連接器型。專用連接器是世界第一款聯結連接器。只需用專用鉗子夾緊,無需焊接或絕緣處理。此外,還備有附帶連接器的電纜。
多種型號選擇
備有17種形狀及34種型號。您可以從中選出滿足您安裝條件的型號。
全球適用
符合歐洲EMC檢測標準并取得了UL認證。同時備有NPN和PNP輸出型。
應用
檢測滾動物體的起點可通過旋轉物體上的狹縫來檢測起點。 |
|
 |
|
檢定模板的位置當檢測到擋塊時,模板停止運行。 |
檢測起點和運動物體的超限運動使用基座上的擋塊檢測起點和超限運動。 |
 |
訂購指南
| 種 類 |
形 狀(mm) |
檢測距離 |
型 號(注) |
輸 出 |
輸出工作 |
| 超 小 型 |
K 型 |
 |
5mm(固定) |
PM-K24 |
NPN開路集電極晶體管 |
裝備兩個輸出: 入光時ON/遮光時ON |
| PM-K24P |
PNP開路集電極晶體管 |
| PM-K24-R |
NPN開路集電極晶體管 |
| L 型 |
 |
PM-L24 |
NPN開路集電極晶體管 |
| PM-L24P |
PNP開路集電極晶體管 |
| PM-L24-R |
NPN開路集電極晶體管 |
| F 型 |
 |
PM-F24 |
NPN開路集電極晶體管 |
| PM-F24P |
PNP開路集電極晶體管 |
| PM-F24-R |
NPN開路集電極晶體管 |
| R 型 |
 |
PM-R24 |
NPN開路集電極晶體管 |
| PM-R24P |
PNP開路集電極晶體管 |
| PM-R24-R |
NPN開路集電極晶體管 |
| U 型 |
 |
PM-U24 |
NPN開路集電極晶體管 |
| PM-U24P |
PNP開路集電極晶體管 |
| PM-U24-R |
NPN開路集電極晶體管 |
注:后綴“-R”表明耐彎曲電纜型。
| 種 類 |
形 狀(mm) |
檢測距離 |
型 號 |
輸 出 |
輸出工作 |
| 小型 |
帶 電 纜 |
K 型 |
 |
5 mm(固定) |
PM-K44 |
NPN開路集電極晶體管 |
裝備兩個輸出: 入光時ON/遮光時ON |
| PM-K44P |
PNP開路集電極晶體管 |
| T 型 |
 |
PM-T44 |
NPN開路集電極晶體管 |
| PM-T44P |
PNP開路集電極晶體管 |
| L 型 |
 |
PM-L44 |
NPN開路集電極晶體管 |
| PM-L44P |
PNP開路集電極晶體管 |
| Y 型 |
 |
PM-Y44 |
NPN開路集電極晶體管 |
| PM-Y44P |
PNP開路集電極晶體管 |
| F 型 |
 |
PM-F44 |
NPN開路集電極晶體管 |
| PM-F44P |
PNP開路集電極晶體管 |
| R 型 |
 |
PM-R44 |
NPN開路集電極晶體管 |
| PM-R44P |
PNP開路集電極晶體管 |
帶 連 接 器 |
K 型 |
 |
PM-K54 |
NPN開路集電極晶體管 |
| PM-K54P |
PNP開路集電極晶體管 |
| T 型 |
 |
PM-T54 |
NPN開路集電極晶體管 |
| PM-T54P |
PNP開路集電極晶體管 |
| L 型 |
 |
PM-L54 |
NPN開路集電極晶體管 |
| PM-L54P |
PNP開路集電極晶體管 |
| Y 型 |
 |
PM-Y54 |
NPN開路集電極晶體管 |
| PM-Y54P |
PNP開路集電極晶體管 |
| F 型 |
 |
PM-F54 |
NPN開路集電極晶體管 |
| PM-F54P |
PNP開路集電極晶體管 |
| R 型 |
 |
PM-R54 |
NPN開路集電極晶體管 |
| PM-R54P |
PNP開路集電極晶體管 |
3m電纜長度型備有3m電纜長度型(標準:1m)。
型號表
| 種 類 |
標準型 |
3m電纜長度型 |
超 小 型 |
K型 |
PM-K24 |
PM-K24-C3 |
| L型 |
PM-L24 |
PM-L24-C3 |
| F型 |
PM-F24 |
PM-F24-C3 |
| R型 |
PM-R24 |
PM-R24-C3 |
| U型 |
PM-U24 |
PM-U24-C3 |
小 型 |
帶 電 纜 |
K型 |
NPN輸出 |
PM-K44 |
PM-K44-C3 |
| PNP輸出 |
PM-K44P |
PM-K44P-C3 |
| T型 |
NPN輸出 |
PM-T44 |
PM-T44-C3 |
| PNP輸出 |
PM-T44P |
PM-T44P-C3 |
| L型 |
NPN輸出 |
PM-L44 |
PM-L44-C3 |
| PNP輸出 |
PM- L44P |
PM- L44P-C3 |
| Y型 |
NPN輸出 |
PM-Y44 |
PM-Y44-C3 |
| PNP輸出 |
PM-Y44P |
PM-Y44P-C3 |
| F型 |
NPN輸出 |
PM-F44 |
PM-F44-C3 |
| PNP輸出 |
PM-F44P |
PM-F44P-C3 |
| R型 |
NPN輸出 |
PM-R44 |
PM-R44-C3 |
| PNP輸出 |
PM-R44P |
PM-R44P-C3 |
配件(另售)
| 品名 |
型號 |
說明 |
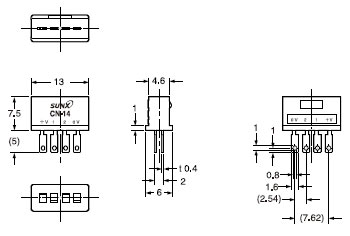
| 連接器 |
CN-14 |
焊接連接器 |
| 聯結連接器 |
CN-14H |
連接器可簡單地與0.08~0.2mm2電纜連接,一夾即可。引線直徑:φ 0.7~φ 1.2mm |
| CN-14H-2 |
適用于UL標準電纜。連接器可簡單地與 0.18~0.22mm2的電纜連接,一夾即可。 引線直徑:φ 1.2~φ 1.52mm |
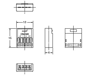
| 帶電纜的連接器 |
CN-14H-C1 |
長1m 約20g |
連接器型附0.18mm2的4芯橡皮電纜電纜直徑:φ 3.8mm |
| CN-14H-C3 |
長3m 約65g |
| 聯結鉗 |
CN-HP |
聯結連接器CN-14H和CN-14H-2專用聯結鉗。 |
| 安裝螺絲 |
MS-M2 |
帶墊圈的安裝螺絲用于超小型傳感器(一組50個)。備有彈簧墊圈,可安全安裝。 |
連接器 |
聯結連接器 |
附帶連接器的電纜 |
聯結鉗 |
安裝螺絲 |
|
|
|
|
|
|
 |
 |
 |
 |
 | 技術信息:
規格
| 種 類 |
超小型 |
小 型 |
| |
耐彎曲電纜 |
帶電纜 |
帶連接器 |
| NPN輸出型 |
PM-□24 |
PM-□24-R |
PM-□44 |
PM-□54 |
| PNP輸出型 |
PM-□24P |
------ |
PM-□44P |
PM-□54P |
| 檢測距離 |
5mm(固定) |
| 最小檢測物體 |
0.8×1.8mm不透明體 |
| 應差 |
0.05mm以下 |
| 重復精度 |
0.03mm以下 |
| 電源電壓 |
5~24V DC±10% 脈動P-P10%以下 |
| 消耗電流 |
15mA以下 |
| 輸出 |
NP N開路集電極晶體管 ·最大流入電流:50mA ·外加電壓:30V DC以下(輸出和0V之間) ·剩余電壓:0.7V以下(流入電流為50mA時) 0.4V以下(流入電流為16mA時) |
PN P開路集電極晶體管 ·最大源電流:50mA ·外加電壓:30V DC以下(輸出和+V之間) ·剩余電壓:0.7V以下(源電流為50mA時) 0.4V以下(源電流為16mA時) |
| 輸出工作 |
裝備兩個輸出:入光時ON/遮光時ON |
| 反應時間 |
入光時:20μs以下 遮光時:100μs以下 (反應頻率:1KHz以上)(注1) |
| 工作狀態指示燈 |
朱紅色LED(入光時亮起) |
環 境 性 能 |
周圍溫度(注2,3) |
-25~+55°C(注意不可結露、結冰),存儲:-30~+80°C |
| 周圍濕度 |
35~85%RH,存儲:35~85%RH |
| 周圍照明度 |
熒光燈:受光面照明度 1,000 x |
| 耐電壓 |
AC1,000V 1分鐘,所有電源連接端子與外殼之間 |
| 絕緣電阻 |
所有電源連接端子與外殼之間,50MΩ以上,基于DC250V的高阻表 |
| 耐振動 |
頻率:10~2,000Hz,雙振幅:1.5mm,X,Y和Z各方向2小時 |
| 耐沖擊 |
加速度:15,000m/s2(約1,500 G),X,Y和Z各方向3次 |
| 投光二極體 |
紅外線LED(非調制式) |
| 材質 |
外殼:PBT,狹縫罩:聚碳酸酯,端子部分[僅PM-□54(P)]:鍍焊錫 |
| 電纜 |
0.09mm2 4芯橡皮電纜[PM-□24-R:0.1mm2耐彎曲,耐油,耐熱型橡皮電纜(注4)],長1m |
------ |
| 電纜延長 |
0.3mm2以上的電纜全長可延長至100m |
| 重量 |
約10g |
約15g |
約3g |
|
注:
1) 反應頻率是指下圖所示圓板轉動時的值。 |
 |
 |
2) 如果超小型PM-□24(-R)在+50°C的溫度下使用,請務必將其安裝于金屬體上。 3) 請注意,當周圍溫度接近于-10°C時,PM-□24-R型電纜會失去伸縮性。 4) PM-□24-R的電纜適用于移動機座上的耐彎曲電纜。當傳感器安裝在移動機座上時,固定傳感器電纜接點使得沒有壓力施加在上面。 |
I/O電路圖和線路圖
PM-□24 PM-□24-R PM-□44 PM-□54 (NPN輸出型)
|
|
|

|
 |
注: 1) 確保正確連接端子,因為傳感器不裝備反向極性保護電路。 而且,輸出不裝備短路保護電路,請勿將它們與電源或容量負荷 直接連接。錯誤連接可能導致損壞。 2) 附帶的連接器的電纜顏色代碼是相同的。 3) 請將不使用的輸出電線絕緣。 |
輸出工作
| |
顏色代碼 |
輸出工作 |
| 輸出1 |
黑色 |
入光時ON |
| 輸出2 |
白色 |
遮光時ON | |
符號 ... ZD1, ZD2 : 電涌吸收齊納二極管 Tr1, Tr2 : NPN輸出晶體管 | |
PM-□24P PM-□44P PM-□54P (PNP輸出型)
|
|
|

|
 |
注:1) 確保正確連接端子,因為傳感器不裝備反向極性保護電路。 而且,輸出不裝備短路保護電路,請勿將它們與電源或容量負荷 直接連接。錯誤連接可能導致損壞。 注: 2) 附帶的連接器的電纜顏色代碼是相同的。 注: 3) 請將不使用的輸出電線絕緣。 |
輸出工作
| |
顏色代碼 |
輸出工作 |
| 輸出1 |
黑色 |
入光時ON |
| 輸出2 |
白色 |
遮光時ON | |
符號 ... ZD1, ZD2 : 電涌吸收齊納二極管 Tr1, Tr2 : NPN輸出晶體管 | |
PM-□24(P)PM-□24-R (超小型)
PM-L44(P)/K44(P) PM-L54(P)/K54(P) 小型
使用指南
所有型號
該產品為物體檢測傳感器,不具有保護生命、財產的功能,為防止事故、確保安全,請謹慎使用。
因傳感器不裝備反向極性保護電路,請確保端子連接正確。 而且,輸出不裝備短路保護電路,請勿將它與電源或容量負荷直接連接。錯誤接線可能導致損壞。
· 由于傳感器用于設備內部,沒有防止外部光的措施。注意不要使外部光直接照射在受光區。 · 電源接通后的短時間(50ms)內,請勿使用。 · PM-□24-R使用的電纜是用于移動基座的耐彎曲電纜。當傳感器安裝在移動基座上時,固定 傳感器接點使沒有壓力施加在上面。 · 請注意當周圍溫度接近-10°C時,PM-□24-R電纜會失去可彎曲性。 |
 |
| · 當用螺絲固定傳感器時,請用M3螺絲[PM-□24(P)、PM-□24-R時用M2螺絲],緊固扭矩不可超出以下給出的值。并且,請用小的圓形平墊圈。(M3:φ 6mm, M2:φ 4.3mm) |
| 型 號 |
緊固扭矩 |
| PM-□24(P) |
0.15N·m |
| PM-□24-R |
| PM-□44(P) |
0.5N·m |
| PM-□54(P) | 注: 超小型PM-□24(-R)在+50°C以上的周圍溫度下使用, 請務必將其安裝于金屬體上。 |
 |
· 0.3mm2以上的電纜可延長至100m,然而由于電纜的延長會引起 電壓下降,因此必須確保與傳感器相連的電纜尾端及傳感器端子的 電源電壓在額定值內。 |
但是,當包括連接傳感器的電纜在內的電纜長度如下表所述,就沒必要確認電壓。 |
 |
| 導體橫截面面積 |
電纜總長度 |
| 0.08~0.1mm2 |
最長5m |
| 0.2mm2 |
最長10m |
| 0.3mm2S |
最長20m | |
PM-□54PM-□54P
· 不要插上或拔去連接器10次以上。 · 請勿在連接器和傳感器的端子上施加5N以上的壓力。如果不按照上述注意事項操作,會造成接觸不良。
| 插上與拔去連接器的步驟 |
| 1 將連接器直接插入傳感器直到連接器接線片被傳感器掛鉤鎖住。 |
 |
2 當拔出時,確保施加足夠的力使連接器接線片可以從掛鉤松開。 然后將其拔下。 |
 |
注意事項: 確保插上與拔去連接器時握住連接器。插上與拔去 連接器時,請勿握住端子或電纜。否則會造成接觸不良。 |
 | | |
| 聯結連接器CN-14H及CN-14H-2的卷邊 |
|
| 型號 |
CN-14H |
CN-14H-2 |
導體橫截 面面積 |
0.08~0.2mm2 (AWG28~AWG24) |
0.18~0.22mm2 (AWG25~AWG24) |
| 電線直徑 |
φ 0.7~φ 1.2mm |
φ 1.2~φ 1.52mm |
| 電線絕緣材料 |
氯乙烯或聚乙烯 | |
 |
| 壓接方法 |
|
1 剝去電纜外殼15mm以上,然后將電線插入連接器的插孔內, 直至電線頭接觸到插孔底部。 |
 |
2 用專門的聯結鉗CN-HP壓接。 注: 1) 當連接或分離帶電纜的連接器時,務必在工作開始前 固定連接器。 2) 壓接后,不要拉動電纜。 |
 |
| 注意事項:請用專門的聯結鉗CN-HP。不可使用商用鉗。 |
|
| · 使用傳感器之前,固定電纜以避免給壓接部分造成直接壓力。 |
 |
| 焊接 (連接器CN-14和傳感器) |
|
| · 如果直接在端子焊接,請嚴格遵循以下給出的條件。 |
|
| 焊接溫度 |
260°C以下 |
| 焊接時間 |
3s以下 |
| 焊接位置 |
參閱右圖 | |
 |
尺寸(單位:mm)
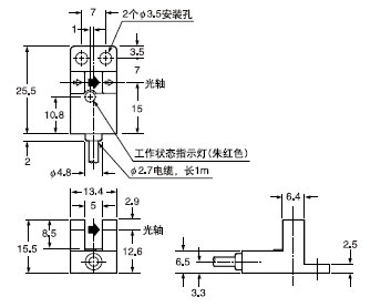
PM-K24(P)PM-K24-R(傳感器) |
PM-K24(P)PM-K24-R(傳感器) |
 |
 |
PM-K24(P)PM-K24-R(傳感器) |
PM-K24(P)PM-K24-R(傳感器) |
 |
 |
PM-K24(P)PM-K24-R(傳感器) |
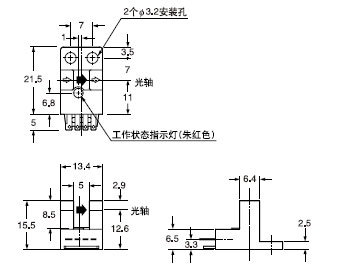
PM-K44 PM-K44P(傳感器) |
 |
 |
PM-K44 PM-K44P(傳感器) |
PM-K44 PM-K44P(傳感器) |
 |
 |
PM-K44 PM-K44P(傳感器) |
PM-K44 PM-K44P(傳感器) |
 |
 |
PM-K44 PM-K44P(傳感器) |
PM-K54 PM-K54P(傳感器) |
 |
 |
PM-K54 PM-K54P(傳感器) |
PM-K54 PM-K54P(傳感器) |
 |
 |
PM-K54 PM-K54P(傳感器) |
PM-K54 PM-K54P(傳感器) |
 |
 |
PM-K54 PM-K54P(傳感器) |
|
 |
※ 端子部分(PM-□54,PM-□54P) |
CN-14 連接器(另售) |
CN-14H CN-14H-2 聯結連接器(另售) |
 |
 |
CN-14H-C1 CN-14H-C3 帶電纜的連接器(另售) |
|
 |
·電纜長度L
| 型 號 |
電纜長度 |
| CN-14H-C1 |
1m |
| CN-14H-C3 |
3m | |
|
|
|