牢固型光電傳感器
RX系列
特點:先進的傳感器技術
防水
其保護構造達到IP67(IEC),傳感器可以用水沖洗。安裝該傳感器的設備也
可用水沖洗。
注:但是,請注意如果傳感器在工作時暴露在水中,它也許會檢測水滴本身。
牢固
外殼是由壓鑄鋅合金制成,非常牢固。
投光停止輸入
在啟動前,工作檢測很方便。(RX2型除外) 傳感器工作檢測是通過反復中斷
投光與確定相應輸出變化而進行的。
自動防干擾功能 (僅回歸反射型與擴散反射型傳感器)
因其具有自動防干擾功能,2個傳感器可并排安裝。(RX2型除外)
用途
檢測透明薄片 |
確認車在停車庫的位置 |
檢測發動機 |
 |
 |
 |
罐頭計數 |
工作機械的工具檢測 |
|
 |
 |
|
RX...標準型
RX2...直流雙線式
·接線減少1/3 電路由原來的三根變為兩根。 |
· 電源消耗:降至1/30以下 消耗電流:1mA以下不需要用傳感器的附加電源 |
三線式 三錢傳感器的接錢既費時又需要額外電源。 |
雙線式 接線簡單,只需兩根電線。 |
 |
 |
RX4...重載型
· 耐油 IP67g(JEM)保護構造可通過在外殼涂上一層氟化樹脂,并使用耐油保護管來實現,傳感器可在比較惡劣的環境下使用。 |
 |
訂購指南
| 種類 |
形狀 |
檢測距離 |
型號 |
輸 出 |
RX (標準型) |
透過型 |
紅外線 |
|
 |
10m |
RX-M10 |
NPN開路集 電極晶體管 |
| 長檢測距離 |
50m |
RX-M50 |
| 標識檢測 |
紅色 |
2m |
RX-M2R |
| 綠色 |
500mm |
RX-500G |
| 回歸反射型 |
紅色(帶偏極濾光器) |
|
 |
0.1~3m(注) |
RX-PRVM3 |
| 檢測 透明物體 |
500mm(注) |
RX-PRV500 |
| 紅外線(長檢測距離) |
0.1~5m(注) |
RX-RVM5 |
| 擴散反射型 |
紅外線 |
 |
700mm |
RX-D700 |
| 紅色 |
200mm |
RX-D200R |
X2 (直流雙 線式) |
透過型 |
紅外線 |
 |
5m |
RX2-M5 |
無接點直 流雙線式 |
| 回歸反射型 |
紅色(帶偏極濾光器) |
 |
0.1~2m(注) |
RX2-PRVM2 |
| 擴散反射型 |
紅外線 |
 |
300mm |
RX2-D300 |
RX4 (重載型) |
透過型 |
紅外線 |
2m長度電纜 |
 |
5m |
RX4-M5 |
NPN開路集 電極晶體管 |
| 3m長度電纜 |
RX4-M5-C3 |
| 5m長度電纜 |
RX4-M5-C5 |
注: 回歸反射型傳感器的檢測距離是對反射鏡RF-230的值。而且,RX-PRVM3,RX-RVM5和RX2-PRVM2的檢測距離是反射鏡可以設定的范圍。傳感器可檢測 0.1m以內的物體。
5m電纜長度型 備有5m電纜長度型(標準:2m)。
型號表
配件(另售)
| 品名 |
型號 |
品名 |
狹縫透光罩 (僅適用于RX-M10和RX2-M5) |
OS-RX-05×5(狹縫尺寸0.5×5mm) OS-RX-5×05(狹縫尺寸5×0.5mm) |
| 安裝在投光器上 |
·檢測距離: 2.7m[RX-M10]1.4m[RX2-M5] |
| ·最小檢測物體:φ8mm | |
| 安裝在受光器上 |
·檢測距離: 1.9m[RX-M10]1m[RX2-M5] |
| ·最小檢測物體:φ6mm | |
| 雙側安裝 |
·檢測距離: 0.4m[RX-M10]0.2m[RX2-M5] |
| ·最小檢測物體:0.5×5mm | |
OS-RX-1×5(狹縫尺寸1×5mm) OS-RX-5×1(狹縫尺寸5×1mm) |
| 安裝在投光器上 |
·檢測距離: 3.8m[RX-M10]1.9m[RX2-M5] |
| ·最小檢測物體:φ8mm | |
| 安裝在受光器上 |
·檢測距離: 2.8m[RX-M10]1.4m[RX2-M5] |
| ·最小檢測物體:φ6mm | |
| 雙側安裝 |
·檢測距離: 0.8m[RX-M10]0.4m[RX2-M5] |
| ·最小檢測物體:1×5mm | |
OS-RX-3×5(狹縫尺寸3×5mm) OS-RX-5×3(狹縫尺寸5×3mm) |
| 安裝在投光器上 |
··檢測距離: 7m[RX-M10]3.5m[RX2-M5] |
| ·最小檢測物體:φ8mm | |
| 安裝在受光器上 |
·檢測距離: 4.9m[RX-M10]2.5m[RX2-M5] |
| ·最小檢測物體:φ6mm | |
| 雙側安裝 |
·檢測距離: 2.6m[RX-M10]1.3m[RX2-M5] |
| ·最小檢測物體:3×5mm | |
反射鏡 (僅回歸反射型 傳感器) |
RF-210 |
·檢測距離: 0.2~1.5m[RX-RVM5]0.4~1m[RX-PRVM3] ·最小檢測物體:φ 30mm |
| RF-220 |
·檢測距離: 0.1~3.8m[RX-RVM5] 0.1~2m[RX-PRVM3] 0.1~1.3m[RX2-PRVM2] 250mm[RX-PRV500] ·最小檢測物體:φ 35mm |
反射鏡 安裝支架 |
MS-RF21-1 |
適用于RF-210保護性安裝支架,保護反射鏡免受損害,保持對齊。 |
| MS-RF22 |
適用于RF-220 |
| MS-RF23 |
適用于RF-230 |
反光帶 (僅適用于RX-RVM5) |
RF-T110 |
反光帶通過裁切成適當尺寸來代替反射鏡 ·尺寸:100×100mm · 檢測距離:3m(50×50mm) (根據產品不同,會略有變化) |
| 保護管 |
PT-RX500 |
長度 |
500mm |
電纜受到保護,免受外力影響。因它是由不銹鋼制成,不會生銹。 |
| PT-RX1000 |
1,000mm |
| 傳感器檢查器(注) |
CHX-SC2 |
適用于透過型傳感器的光軸對齊。受光器的最佳位置由指示燈和音頻信號指示。 |
狹縫透光罩 ·OS-RX-□ |
反射鏡 ·RF-210 ·RF-220 |
反射鏡安裝支架 ·MS-RF21-1 |
 |
 |
 |
反射鏡安裝支架 ·MS-RF22 ·MS-RF23 |
保護管 ·PT-RX500·PT-RX1000 |
傳感器檢查器 ·CHX-SC2 |
 |
 |
 | |
注:詳情請參閱《特殊用途、外圍設備篇產品目錄》的傳感器檢查器CHX-SC2。
規格
標準型
| 種類 |
透過型 |
回歸反射型 |
擴散反射型 |
| 紅外線 |
紅色 |
綠色 |
紅色(帶偏極濾光器) |
紅外線 (長檢測 距離 ) |
紅外線 |
紅色 |
| 長檢測距離 |
|
檢測透 明物體 |
| 型號 |
RX-M10 |
RX-M50 |
RX-M2R |
RX-500G |
RX-PRVM3 |
RX-PRV500 |
RX-RVM5 |
RX-D700 |
RX-D200R |
| 檢測距離 |
10m |
50m |
2m |
500mm |
0.1~3m (注1) |
500mm (注1) |
0.1~5m (注1) |
700mm (注2) |
200mm (注2) |
| 檢測物體 |
φ10mm以上的不透明體(注3) |
φ50mm以 上的不透明 體,半透明 體或有光澤 物體(注1) |
φ50mm以 上的不透明 體,半透明 體或透明體 (注1) |
φ50mm以 上的不透明體或半透明體 (注1) |
不透明體、半透明 體或透明體 |
| 應差 |
---------- |
---------- |
工作距離的15%以下 |
| 重復精度(垂直于檢測軸) |
0.5mm以下 |
1mm以下 |
0.2mm以下 |
1mm以下 |
0.5mm以下 |
| 電源電壓 |
12~24V DC±10% 脈動P-P10%以下 |
| 消耗電流 |
投光器:20mA以下(RX-M50: 25mA以下),受光器:25mA以下 |
40mA以下 |
| 檢測輸出 |
NPN開路集電極晶體管 ·最大流入電流:100mA ·外加電壓:30V DC以下(檢測輸出和0V之間) ·剩余電壓: 1.5V以下(流入電流為100mA時)0.4V以下(流入電流為16mA時) |
| 輸出工作 |
可在入光時ON或非入光時ON之間切換 |
| 短路保護 |
裝備 |
| 自我診斷輸出 |
NPN開路集電極晶體管 ·最大流入電流:50mA ·外加電壓:30V DC以下(自我診斷輸出和0V之間) ·剩余電壓: 1V以下(流入電流為50mA時) 0.4V以下(流入電流為16mA時) |
| 輸出工作 |
不穩定檢測狀態下ON |
| 短路保護 |
---------- |
| 反應時間 |
1ms以下 |
| 投光停止功能 |
裝備 |
| 工作狀態指示燈 |
紅色LED(當檢測輸出為ON時亮起) |
| 穩定指示燈 |
綠色LED(在穩定受光或穩定非入光條件下亮起) |
| 投光指示燈 |
紅色LED(投光時,亮起) |
---------- |
| 靈敏度調節器 |
持續可變調節器 |
| 自動防干擾功能 |
---------- |
裝備(2個傳感器可貼近安裝) |
| 環境性能 |
保護構造 |
IP67(IEC) |
| 周圍溫度 |
-25~+60°C(注意不可結露、結冰),存儲:-30~+70°C |
| 周圍濕度 |
35~85%RH,存儲:35~85%RH |
| 周圍照明度 |
白熾燈:受光面照明度3,500 x |
| 耐電壓 |
AC1,000V 1分鐘,所有電源連接端子與外殼之間 |
| 絕緣電阻 |
所有電源連接端子與外殼之間,20MΩ以上,基于DC250V的高阻表 |
| 耐振動 |
頻率:10~500Hz,雙振幅:1.5mm(最大10G),X,Y和Z各方向2小時 |
| 耐沖擊 |
加速度:500m/s2(約50G),X,Y和Z各方向3次 |
| 投光二極體 |
紅外線LED(調制式) |
紅色LED (調制式) |
綠色LED (調制式) |
紅色LED(調制式) |
紅外線LED(調制式) |
紅色LED (調制式) |
| 投光波峰波長 |
880μm880μm880μm |
680μm |
570μm |
680μm |
680μm |
680μm |
| 材質 |
外殼:壓鑄鋅合金,指示燈外罩:聚醚砜,透鏡:聚碳酸酯(回歸反射型:丙烯) |
| 電纜 |
投光器:0.15mm2 3芯耐油,耐冷熱橡皮電纜,長2m 受光器:0.15mm2 4芯耐油,耐冷熱橡皮電纜,長2m |
0.15mm2 5芯防油,耐冷熱橡皮電纜,長2m |
| 電纜延長 |
0.3mm2以上的電纜線可延長至100m(透過型:投光器和受光器各1根) |
| 重量 |
投光器:約70g(RX-M50:各約75g) 受光器:約70g(RX-M50:各約75g) |
約75g |
| 附件 |
MS-RX-1(傳感器安裝支架):1套用于投光器和受光器 調整螺絲刀:1個 |
MS-RX-1(傳感器安裝支架):1套 RF-230(反射鏡):1個 調整螺絲刀:1個 |
MS-RX-1(傳感器安裝支架):1套 調整螺絲刀:1個 |
| 注: |
| 1) 回歸反射型傳感器的檢測距離與檢測物體是對反射鏡RF-230的值。而且RX-PRVM3 與RX-RVM5的檢測距離是反射鏡可設定的范圍。傳感器可檢測0.1m以內的物體。 |
| 2) 擴散反射型傳感器的檢測距離是以白色無光澤紙(200×200mm)作為檢測物體時測得的。 |
| 3) 如果RX-M10上安裝狹縫透光罩(另售),也能檢測到0.5×5mm的物體。 |
 |
直流雙線式
| 種類
|
透過型 |
回歸反射型(帶偏極濾光器) |
擴散反射型 |
| 型號 |
RX2-M5 |
RX2-PRVM2 |
RX2-D300 |
| 檢測距離 |
5m |
0.1~2m(注1) |
300mm(注2) |
| 檢測物體 |
φ 10mm以上的不透明體(注3) |
φ 50mm以上的不透明體,半透 明體或有光澤物體(注1) |
不透明體,半透明體或透明體 |
| 應差 |
---------- |
---------- |
工作距離的15%以下 |
重復精度 (垂直于檢測軸) |
0.5mm以下 |
1mm以下 |
0.5mm以下 |
| 電源電壓 |
12~24V DC±10% 脈動P-P10%以下 |
| 消耗電流 |
投光器:8mA以下,受光器:0.8mA以下(注4) |
1mA以下(注4) |
| 檢測輸出 |
無接 點直流雙線式 ·負荷電流:5~100mA ·剩余電壓:4V以下(注5) |
| 輸出工作 |
可在入光時ON或非入光時ON之間切換 |
| 短路保護 |
裝備 |
| 反應時間 |
3ms以下 |
| 工作狀態指示燈 |
紅色LED(輸出ON時亮起) |
| 穩定指示燈 |
綠色LED (入光時ON模式:在穩定入光時亮起非入光時ON模式:在穩定非入光時亮起) |
| 投光指示燈 |
紅色LED(投光時亮起) |
---------- |
| 靈敏度調節器 |
持續可變調節器 |
環 境 性 能 |
保護構造 |
IP67(IEC) |
| 周圍溫度 |
-20~+60°C(注意不可結露、結冰),存儲:-30~+70°C |
| 周圍濕度 |
35~85%RH,存儲:35~85%RH |
| 周圍照明度 |
白熾燈:受光面照明度3,500 x |
| 耐電壓 |
AC1,000V 1分鐘,所有電源連接端子與外殼之間 |
| 絕緣電阻 |
所有電源連接端子與外殼之間,20MΩ以上,基于DC250V的高阻表 |
| 耐振動 |
頻率:10~500Hz,雙振幅:1.5mm(最大10G),X,Y和Z各方向2小時 |
| 耐沖擊 |
加速度:500m/s2(約50G),X,Y和Z各方向3次 |
| 投光二極體 |
紅外線LED(調制式) |
紅色LED(調制式) |
紅外線LED(調制式) |
| 投光波峰波長 |
880μm |
680μm |
890μm |
| 材質 |
外殼:壓鑄鋅合金,指示燈外罩:聚醚砜,透鏡:聚碳酸酯(RX-PRVM2:丙烯) |
| 電纜 |
0.15mm2 2芯耐油,耐冷熱橡皮電纜,長2m |
| 電纜延長 |
----------(注5) |
| 重量 |
投光器:約70g,受光器:約70g |
約75g |
約70g |
| 附件 |
MS-RX-1(傳感器安裝支架): 1套用于投光器和受光器 調整螺絲刀:1個 |
MS-RX-1(傳感器安裝支架):1套 RF-230(反射鏡):1個 調整螺絲刀:1個 |
MS-RX-1(傳感器安裝支架):1套 調整螺絲刀:1個 |
注:
1) RX2-PRVM2的檢測距離和檢測物體是對反射鏡RF-230的值。而且,檢測距離為反射鏡可設定的范圍。傳感器可檢測0.1m內的物體。
2) RX2-D300的檢測距離是以白色無光澤紙(200×200mm)作為檢測物體時測得的。
3) 如果安裝了狹縫透光罩(另售),能檢測到0.5×5mm的物體。
4) 當輸出處于OFF時為泄漏電流。
5) 當電纜延長時,剩余電壓會根據使用的電纜類型而增加。校驗延長電纜時的剩余電壓。
重載
| 種類
|
透過型 |
| 電纜長度2m |
電纜長度3m |
電纜長度5m |
| 型號 |
RX4-M5 |
RX4-M5-C3 |
RX4-M5-C5 |
| 檢測距離 |
5m |
| 檢測物體 |
φ 10mm以上的不透明體 |
| 重復精度(垂直于檢測軸) |
0.5mm以下 |
| 電源電壓 |
12~24V DC±10% 脈動P-P10%以下 |
| 消耗電流 |
投光器:20mA以下,受光器:25mA以下 |
| 檢測輸出 |
NP N開路集電極晶體管 ·最大流入電流:100mA ·外加電壓:30V DC以下(檢測輸出和0V之間) ·剩余電壓: 1.5V以下(流入電流為100mA時) 0.4V以下(流入電流為16mA時) |
| 輸出工作 |
可在入光時ON或非入光時ON之間切換 |
| 短路保護 |
裝備 |
| 自我診斷輸出 |
NP N開路集電極晶體管 ·最大流入電流:50mA ·外加電壓:30V DC以下(自我診斷輸出和0V之間) ·剩余電壓: 1V以下(流入電流為50mA時) 0.4V以下(流入電流為16mA時) |
| 輸出工作 |
在不穩定檢測時ON |
| 短路保護 |
---------- |
| 反應時間 |
1ms以下 |
| 投光停止功能 |
裝備 |
| 工作狀態指示燈 |
紅色LED(檢測輸出ON時亮起) |
| 穩定指示燈 |
綠色LED(穩定入光或穩定非入光條件下亮起) |
| 投光指示燈 |
紅色LED(入光時亮起) |
| 靈敏度調節器 |
持續可變調節器 |
環 境 性 能 |
保護構造 |
IP67(IEC), IP67g(JEM) |
| 周圍溫度 |
-25~+60°C(注意不可結露、結冰),存儲:-30~+70°C |
| 周圍濕度 |
35~85%RH,存儲:35~85%RH |
| 周圍照明度 |
白熾燈:受光面照明度3,500 x |
| 耐電壓 |
AC 1,000V 1分鐘,所有電源連接端子與外殼之間 |
| 絕緣電阻 |
所有電源連接端子與外殼之間,20MΩ以上,基于DC 250V的高阻表 |
| 耐振動 |
頻率:10~500Hz,雙振幅:1.5mm(最大10G),X,Y和Z各方向2小時 |
| 耐沖擊 |
加速度:500m/s2(約50G),X,Y和Z各方向3次 |
| 投光二極體 |
紅外線LED(調制式) |
| 投光波峰波長 |
880μm |
| 材質 |
外殼:壓鑄鋅合金(氟化樹脂涂層),指示燈外罩:聚醚砜,透鏡:聚芳脂,保護管被覆:耐油PVC |
| 電纜 |
0.15mm2 4芯(投光器:3芯)耐油,耐冷熱橡皮電纜 |
| 電纜延長 |
1m |
2m |
4m |
| 保護管長度 |
0.3mm2以上的電纜線可延長至100m,投光器和受光器各1根 |
| 重量 |
投光器:約175g,受光器:約175g |
投光器:約265g,受光器:約265g |
投光器:約495g,受光器:約495g |
| 附件 |
MS-RX-2(傳感器安裝支架):1套用于投光器和受光器,調整螺絲刀:1個 |
I/O電路圖和線路圖
RX-□ RX4-□
|
|
|
| 透過型·投光器 |
透過型·受光器 |
 |
 |
| 透過型·受光器 |
透過型·受光器 |
 |
 |
| 回歸反射型·擴散反射型 |
回歸反射型·擴散反射型 |
 |
 |
RX2-□
|
|
|
| 透過型傳感器的投光器 |
透過型傳感器的投光器 |
 |
 |
透過型傳感器的受光器,回歸反射型傳感器和擴散反射 型傳感器 |
透過型傳感器的受光器,回歸反射型傳感器和擴散反射 型傳感器 |
 |
 |
檢測特性圖(典型)
RX-□(所有型號)
RX-M10(透過型)
RX-M50(透過型)
RX-M2R(透過型)
RX-500G(透過型)
|
|
角度特性 |
 |
 |
RX4-M5□(透過型)
RX2-M5(透過型)
RX-PRVM3(回歸反射型)
RX-PRV500(回歸反射型)
RX-RVM5(回歸反射型)
RX2-PRVM2(回歸反射型)
RX-D700(擴散反射型)
|
|
|
 |
 |
當檢測物體尺寸小于標準尺寸(白色無光澤紙 200×200mm)時,檢測距離如左圖所示縮短。 (為繪制左圖,傳感器靈敏度設定在700mm距 離時,能檢測一張200×200mm的白色無光 澤紙。) |
RX-D200R(擴散反射型)
|
|
|
 |
 |
當檢測物體尺寸小于標準尺寸(白色無光澤紙 200×200mm)時,檢測距離如左圖所示縮短。 (為繪制左圖,傳感器靈敏度設定在200mm距 離時,能檢測一張200×200mm的白色無光 澤紙。) |
RX2-D300(擴散反射型)
|
|
|
 |
 |
當檢測物體尺寸小于標準尺寸(白色無光澤紙 200×200mm)時,檢測距離如左圖所示縮短。 (為繪制左圖,傳感器靈敏度設定在300mm距 離時,能檢測一張200×200mm的白色無光 澤紙。) |
使用指南
所有型號
該產品為物體檢測傳感器,不具有保護生命、財產的功能,為防止事故、確保安全,請謹慎使用。
|
|
| · 緊固扭矩應在1.17N·m以下。 |
 |
|
|
| · 自我診斷輸出不裝備短路保護電路。請勿將它與電源或電容量負荷直接連接。 |
|
|
| · 電源接通后的短時間(50ms)內,請勿使用。 |
RX-PRVM3 RX-PRV500RX2-PRVM2
|
|
| · 如果光澤物體用透明薄膜覆蓋,如下所述,帶偏極濾光鏡的回歸反射型傳感器可能無法檢測到。在這種情況下,請按以下步驟操作。 |
|
|
·由清晰薄膜包裹的罐頭 · 用塑料薄膜覆蓋的鋁片 · 金色或銀色(有光澤)的標簽或包裝紙 |
|
|
·在安裝時,根據檢測物體傾斜傳感器 ·減小靈敏度 ·增大傳感器和檢測物體之間的距離 |
RX-RVM5
|
|
· 當檢測材料有光澤時,請注意以下幾點: 使圖中的L足夠長。 與檢測物體成10~30度的角安裝。 |
 |
RX2-□
|
|
· 通過一個負荷將傳感器連接到電源。如果直接接到電源上,短路保護裝置會使傳感器無法工作(輸出處在OFF狀態且沒有指示燈亮起)。一旦發生,將傳感器通過一個負荷連接到電源上。 而且,要注意如果電源接反且沒通過負荷連接,傳感器將受損。 |
 |
| · 請勿串聯連接傳感器(AND電路) |
 |
· 傳感器的剩余電壓為4V。在接到繼電器之前,請注意繼電 器的激活電壓。 (并非所有12V的繼電器都可作為負荷連接。) |
 |
RX4-□
|
|
| · 如下圖所示,安全連接接合連接器。緊固扭矩應在0.98N·m以下。 |
| 安裝在金屬板上時 |
 |
| 用內螺紋螺絲安裝時 |
 |
| 連接到另一保護管時 |
 |
RX-□4 RX4-□
|
|
· 傳感器診斷入光量,若因灰塵、污垢或光軸未對齊而使入光量降低,就會產生輸出。
|
|
1) 自我診斷輸出晶體管,在穩定檢測時保持在“OFF”狀態。 2) 當檢測輸出變化時,如入光量不能達到穩定入光或穩定非入光水平時,自我診斷輸出變為ON。另外,檢測輸出從入光狀態變為非入光(遮光)狀態,自我診斷輸出也會改變。(不受工作模式開關的影響。)
3)在非入光(遮光)不穩定情況下,自我診斷輸出變為ON之前會有一段延緩 時間。 |
 |
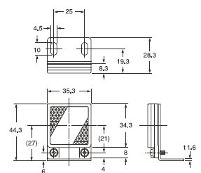
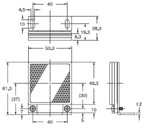
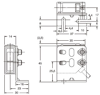
尺寸(單位:mm)
RX-M10 RX-M2R RX-500G RX2-M5(傳感器)
 |
注: 1) 在投光器上不裝備。 2) 是透過型傳感器投光器上的投光指示燈(紅色)。 |
RX-M50(傳感器)
 |
注: 1) 在投光器上不裝備。 2) 是透過型傳感器投光器上的投光指示燈(紅色)。 |
RX4-M5□(傳感器)
 |
注: 1) 投光器上不裝備。 2) 是透過型傳感器投光器上的投光指示燈(紅色)。 3) 是RX4-M5-C3的保護管的長度。(RX4-M5:1m,RX4-M5-C5:4m) |
RX-PRVM3 RX-PRV500 RX-RVM5 RX2-PRVM2(傳感器)
RX-D700 RX-D200RRX2-D300(傳感器)
RF-230(反射鏡(回歸反射型傳感器的附件)
RF-220(反射鏡(另售) RF-)
RF-210((反射鏡(另售))
MS-RX-1
MS-RX-2
MS-RF21-1
MS-RF22
MS-RF23
PT-RX5000 PT-RX1000
|
|
|
 |
·長度L
| 型號 |
長度L |
| PT-RX500 |
500+100 |
| PT-RX1000 |
1,000+100 | |