限定反射型光電傳感器
EX-40系列
特點:可靠檢測限定范圍內的物體
規格
| 種類 |
擴散型 |
光點型 |
| |
長檢測距離 |
|
帶定時器 |
| 型號 |
EX-42 |
EX-44 |
EX-43 |
EX-43T |
| 檢測距離 |
5~38mm(中心:20mm) 白色無光澤紙(50×50mm) |
10~70mm(中心:40mm) 白色無光澤紙(50×50mm) |
20~35mm(中心:30mm) 白色無光澤紙(50×50mm) |
| 最小檢測物體 |
φ 0.2mm銅線 (設定距離:20mm) |
φ 0.2mm銅線 (設定距離:40mm) |
φ 0.03mm金線(設定距離:30mm) |
| 應差 |
工作距離的15%以下 |
工作距離的10%以下 |
重復精度 (垂直于檢測軸) |
0.1mm以下 (設定距離:20mm) |
0.2mm以下 (設定距離:40mm) |
0.05mm以下(設定距離:30mm) |
| 電源電壓 |
12~24V DC±10% 脈動P-P10%以下 |
| 消耗電流 |
35mA以下 |
| 輸出 |
NPN開路集電極晶體管 ·最大流入電流:100mA ·外加電壓:30V DC以下(輸出和0V之間) ·剩余電壓:1.5V以下(流入電流為100mA時) 0.4V以下(流入電流為16mA時) | |
| 輸出工作 |
入光時ON |
| 短路保護 |
裝備 |
| 反應時間 |
0.5ms以下 |
| 工作狀態指示燈 |
紅色LED(輸出為ON時亮起) |
| 穩定指示燈 |
綠色LED(在穩定入光或穩定非入光狀態下亮起) |
| 靈敏度調節器 |
- |
持續可變調節器 |
- |
| 定時功能 |
- |
可變OFF延遲定時器 (約0.1~1秒)(注) |
環 境 性 能 |
保護構造 |
IP67(IEC) |
| 周圍溫度 |
-25~+55°C(注意不可結露、結冰),存儲:-30~+70°C |
| 周圍濕度 |
35~85%RH,存儲:35~85%RH |
| 周圍照明度 |
白熾光:受光面照明度 3,000 x |
| 耐電壓 |
AC1,000V 1分鐘,所有電源連接端子與外殼之間 |
| 絕緣電阻 |
所有電源連接端子與外殼之間,20MΩ以上,基于DC250V的高阻表 |
| 耐振動 |
頻率:10~500Hz,雙振幅:3mm(最大20G),X,Y和Z各方向2小時 |
| 耐沖擊 |
加速度:500m/s2 (約50G),X,Y和Z各方向3次 |
| 投光元件 |
紅外線LED(調制式) |
紅色LED(調制式) |
| 投光波峰波長 |
880μm |
680μm |
| 材質 |
聚芳酯 |
| 電纜 |
0.2mm2 3芯橡皮電纜,長2m |
| 電纜延長 |
0.3mm2以上的電纜全長可延長至100m |
| 重量 |
約45g |
| 附件 |
|
調整螺絲刀:1個 |
注:定時器總有效。
I/O電路圖和線路圖
I/O電路圖 |
線路圖 |
 |
 |
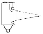
檢測特性圖(典型)
EX-42
|
|
|
|
 |
 |
如左圖所示,當檢測物體尺寸小于標準尺寸(白色無光澤紙50×50mm)時,檢測距離縮短。 (為繪制左圖, 使用的傳感器靈敏度設定在38mm距離時,能檢測一50×50mm白色無光澤紙。) |
|
|
|
|

|
在左圖中,檢測區域由斜線表示,然而,由于產品存在細微差別,靈敏度設定必須有足夠的余量。 (左邊所示的亮度與實物情況有細微差異。) |
 |
圖中柱形表示不同材質的檢測距離。但是,根據產品不同檢測距離會略有變化。 |
另外,如果檢測物體的背景處有一反射物(如傳送帶等),這將影響檢測。因此,請將它放在如左圖所示的檢測距離的兩倍以上的位置。
EX-44
|
|
|
|
 |
 |
如左圖所示,檢測物體尺寸小于標準尺寸(白色無光澤紙50×50mm)時,檢測距離縮小。 (為繪制左圖, 使用的傳感器靈敏度設定在70mm距離時,能檢測一50×50mm白色無光澤紙。) |
|
|
|
 |
在左圖中,檢測區域由斜線表示。然而,由于產品存在細微差別,靈敏度設定有足夠的余量。 (該圖是設定在最大靈敏度時作的。) (左邊所示的亮度與實物情況有細微差異。) |
 |
圖中柱形表示不同材質的檢測距離。但是,根據產品不同檢測距離會略有變化。 |
另外,如果檢測物體的背景有一反射物(如傳送帶等),這將會影響檢測。因此,請將它放在如左圖所示檢測距離的兩倍以上的位置,或調節靈敏度調節器。
(該圖是設定在最大靈敏度時作的。)
EX-43 EX-43T
|
|
|
 |
 |
在左圖中,檢測區域由斜線表示。然而,由于產品存在細微差別,靈敏度設定有足夠的余量。 (該圖是設定在最大靈敏度時作的。但是,EX-43T型不裝備有靈敏度調節器。) (左邊所示的亮度與實物情況有細微差異。) |
|
|
 |
圖中柱形表示不同材質的檢測距離。但是,根據產品不同檢測距離會略有變化。另外,如果檢測物體的背景有一反射物(如傳送帶等),這將會影響檢測。因此,請將它放在如左圖所示檢測距離的兩倍以上的位置,或調節靈敏度調節器。 (該圖是設定在最大靈敏度時作的。但是,EX-43T型不裝備有靈敏度調節器。) |
使用指南
該產品為物體檢測傳感器。不具有保護生命、財產的功能,為防止事故、確保安全,請謹慎使用。
安裝
·使用另售的傳感器安裝支架,緊固扭矩應在0.5N·m以下。
其他
·在電源接通后的短時間(50ms)內,請勿使用。
定時功能(僅適用于EX-43T)
· 可變的OFF延遲定時器可使延長輸出一段時間(約0.1~1秒)。當連接設備反應較慢或檢測小物體且信號寬度較小時有用。
(定時器總是有效的。)
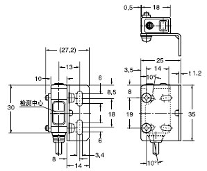
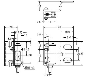
尺寸(單位:mm)
EX-42 EX-44 EX-43 EX-43T傳感器

注:EX-42不裝備有靈敏度調節器。
在EX-43T中是定時調節器。
MS-EX40-1傳感器安裝支架(另售)
MS-EX40-2 傳感器安裝支架(另售)
MS-AJ1 通用傳感器安裝架(另售)
注:支架上的尺寸表明可移動部件的調節范圍。
MS-AJ2 通用傳感器安裝架(另售)

注:支架上的尺寸表明可移動部件的調節范圍。
MS-AJ1 MS-AJ2通用傳感器安裝架(另售)
MS-AJ1-A 通用傳感器安裝架(另售)
注:1) 支架上的尺寸表明可移動部件的調節范圍。
注:2) 請參閱MS-AJ1/AJ2傳感器安裝支架或傳感器的裝配尺寸。
MS-AJ2-A 通用傳感器安裝架(另售)

注:1) 支架上的尺寸表明可移動部件的調節范圍。
注:2) 請參閱MS-AJ1/AJ2傳感器安裝支架或傳感器的裝配尺寸。