ASJ系列數字式量度繼電器
1 概述
ASJ系列數字式量度繼電器(以下簡稱繼電器),采用32位高性能CPU,實時采樣三相交流電流、三相交流電壓信號,采用有效值計算方法,在較寬的頻率范圍內實現了較高精度的測量。集成有多種保護功能,僅需簡單選擇即可實現保護的投入或退出、報警或跳閘;精度高、功耗小、動作快、返回系數高、無抖動,可用于需要電壓監控(電壓型:如發電機、變壓器和輸電線的繼電保護等)或電流監控(電流型:如電動機、變壓器和輸電線的過負荷和短路保護線路中)的場合,作為過電壓、欠電壓、過電流、欠電流、過頻率、欠頻率保護的閉鎖動作元件或啟動元件。
2 型號說明

3 通用技術條件
| 技術參數 |
指 標 |
| 通訊 |
RS485接口、Modbus-RTU協議 |
| 輔助電源 |
AC85~270V/DC100~350V,功耗5VA |
| 安全性 |
工頻耐壓:電源、電壓、電流輸入回路之間AC2kV/1min,50Hz |
| 絕緣電阻:輸入、輸出端對機殼>100MΩ |
| 環境 |
工作溫度:-10℃~+55℃ |
| 儲存溫度:-20℃~+70℃ |
| 相對濕度:5%~95%不結露 |
| 海拔高度:≤2000m |
| 污染等級 |
2級 |
| 防護等級 |
IP20 |
| 安裝類別 |
III級 |
4 產品特性
| 型 號 |
電 流 |
電 壓 |
頻率 |
| 功 能 |
ASJ10-AI |
ASJ10-AI3 |
ASJ10-AV |
ASJ10-AV3 |
ASJ10-F |
| 信號 |
二次側1A、5A |
√ |
√ |
|
|
|
| 輸入 |
AC100V、220V、380V |
|
|
√ |
√ |
√ |
| 測量 |
0-10A |
√ |
√ |
|
|
|
| 范圍 |
0.1-1.2Ue |
|
|
√ |
√ |
|
| |
20-70Hz |
|
|
|
|
√ |
| 過載 |
持續1.2倍,瞬時10倍/5秒 |
√ |
√ |
|
|
|
| 倍數 |
持續1.2倍,瞬時2倍/1秒 |
|
|
√ |
√ |
√ |
| 保護 |
起動超時、欠載、短路 |
√ |
√ |
|
|
|
| 功能 |
過載(定時限、反時限) |
√ |
√ |
|
|
|
| |
欠壓、過壓 |
|
|
√ |
√ |
|
| |
欠頻率、過頻率 |
|
|
|
|
√ |
| |
不平衡 |
|
√ |
|
√ |
|
| |
斷相 |
|
√ |
|
|
|
| |
相序 |
|
|
|
√ |
|
| 繼電器輸出 |
數量 |
3常開或2常開1常閉 |
| 觸點容量 |
AC250V 3A或DC30V 3A |
5 外形及尺寸(mm)


6 接線端子
電流繼電器


電壓繼電器


頻率繼電器

7 過載保護電流—時間對照表及曲線圖
| 可選擇的脫扣曲線等級K |
5 |
10 |
15 |
20 |
25 |
30 |
35 |
40 |
| 脫扣延時(S)誤差±10% |
三相平衡的負載,自冷態始 |
| 額定值Ie ×1.2 |
125 |
250 |
375 |
500 |
625 |
750 |
875 |
1000 |
| ×1.5 |
80 |
160 |
240 |
320 |
400 |
480 |
560 |
640 |
| ×2 |
45 |
90 |
135 |
180 |
225 |
270 |
315 |
360 |
| ×3 |
20 |
40 |
60 |
80 |
100 |
120 |
140 |
160 |
| ×4 |
11.3 |
22.5 |
33.8 |
45 |
56.3 |
67.5 |
78.8 |
90 |
| ×5 |
7.2 |
14.4 |
21.6 |
28.8 |
36 |
43.2 |
50.4 |
57.6 |
| ×6 |
5 |
10 |
15 |
20 |
25 |
30 |
35 |
40 |
| ×7.2 |
3.5 |
6.9 |
10.4 |
13.9 |
17.4 |
20.8 |
24.3 |
27.8 |
| ×8 |
2.8 |
5.6 |
8.4 |
11.3 |
14.1 |
16.9 |
19.7 |
22.5 |

8 應用方案示例
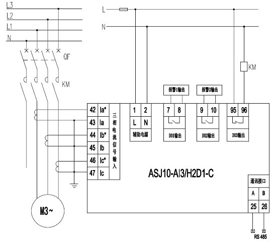
示例一 ASJ10-AI3在電動機保護中的應用

ASJ10-AI系列是一款能夠監視負載的監視繼電器,適用于需要進行電流保護的場合,如電動機、變壓器和輸電線的過負荷和短路保護線路中,隨時監視負載的電流狀況,能對負載的多種故障狀態進行保護,一旦發生故障,能及時將負載從系統中切除,從而起到保護作用。
示例二 ASJ10-AV3在光伏發電中的應用

ASJ10-AV系列是一款適用于監視三相饋電主電路的監視繼電器,它連接在饋電網、分散的電源系統和公共電網之間,一旦發現電網故障,ASJ10-AV能將發電系統從公共電網中斷開,從而起到保護作用。
9 附件(剩余電流互感器)


10 應用方案
1)該裝置主要應用于系統保護,作為直接電擊、間接電擊、電器火災以及分級保護的防護。在直接電擊防護中只作為補充防護,此時額定剩余動作電流不超過30mA•S。
2)下列設備和場所必須安裝保護裝置:移動式電器設備及手持式電動工具、生產用的電器設備、施工工地的電氣機械設備、安裝在戶外的電器裝置等(詳見GB13955)。
3)額定剩余動作電流應充分考慮系統正常泄漏電流值。一般不小于正常實測泄漏電流最大值2-4倍:分支線4倍;支線2.5倍;干線2倍。根據經驗公式:
單相回路:I△n≥In/2000(照明)
三相回路:I△n≥In/1000(動力或動力照明混合)式中In為線路最大供電電流。
4)為了保證分級保護動作的選擇性,上下級間的電流和時間配合應符合下列規定:
I△n1(上級)≥I△n2(下級)
tF(上級ASJ返回時間)>tFa(下級ASJ分斷時間),時間差不小于0.2S。
一般分支線和末端:30~100mA、≤0.1S;支線:300~500mA、0.2~0.8S;干線:500~1000mA、≤2S。
