◆ 構造采用密集型設計
◆ 性能具有電子式多保護功能
◆ 電流調整范圍可達到(10:1)
◆ 電流表功能,可自動檢測電流值
◆ LED燈通過閃爍狀態指示跳閘原因
◆ 高精度,能夠提供更好的功能保護
◆ 手動即時復位/電動遠距離復位
◆ 通過保護器自檢功能,可檢測保護器是否處于正常狀態
◆ 具有較強的環境適應性,可適用于不同場合
◆ 產品低能耗,電源電流僅250mA,可節省運行成本近90%
◆ 失效-安全工作方式(無電壓釋放),使保護器更加可靠
天津邁特斯科技有限公司創辦于2000年,是一家專業經營韓國工控自動化產品的營銷機構,本著精誠合作,用戶至上的原則,廣域地為來自各方面的廣大用戶提供優質服務,展開全面合作。
韓國三和EOCR電動機保護器:EOCR-SS、EOCR-SS1/SS2、EOCR-AR、EOCR-ST、EOCR-SP、EOCR-SP1/SP2、EOCR-SE、EOCR-SE2/SE3、EOCR-DS(T)、EOCR-DS1(T)、EOCR-DS2(T)、EOCR-DS3(T)、EOCR-1P、EUCR、EUCR-3C、EOCR-DG、EOCR-DGT、EOCR-DZ、EOCR-DZT、EOCR-3E、EOCR-4E、EOCR-4F、EOCR-3DD/FD、EOCR-3DS/FDS、EOCR-3DZ/FDZ、EOCR-3D420/FD420、EOCR-3SZ、EOCR-3DM/FDM、EOCR-3MS/FMS、EOCR-3MZ/FMZ、EOCR-3M420/FM420系列電動機保護器(電子式電流繼電器)
韓國三和(EOCR)株式會產品系列
EOCR-4F智能過電流繼電器 EOCR-DS1/DS2/DS3智能過電流繼電器
EOCR-SS1/SS2智能過電流繼電器 ? EOCR-3DS智能過電流繼電器 零序電流互感器ZCT
?EOCR-3MZ/FMZ智能過電流繼電器 EOCR-SE固態過電流繼電器
EOCR-SS固態過電流繼電器 EVR-FD電壓繼電器
EOCR-SP1/SP2智能過電流繼電器 EOCR-DS(T)固態過電流繼電器
EOCR-1P固態過電流繼電器 EOCR-3DM/FDM智能過電流繼電器
EOCR-SE2固態過電流繼電器 EOCR-3DZ智能過電流繼電器
EOCR-AR固態過電流繼電器 EOCR-3DD智能過電流繼電器
EGR接地保護繼電器 電流互感器CTEVR-PD電壓繼電器
EOCR-3MS/FMS智能過電流繼電器 EUCR欠電流繼電器
EOCR-FD智能過電流繼電器 EOCR-4E固態過電流繼電器
EVR電壓繼電器EUCR-3C欠電流繼電器 EOCR-SP固態過電流繼電器EOCR-ST固態過電流繼電器
| 韓國三和EUCR-2C電動機保護器 |
|
|
| ■ |
密集型設計 |
| ■ |
二個集成組裝電流互感器 |
| ■ |
欠載保護(空轉保護) |
| ■ |
寬的電流調整范圍 |
| ■ |
定時限跳閘特性 |
| ■ |
手動即時復位/電動遠距離復位 |
| ■ |
強的環境適應性 |
| ■ |
“無-失效-安全”工作 |
| | | |
 |
| 韓國三和EUCR-2C 保 護 |
|
|
|
| |
|
| 韓國三和EUCR-2C 技術條件 |
|
| |
電流設定
|
型號 |
設定范圍 |
| 05 |
0.5~6A |
| 30 |
3~30A |
| 60 |
5~60A |
| 100~600 |
05型加裝外接CT(電流變比:100/5-600/5) |
| 跳閘時間設定 |
O-TIME |
0.2~30秒 |
| 復位 |
手動(即時)電動(遠距離) |
| 時間-電流特性 |
定時限 |
| 電源 |
電壓 |
24 |
24VAC/DC |
| 110 |
110VAC |
| 220 |
220VAC |
| 頻率 |
50/60HZ |
| 繼電器輸出 |
形式 |
1-SPDT(IC) |
| 負載 |
3A/250VAC 阻性 |
| 狀態 |
常態不激勵 |
| 安裝 |
35mm 導軌/配電盤安裝 | | |
| |
|
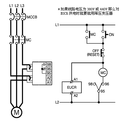
| 韓國三和EUCR-2C 典型參考圖/接線圖/安裝尺寸圖 |
|
|
|