引言 集散控制系統簡約,靈活,開放的結構形成一個功能強大,控制涉及面廣泛的整體,滿足了整個企業控制、系統集成、信息管理和工廠管理的需求。可以為用戶解決各類在工程控制中所遇到的關于物理分散、信息集中管理、降低整體造價所遇到的一系列的難題。 隨著電廠自動化水平的不斷提高,電廠主控制室中盤臺設備越來越少,取而代之的是功能完備的集散控制系統(DCS)及形式多樣的各種操作員站。根據《火力發電廠設計技術規程》(DL5000-94)和部頒新廠新辦法的有關規定,要實現機、爐、電統一的單元集中控制,使單元控制室的機、爐、電控制水平協調發展。因此,電廠燃煤機組煙氣脫硫工程中通常采用DCS系統。根據電廠燃煤機組煙氣脫硫工藝流程的特點,系統控制主要由煙氣系統、吸收塔系統、石灰石漿液供應系統、石膏排出系統、工藝水及濾水系統等幾部分組成。 DCS的系統結構 DCS操作員站系統是電廠脫硫的運行狀態,控制和調整設備的運行參數,使電廠脫硫運行在安全高效的狀態。圖1為電廠煙氣脫硫工程DCS網絡的總體結構。圖2是本工程的XDPS-400+系統網絡結構和系統布置圖。 煙氣系統 煙氣系統包括增壓風機、煙氣換熱 器、擋板門密封空氣系統、DCM(Drive Control Module)FGD入口原煙氣擋板、DCM 吸收塔排空電動門、DCM FGD出口凈煙氣擋板、DCM旁路煙氣擋板。
 圖1:電廠煙氣脫硫工程DCS網絡的總體結構 煙氣在FGD的啟動和停機過程中將所有煙氣擋板置于正確的位置,以保證由引風機至煙囪間的煙氣通道。當吸收塔停運時吸收塔排空電動門開啟,為來自氧化風機的空氣提供排空的通道,如FGD遇有危險情況,煙氣系統則導向安全的操作狀態。 根據煙氣擋板的位置,來自密封風機的密封空氣直接引入到關閉的擋板,煙氣擋板關閉時連桿機構帶動密封空氣閥自動開啟。密封風機將熱空氣吹入雙擋板之間,確保煙氣泄露率為0。密封風機排出設計壓力為高于煙道里的煙氣壓力500Pa的密封空氣,密封空氣采用電加熱以防止在擋板處凝結。密封空氣閥與煙氣擋板執行機構機械聯鎖,煙氣擋板關閉,密封空氣閥開啟;煙氣擋板開啟,密封空氣閥關閉。在GGH里,通過對熱的未處理煙氣的吸收,用于再熱來自吸收塔的凈煙氣。在100%BMCR工況下,無須補充熱量,GGH維持凈煙氣溫度高于82℃。在低負荷時,煙氣溫度將降低。
 圖2: DCS系統架構示意圖 吸收塔系統 吸收塔系統包括SGC(Subgroup Circuit)吸收塔漿液循環、SGC除霧器沖洗、SGC吸收塔排水坑、SGC氧化空氣、SGC事故漿液池、DCM吸收塔攪拌器、DCM吸收塔濾液補水閥。 吸收塔漿液循環泵連續運行,加入吸收塔的石灰石漿液量根據煙氣流量、SO2 含量、SO2 脫除率和吸收塔漿液的pH值進行控制;吸收塔的液位通過吸收塔排出泵來控制,石膏排出泵連續運行,到水力旋流站的石膏漿液及返塔漿液通過關斷閥連鎖(保持1開1關),均以間斷方式運行;通過吸收塔濾液補水調節閥控制吸收塔漿液密度。 吸收塔液位應保持在某一范圍內,液位過高會影響氣液交換,液位過低會影響運行的循環泵數量,通過調整除霧器沖洗的間隔時間來實現。根據在不同負荷下設定間隔時間函數即可,同時考慮在液位高時加強石膏的排出力度,液位低時加強石灰石漿液的供給。控制回路如圖3所示。
 圖3 吸收塔液位控制回路
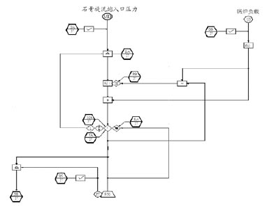
 圖4 石灰石漿液供給閥控制回路 石灰石漿液供應系統 石灰石漿液供應系統將成品石灰石漿液輸送至吸收塔,每個吸收塔設有2臺石灰石漿液輸送泵,1運1備。石灰石漿液池設有1臺攪拌器,防止漿液產生固體沉淀。 石灰石漿液輸送泵與石灰石漿液池液位聯鎖。為保證石膏旋流子工作在最佳分離工況下,旋流子的入口壓力應維持在某一定值,通過控制石膏旋流站至吸收塔再循環門的開度來達到該目的,加入負荷信號作為前饋。由于該門的開度會影響到吸收塔的液位,為避免干擾吸收塔液位,此時石灰石漿液供給閥也應同向變化。控制回路如圖4所示。 石膏排出系統 煙氣脫硫工程中設置了整套的石膏脫水系統,設置了1套石膏旋流站、2臺真空皮帶過濾機和1套廢水旋流站系統。石膏旋流站的溢流全部回濾液水箱,石膏旋流站的底流、真空皮帶過濾機、廢水旋流站系統按預期方式運行。 石膏系統由SGC石膏排出泵、DCM石膏旋流站、SGC真空皮帶過濾機、SGC廢水旋流站組成。 石膏漿液排出泵將石膏漿液從吸收塔反應池送到煙氣脫硫工程共用的石膏旋流站進行濃縮,另一方面吸收塔反應池可在事故時由石膏排出泵拋棄或排往事故漿池,檢修吸收塔。石膏排出泵出口設密度及PH測量。吸收塔的液位和漿液密度通過吸收塔排出泵來控制,當吸收塔內漿液密度達到設定值時,石膏漿液排出到石膏旋流站;當吸收塔內漿液密度未達到設定值時,石膏漿液通過石膏返回管返至吸收塔。 吸收塔中持液槽內漿液混合物的濃度應保持某一水平,使固體懸浮物保持在最佳水平,防止結垢并使晶體成片,以便能夠實現最大脫水率。通過調節吸收塔補水閥開度來保持吸收塔漿液的密度。為加快系統響應速度,加入鍋爐負荷作為前饋信號。 控制回路如圖5所示。
 圖5:吸收塔漿液濃度控制圖 工藝水及濾液水系統 工藝水及濾水系統包括PC工藝水系統,PC濾液水系統。所有均由操作者設定為自動方式。工藝水泵能產生必要的壓力用于除霧器沖洗、各種類型漿液管道的沖洗及設備的冷卻用水、GGH高壓水泵的供水。煙氣脫硫工程設置了工藝水箱,并預留了1臺工藝水泵的接口。設3臺工藝水泵,2用1備,1座吸收塔對應1臺工藝水泵。 除霧器沖洗水管路中的自動反沖洗濾水器去除工藝水中的雜質,并自動排污。除霧器沖洗水調節閥控制除霧器沖洗水進口壓力。 結束語 在工程實際應用過程中,依照DCS的特點采用典型的方法來實現對電廠燃煤機組煙氣脫硫工程中的控制,可以保證不出現誤操作事故,還增加了相當部分的判據條件和I/O測點,這種方式的優點是較方便地對DCS進行檢查,同時也增大了控制的可靠性。 |